
temporizzazione e dissolvenza
Moderatori:
g.schgor,
IsidoroKZ
40 messaggi
• Pagina 3 di 4 • 1, 2, 3, 4
0
voti
ragazzi sto impazzendo sul data sheet dell' ne555 in inglese.. qualcuno ha mai avuto esperienze nell'uso di questo componente? vi posto una foto dell'oggetto così se magari sapete quali fili devo collegare e come mi fate sapere..sono riuscito a capire che in pratica ne555 è usato come timer applicando sul cavo vcc in entrata una resistenza e un condensatore..avete mai provato o sapete se ho capito bene?? e poi gli altri cavi??ci ragioniamo tutti insieme??
grazie ragazzi:) 

-

platinumdj
0 4 - Frequentatore

- Messaggi: 116
- Iscritto il: 25 mar 2009, 23:21
0
voti
Se non ti basta dai un occhio anche a queso post
viewtopic.php?f=1&t=13394
se poi vuoi andarci proprio dentro, puoi scaricarti LTspice e simularlo "a cuore aperto"
usando questo file
http://www.weebly.com/uploads/1/6/3/0/1630371/ne555.asc
viewtopic.php?f=1&t=13394
se poi vuoi andarci proprio dentro, puoi scaricarti LTspice e simularlo "a cuore aperto"
usando questo file
http://www.weebly.com/uploads/1/6/3/0/1630371/ne555.asc
"Il circuito ha sempre ragione" (Luigi Malesani)
0
voti
ho letto molto bene la spiegazione e ora ho abba info per poter creare il circuito che mi interessa..
corro a prendere carta e penna dopodichè farò uno degli schizzi orrendi che so fare e vi farò vedere com'è venuto prima di provarlo e far saltare qualkosa
grazie a tutti ragazzi!!! 
-

platinumdj
0 4 - Frequentatore

- Messaggi: 116
- Iscritto il: 25 mar 2009, 23:21
0
voti
citazione
(* L’uscita va alta solo quando viene premuto START: in questo caso il pin 2 va a massa, ad un livello inferiore a 1/3Vcc e quindi risulta vera l’affermazione n.1
L’uscita alta provoca l’apertura dell’interruttore interno, che quindi non tiene più cortocircuitato C. La corrente proveniente da R comincia quindi a caricare C, la cui tensione comincia a salire.
La tensione di C continua a salire e tenderebbe ad arrivare al valore Vcc, come in un normale ciclo di carica capacitiva. Tale tensione è però applicata al pin 6 del 555: quando essa supera i 2/3Vcc diviene vera l’affermazione n.2 e l’uscita torna bassa.)
RAGAZZI HO CITATO QUESTO PEZZETTO DI TESTO NELLA SPIEGAZIONE perché non riesco a capire una cosa..in pratica premendo START porto a massa l uscita 2 e permetto al sistema di far passare corrente dall uscita 3(output)..in che modo C era corocircuitato dall interruttore interno??poi dice che non essendo + cortocircuitato la corrente può passare da C caricandolo,ma per come è in figura la corrente da R a C non passa sempre?? cosa c'è che non capisco?? grazie
(* L’uscita va alta solo quando viene premuto START: in questo caso il pin 2 va a massa, ad un livello inferiore a 1/3Vcc e quindi risulta vera l’affermazione n.1
L’uscita alta provoca l’apertura dell’interruttore interno, che quindi non tiene più cortocircuitato C. La corrente proveniente da R comincia quindi a caricare C, la cui tensione comincia a salire.
La tensione di C continua a salire e tenderebbe ad arrivare al valore Vcc, come in un normale ciclo di carica capacitiva. Tale tensione è però applicata al pin 6 del 555: quando essa supera i 2/3Vcc diviene vera l’affermazione n.2 e l’uscita torna bassa.)
RAGAZZI HO CITATO QUESTO PEZZETTO DI TESTO NELLA SPIEGAZIONE perché non riesco a capire una cosa..in pratica premendo START porto a massa l uscita 2 e permetto al sistema di far passare corrente dall uscita 3(output)..in che modo C era corocircuitato dall interruttore interno??poi dice che non essendo + cortocircuitato la corrente può passare da C caricandolo,ma per come è in figura la corrente da R a C non passa sempre?? cosa c'è che non capisco?? grazie
- Allegati
-
- 1111.jpg (12.94 KiB) Osservato 3605 volte
-

platinumdj
0 4 - Frequentatore

- Messaggi: 116
- Iscritto il: 25 mar 2009, 23:21
0
voti
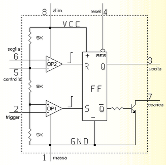
platinumdj ha scritto: ... non riesco a capire una cosa..in pratica premendo START porto a massa l uscita 2 e permetto al sistema di far passare corrente dall uscita 3(output)..
Come puoi vedere dalla seguente rappresentazione interna del 555
Se partiamo da una situazione iniziale dell'ingresso 2 alto (2 è un'ingresso NON un'uscita), uscita Q del FF bassa (e quindi 3 basso),
alto ... e di conseguenza il transistore a destra in basso pilotato in saturazione (paragonabile ad un interruttore chiuso), il condensatore C del tuo circuito sarà cortocircuitato verso massa e non potrà caricarsi attaverso la resistenza R; la corrente su R verrà ad essere portata a massa proprio attraverso questa strada.Quando l'ingresso 2 viene ad essere portato sotto Vcc/3, l'uscita del comparatore CP1 passa da bassa ad alta e setta (con il suo fronte di salita) l'uscita Q del FlipFlop alta e l'uscita
bassa; il transistore verrà quindi a funzionare come un interruttore aperto (non ricevendo più corrente in base) e il condensatore potrà caricarsi;il pin 6, di conseguenza, sarà portato a salire verso Vcc, al superamento della soglia 2Vcc/3 però, l'uscia del comparatore CP2 passerà da bassa a alta, resettando il FF e portando Q bassa e
alta e transistore in conduzione e cortocircuito a massa di C ....siamo ritornati alla situazione iniziale e solo un nuovo abbassamento del 2 sotto Vcc/3 potrà fare ripartire la carica.
"Il circuito ha sempre ragione" (Luigi Malesani)
0
voti
UN PO di domande:
1) quando l'uscita in 3 va bassa che significa??che non passa corrente del tutto o che passa ma è poca?? perché la corrente in uscita a me serve per attivare un relè quindi forse rimarrebbe sempre aperto..
2)quando la corrente passa in vcc, ovvero sempre nel mio circuito che cercherò di disegnare in maniera non scandalosa, e va a massa tramite il pin discharge ho un consumo di corrente??
3)la temporizzazione avviene non appena va a massa il pin 2,e se in modalità di timer monostabile io mando a massa costantemente il pin diue la temporizzazione inizia e finisce dopo il tempo di temporizzazione per ricomaìinciare istantaneamente??oppure inizia quando smette di andare a massa il pin 2??
(su questa c' ho ragionato e credo che inizi appena va a massa indipendentemente se chiudo la massa oppure no perché andando a massa la corrente passa da R a C e quindi avviene la temporizzazione..)
4)l'interruttore interno si chiude permettendo il passaggio di corrente da R a C quando il pin 2 va a massa..deve andare a massa però quando passa la corrente altrimenti non succederebbe nula se vcc non passasse giusto?(anche questa è quasi scontata ma meglio chiedere)
5)il pin control voltage va necessariamente collegato???a cosa serve??
6)il pin di reset quando riceve un impulso fa terminare il passaggio di corrente in output..possonon collegarlo se tanto si chiude quando il tensione in 6 supera 2/3 Vcc??
7)nel caso in cui avessi il pin 2 a massa e contemporaneamente corrente in 6 che succede??è questa la situazione da evitare di cui parla la spiegazione o ce ne sono altre??
GRAZIE A TUTTI =)
1) quando l'uscita in 3 va bassa che significa??che non passa corrente del tutto o che passa ma è poca?? perché la corrente in uscita a me serve per attivare un relè quindi forse rimarrebbe sempre aperto..
2)quando la corrente passa in vcc, ovvero sempre nel mio circuito che cercherò di disegnare in maniera non scandalosa, e va a massa tramite il pin discharge ho un consumo di corrente??
3)la temporizzazione avviene non appena va a massa il pin 2,e se in modalità di timer monostabile io mando a massa costantemente il pin diue la temporizzazione inizia e finisce dopo il tempo di temporizzazione per ricomaìinciare istantaneamente??oppure inizia quando smette di andare a massa il pin 2??
(su questa c' ho ragionato e credo che inizi appena va a massa indipendentemente se chiudo la massa oppure no perché andando a massa la corrente passa da R a C e quindi avviene la temporizzazione..)
4)l'interruttore interno si chiude permettendo il passaggio di corrente da R a C quando il pin 2 va a massa..deve andare a massa però quando passa la corrente altrimenti non succederebbe nula se vcc non passasse giusto?(anche questa è quasi scontata ma meglio chiedere)
5)il pin control voltage va necessariamente collegato???a cosa serve??
6)il pin di reset quando riceve un impulso fa terminare il passaggio di corrente in output..possonon collegarlo se tanto si chiude quando il tensione in 6 supera 2/3 Vcc??
7)nel caso in cui avessi il pin 2 a massa e contemporaneamente corrente in 6 che succede??è questa la situazione da evitare di cui parla la spiegazione o ce ne sono altre??
GRAZIE A TUTTI =)
-

platinumdj
0 4 - Frequentatore

- Messaggi: 116
- Iscritto il: 25 mar 2009, 23:21
0
voti
"Il circuito ha sempre ragione" (Luigi Malesani)
0
voti
ho letto tutto ma non trovo le risposte alle mie domande..grazie comunque renzo..
qualkuno saprebbe rispondermi? grazie
-

platinumdj
0 4 - Frequentatore

- Messaggi: 116
- Iscritto il: 25 mar 2009, 23:21
0
voti
platinumdj ha scritto:UN PO di domande:
1) quando l'uscita in 3 va bassa che significa??che non passa corrente del tutto o che passa ma è poca?? perché la corrente in uscita a me serve per attivare un relè quindi forse rimarrebbe sempre aperto..
basso e alto sono intesi come tensione, diciamo dell'ordine del decimo di volt sia rispetto a zero che rispetto alla VCC, dovuto alla saturazione dei transistori dello stadio finale; la corrente dipenderà poi dal carico che ci colleghi .
platinumdj ha scritto:2)quando la corrente passa in vcc, ovvero sempre nel mio circuito che cercherò di disegnare in maniera non scandalosa, e va a massa tramite il pin discharge ho un consumo di corrente??
nel funzionamento da monostabile, la corrente scenderà sempre per il resistore di carica ma verrà deviata a massa dal transistore di scarica, fino a quando non arriverà l'impulso sul trigger istante nel quale la corrente verrà deviata verso il condensatore per il tempo necessario a fargli raggiungere i 2/3 della Vcc ... dopo di che la corrente ripasserà per il transistore di scarica.
platinumdj ha scritto:3)la temporizzazione avviene non appena va a massa il pin 2,e se in modalità di timer monostabile io mando a massa costantemente il pin diue la temporizzazione inizia e finisce dopo il tempo di temporizzazione per ricomaìinciare istantaneamente??oppure inizia quando smette di andare a massa il pin 2??
(su questa c' ho ragionato e credo che inizi appena va a massa indipendentemente se chiudo la massa oppure no perché andando a massa la corrente passa da R a C e quindi avviene la temporizzazione..)
nell'istante in cui il pin2 ( trigger) viene portato a massa, la temporizzazione NON esiste più !
l'uscita va e rimane alta, lo schema a blocchi in questo caso non è più valido, ma analizzando il comportamento dall'interno" del 555 si vede l'uscita è a livello alto.
platinumdj ha scritto:4)l'interruttore interno si chiude permettendo il passaggio di corrente da R a C quando il pin 2 va a massa..deve andare a massa però quando passa la corrente altrimenti non succederebbe nula se vcc non passasse giusto?(anche questa è quasi scontata ma meglio chiedere)
premesso che Vcc non può "passare" in quanto è una tensione e non una corrente, quando il pin2 va a massa l'interruttore interno da CHIUSO si APRE e permette al condensatore di caricarsi.
BTW "chiuso" vuol dire equivalente a un corto-circuito
platinumdj ha scritto:5)il pin control voltage va necessariamente collegato???a cosa serve??
serve per poter cambiare le tensioni di soglia del partitore interno che normalmente divide in 3 parti Vcc e imposta le soglie a 1/3 e 2/3 della stessa e può servire quindi per modulare la frequenza di uscita o cambiare il rapporto fra Ton e Toff dell'onda quadra ;
può anche essere lasciato aperto, ma se ci metti un condensatore crei con le resistenze del partitore suddetto un filtro passa basso che mantiene i riferimenti interni + stabili.
platinumdj ha scritto:6)il pin di reset quando riceve un impulso fa terminare il passaggio di corrente in output..possonon collegarlo se tanto si chiude quando il tensione in 6 supera 2/3 Vcc??
il pin di restet viene usato per far andare a zero l'uscita;
l'uscita va a un livello di tensione basso quando il reset è basso, indipendentemente dalla situazione di ingresso, e quindi normalmente lo colleghiamo permanentemente a Vcc.
platinumdj ha scritto:7)nel caso in cui avessi il pin 2 a massa e contemporaneamente corrente in 6 che succede??è questa la situazione da evitare di cui parla la spiegazione o ce ne sono altre??
cosa vuoi dire con "corrente in 6"
"Il circuito ha sempre ragione" (Luigi Malesani)
40 messaggi
• Pagina 3 di 4 • 1, 2, 3, 4
Torna a Elettrotecnica generale
Chi c’è in linea
Visitano il forum: Nessuno e 14 ospiti

Elettrotecnica e non solo (admin)
Un gatto tra gli elettroni (IsidoroKZ)
Esperienza e simulazioni (g.schgor)
Moleskine di un idraulico (RenzoDF)
Il Blog di ElectroYou (webmaster)
Idee microcontrollate (TardoFreak)
PICcoli grandi PICMicro (Paolino)
Il blog elettrico di carloc (carloc)
DirtEYblooog (dirtydeeds)
Di tutto... un po' (jordan20)
AK47 (lillo)
Esperienze elettroniche (marco438)
Telecomunicazioni musicali (clavicordo)
Automazione ed Elettronica (gustavo)
Direttive per la sicurezza (ErnestoCappelletti)
EYnfo dall'Alaska (mir)
Apriamo il quadro! (attilio)
H7-25 (asdf)
Passione Elettrica (massimob)
Elettroni a spasso (guidob)
Bloguerra (guerra)

