Sintesi di Cauer
Moderatori:
g.schgor,
IsidoroKZ
38 messaggi
• Pagina 3 di 4 • 1, 2, 3, 4
0
voti
[22] Re: Sintesi di Cauer
Rigrazio entrambi per le risposte!
Per il fatto di 5 poli e 5 zeri avrò errato a eseguire i calcoli dato che ho mantenuto il tutto letterale ed è facile che io abbia perso qualche termine per strada.
Dunque se non c'è nulla di errato mi rimane solo da capire dove sono i poli (in forma letterale) della funzione di trasferimento del mio bipolo a ponte...la vedo ardua come cosa
Per il fatto di 5 poli e 5 zeri avrò errato a eseguire i calcoli dato che ho mantenuto il tutto letterale ed è facile che io abbia perso qualche termine per strada.
Dunque se non c'è nulla di errato mi rimane solo da capire dove sono i poli (in forma letterale) della funzione di trasferimento del mio bipolo a ponte...la vedo ardua come cosa
0
voti
[25] Re: Sintesi di Cauer
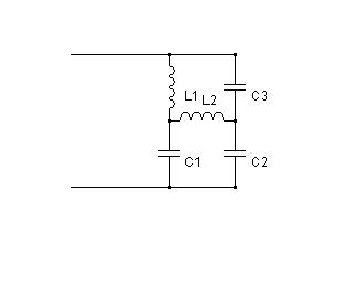
Lo schema è il seguente
Eseguendo la trasformazione stella triangolo tra L1,L2,C1 e poi eseguendo i paralleli e le serie si trova che la funzione di trasferimento 'ammettenza' è la seguente:

Dove con N(s) e D(s) si è indicato rispettivamente:
Probabile che vi siano numerosi errori...sia nel calcolo che nella trascrizione...ad ogni modo la complessita del conto è evidente, così come è evidente il fatto che con soli 5 elementi si ottengano un numero maggiore di poli e zeri rispetto ai semplici collegamenti serie e parallelo
Sta di fatto che forse conviene abbandoare l'idea di cercare di capire dove siano localizzati poli di tale funzione di trasferimento
Eseguendo la trasformazione stella triangolo tra L1,L2,C1 e poi eseguendo i paralleli e le serie si trova che la funzione di trasferimento 'ammettenza' è la seguente:

Dove con N(s) e D(s) si è indicato rispettivamente:
Probabile che vi siano numerosi errori...sia nel calcolo che nella trascrizione...ad ogni modo la complessita del conto è evidente, così come è evidente il fatto che con soli 5 elementi si ottengano un numero maggiore di poli e zeri rispetto ai semplici collegamenti serie e parallelo
Sta di fatto che forse conviene abbandoare l'idea di cercare di capire dove siano localizzati poli di tale funzione di trasferimento
0
voti
[27] Re: Sintesi di Cauer
Ma allora non ho capito nulla circa le funzioni di trasferimento!!
Io ho eseguito i conti effettuando la trasformazione stella traingolo e poi i relativi paralleli e serie, come mai le funzioni di trasferimento vengono totalmente differenti??
Io ho eseguito i conti effettuando la trasformazione stella traingolo e poi i relativi paralleli e serie, come mai le funzioni di trasferimento vengono totalmente differenti??
0
voti
[28] Re: Sintesi di Cauer
Come vedi la sintesi conoscendo i valori numerici potrebbe essere realizzata con Cauer usando 5 componenti come in
viewtopic.php?f=2&t=18684&st=0&sk=t&sd=a#p134558
viewtopic.php?f=2&t=18684&st=0&sk=t&sd=a#p134558
"Il circuito ha sempre ragione" (Luigi Malesani)
0
voti
[29] Re: Sintesi di Cauer
Ovvio la funzione di trasferimento da te scritta può essere sintetizzata con Cauer come mi avevi in precedenza spiegato...
Non riesco tuttora a capire perché effettuando i conti a mano mi è venuto fuori quel MOSTRO sopra scritto! Boh misteri dell'elettrotecnica o mia ignoranza?
Non riesco tuttora a capire perché effettuando i conti a mano mi è venuto fuori quel MOSTRO sopra scritto! Boh misteri dell'elettrotecnica o mia ignoranza?
0
voti
[30] Re: Sintesi di Cauer
jhonny ha scritto:Ma allora non ho capito nulla circa le funzioni di trasferimento!!
Io ho eseguito i conti effettuando la trasformazione stella traingolo e poi i relativi paralleli e serie, come mai le funzioni di trasferimento vengono totalmente differenti??
posta i calcoli
"Il circuito ha sempre ragione" (Luigi Malesani)
38 messaggi
• Pagina 3 di 4 • 1, 2, 3, 4
Torna a Elettrotecnica generale
Chi c’è in linea
Visitano il forum: Nessuno e 27 ospiti

Elettrotecnica e non solo (admin)
Un gatto tra gli elettroni (IsidoroKZ)
Esperienza e simulazioni (g.schgor)
Moleskine di un idraulico (RenzoDF)
Il Blog di ElectroYou (webmaster)
Idee microcontrollate (TardoFreak)
PICcoli grandi PICMicro (Paolino)
Il blog elettrico di carloc (carloc)
DirtEYblooog (dirtydeeds)
Di tutto... un po' (jordan20)
AK47 (lillo)
Esperienze elettroniche (marco438)
Telecomunicazioni musicali (clavicordo)
Automazione ed Elettronica (gustavo)
Direttive per la sicurezza (ErnestoCappelletti)
EYnfo dall'Alaska (mir)
Apriamo il quadro! (attilio)
H7-25 (asdf)
Passione Elettrica (massimob)
Elettroni a spasso (guidob)
Bloguerra (guerra)


