Esercizio con Thevenin
Moderatori:
g.schgor,
IsidoroKZ
31 messaggi
• Pagina 3 di 4 • 1, 2, 3, 4
0
voti
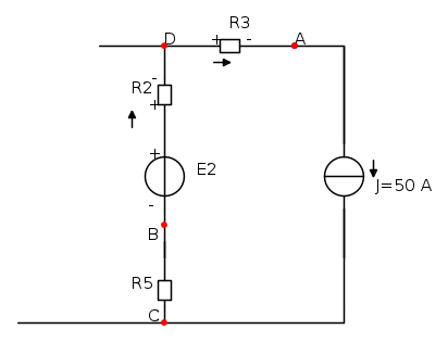
Sì, anche se non è proprio una maglia intera, la VAB la calcoli come la somma algebrica delle tensioni su R3 R2 E2, in quanto è la stessa. Le correnti I2 e I3 la conosci ora basta che tu parta dal punto A e scriva ogni tensione col suo segno fino ad arrivare a B.
0
voti
Scusami non ho capito, quali sono le correnti I2 e I3...puoi postarmi il procedimento?
0
voti
a J=50A, scusa non capivo cosa intendevi per I2 e I3.Allora la V sul ramo AB è uguale a 100 volt.
0
voti
No.
Intanto hai sbagliato il verso di percorrenza...devi partire da A e arrivare a B
Intanto hai sbagliato il verso di percorrenza...devi partire da A e arrivare a B
0
voti
Ok.Grazie tantissime ho capito finalmente.Te ne posso proporre un altro con il principio di sovrapposizione degli effetti, se puoi darmi una mano ancora.
31 messaggi
• Pagina 3 di 4 • 1, 2, 3, 4
Torna a Elettrotecnica generale
Chi c’è in linea
Visitano il forum: Nessuno e 33 ospiti

Elettrotecnica e non solo (admin)
Un gatto tra gli elettroni (IsidoroKZ)
Esperienza e simulazioni (g.schgor)
Moleskine di un idraulico (RenzoDF)
Il Blog di ElectroYou (webmaster)
Idee microcontrollate (TardoFreak)
PICcoli grandi PICMicro (Paolino)
Il blog elettrico di carloc (carloc)
DirtEYblooog (dirtydeeds)
Di tutto... un po' (jordan20)
AK47 (lillo)
Esperienze elettroniche (marco438)
Telecomunicazioni musicali (clavicordo)
Automazione ed Elettronica (gustavo)
Direttive per la sicurezza (ErnestoCappelletti)
EYnfo dall'Alaska (mir)
Apriamo il quadro! (attilio)
H7-25 (asdf)
Passione Elettrica (massimob)
Elettroni a spasso (guidob)
Bloguerra (guerra)


