Spia per serbatoio
Moderatori:
g.schgor,
IsidoroKZ
25 messaggi
• Pagina 3 di 3 • 1, 2, 3
0
voti
Il datasheet a pagina 9 spiega come cambiare il riferimento di tensione, e non dice di cambiare l'alimentazione. L'alimentazione deve ovviamente essere maggiore di questo valore, però è solo il rapporto tra R2 ed R1 a determinarlo.

0
voti
i tuoi dubbi sull'alimentazione mi sono poco chiari: semplicemente devi scegliere un'alimentazione del tuo integrato (12V?) e la stessa alimentazione la usi per il partitore resistivo che coinvolgerà il tuo sensore. Di conseguenza avrai che il tuo segnale sorgente non supererà mai la tensione di alimentazione.
R1 e R2 servono a stabilire il range di valori che l'integrato deve tradurre nel comportamento dei LED, in pratica serve a stabilire una tensione di riferimento (spiegato tutto a pag 9). In sostanza dovrebbe venire fuori che R1 ed R2 dovrebbero essere uguali alle resistenze del partitore che coinvolgerà il tuo segnale (probabilmente in condizione di serbatoio pieno). Queste resistenze quindi non dovrebbero realmente dipendere dalla tensione di alimentazione.
VLED è la tensione di forward dei tuoi LED, quelli della barra, quando l'avrai tra le mani potrai valutare autonomamente semplicemente con un multimetro.
L'elettrolitico piuttosto le metterei per stabilizzare l'alimentazione, i motori sporcano un po'. Forse ti puo' convenire alimentare tutto con un 7809/7805.
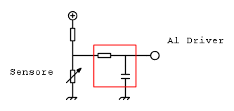
Per infine limitare le fluttuazioni della misura puoi effettivamente usare un condensatore in un filtro passabasso come in rosso in figura
R1 e R2 servono a stabilire il range di valori che l'integrato deve tradurre nel comportamento dei LED, in pratica serve a stabilire una tensione di riferimento (spiegato tutto a pag 9). In sostanza dovrebbe venire fuori che R1 ed R2 dovrebbero essere uguali alle resistenze del partitore che coinvolgerà il tuo segnale (probabilmente in condizione di serbatoio pieno). Queste resistenze quindi non dovrebbero realmente dipendere dalla tensione di alimentazione.
VLED è la tensione di forward dei tuoi LED, quelli della barra, quando l'avrai tra le mani potrai valutare autonomamente semplicemente con un multimetro.
L'elettrolitico piuttosto le metterei per stabilizzare l'alimentazione, i motori sporcano un po'. Forse ti puo' convenire alimentare tutto con un 7809/7805.
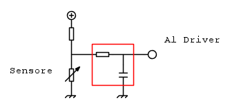
Per infine limitare le fluttuazioni della misura puoi effettivamente usare un condensatore in un filtro passabasso come in rosso in figura
0
voti
ok,vedrò di metabolizzare il tutto..
ho già capito che al reostato in ammollo arriverà l'alimentazione direttamente dall'integrato, quando invece io pensavo che dovessi mettere in serie un alimentazione a parte così da far arrivare una differenza di potenziale al circuito;
dici :In sostanza dovrebbe venire fuori che R1 ed R2 dovrebbero essere uguali alle resistenze del partitore che coinvolgerà il tuo segnale (probabilmente in condizione di serbatoio pieno)
quindi da 70 ohm ciascuna ?
e la tensione di forward ? non c'è un valore standard, pressapoco...... i led non usero quelli ad alta luminosità ma quelli piccoli,circa 10 - 15 mA,
io vorrei usare la tensione più alta (7812) ,così avrei (credo) una misura il più precisa possibile anzi che i soli 5 volt
o mi sbaglio
ho già capito che al reostato in ammollo arriverà l'alimentazione direttamente dall'integrato, quando invece io pensavo che dovessi mettere in serie un alimentazione a parte così da far arrivare una differenza di potenziale al circuito;
dici :In sostanza dovrebbe venire fuori che R1 ed R2 dovrebbero essere uguali alle resistenze del partitore che coinvolgerà il tuo segnale (probabilmente in condizione di serbatoio pieno)
quindi da 70 ohm ciascuna ?
e la tensione di forward ? non c'è un valore standard, pressapoco...... i led non usero quelli ad alta luminosità ma quelli piccoli,circa 10 - 15 mA,
io vorrei usare la tensione più alta (7812) ,così avrei (credo) una misura il più precisa possibile anzi che i soli 5 volt
o mi sbaglio
0
voti
pino81 ha scritto:quindi da 70 ohm ciascuna ?
insomma, se metti un partitore da 70+70 =140 Ohm sotto 12V ti scorre una corrente continuamente di quasi 100mA. io forse metterei in serie al sensore almeno 500 Ohm.
A quel punto R1 ed R2, fatti 2 conti (vedi datasheet), ma probabilmente ti verranno 70 e 500 Ohm. Poi se fai dei test alla fine è anche meglio.
pino81 ha scritto:e la tensione di forward ? non c'è un valore standard, pressapoco
dipende dal colore. Comunque per il verde va bene 2V. Rosso invece siamo piu' vicino a 1.7-1.8.
https://it.wikipedia.org/wiki/LED
pino81 ha scritto:7812
per usare un 7812 come minimo devi partire da 15V, che non hai
pino81 ha scritto:io vorrei usare la tensione più alta (7812) ,così avrei (credo) una misura il più precisa possibile anzi che i soli 5 volt
o mi sbaglio
non cambia nulla. E poi parli di precisione per una cosa che alla prima curva/buca raddoppia il livello di carburante?
0
voti
12 volt da spento,ma quando è a moto,l'alternatore dovrebbe arrivarci circa a 14 volt,poi il modo di stabilizzarlo lo devo trovare per forza,altrimenti tra le onde avrei una traccia dance
più che una spia carburante,comunque proverò quei valori di r1 r2 e tensione ai led che dici,
ti farò sapere..
più che una spia carburante,comunque proverò quei valori di r1 r2 e tensione ai led che dici,ti farò sapere..
25 messaggi
• Pagina 3 di 3 • 1, 2, 3
Torna a Elettrotecnica generale
Chi c’è in linea
Visitano il forum: Nessuno e 17 ospiti

Elettrotecnica e non solo (admin)
Un gatto tra gli elettroni (IsidoroKZ)
Esperienza e simulazioni (g.schgor)
Moleskine di un idraulico (RenzoDF)
Il Blog di ElectroYou (webmaster)
Idee microcontrollate (TardoFreak)
PICcoli grandi PICMicro (Paolino)
Il blog elettrico di carloc (carloc)
DirtEYblooog (dirtydeeds)
Di tutto... un po' (jordan20)
AK47 (lillo)
Esperienze elettroniche (marco438)
Telecomunicazioni musicali (clavicordo)
Automazione ed Elettronica (gustavo)
Direttive per la sicurezza (ErnestoCappelletti)
EYnfo dall'Alaska (mir)
Apriamo il quadro! (attilio)
H7-25 (asdf)
Passione Elettrica (massimob)
Elettroni a spasso (guidob)
Bloguerra (guerra)





