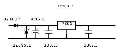
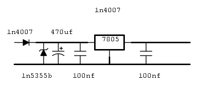
I condensatori all'uscita dei regolatori negativi e dei low drop out spesso devono essere proprio quelli indicati per stabilita`, e gli altri, che piu` o meno inevitabilmente ci sono si spera che diano troppi problemi. Per i regolatori positivi invece per condensatori soliti non ci sono problemi di instabilita`, ma se i condensatori sono molto buoni (ad esempio film plastico grandi, con bassa ESR), potrebbe essere ridotto il margine di fase del regolatore.
Se trovi che cosa avevo detto cerco di capire a che cosa mi riferivo.

Elettrotecnica e non solo (admin)
Un gatto tra gli elettroni (IsidoroKZ)
Esperienza e simulazioni (g.schgor)
Moleskine di un idraulico (RenzoDF)
Il Blog di ElectroYou (webmaster)
Idee microcontrollate (TardoFreak)
PICcoli grandi PICMicro (Paolino)
Il blog elettrico di carloc (carloc)
DirtEYblooog (dirtydeeds)
Di tutto... un po' (jordan20)
AK47 (lillo)
Esperienze elettroniche (marco438)
Telecomunicazioni musicali (clavicordo)
Automazione ed Elettronica (gustavo)
Direttive per la sicurezza (ErnestoCappelletti)
EYnfo dall'Alaska (mir)
Apriamo il quadro! (attilio)
H7-25 (asdf)
Passione Elettrica (massimob)
Elettroni a spasso (guidob)
Bloguerra (guerra)









