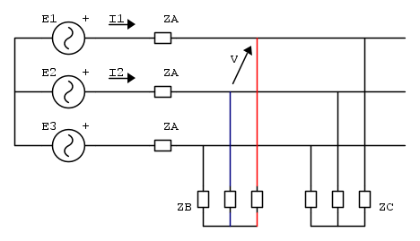
Questo e' il tuo circuito
Hai calcolato la corrente

(indicata come I nel testo del tuo esercizio), ponendo

.
Date le ipotesi riportate nel testo dell'esercizio e la tua scelta arbitraria su E1, possiamo scrivere

Questo significa che

poiche' i tre schemi monofasi sono identici a parte lo sfasamento relativo delle tensioni di alimentazioni e quindi delle correnti. Ci siamo?
Il testo ti chiede di calcolare il seguente modulo

ove V1 e' la tensione presente ai capi del ramo in rosso (la tensione dei carichi in parallelo a valle della ZA nel tuo schema equivalente monofase).
La V2 e' la tensione ai capi del ramo in blu.
Calcoliamo V1

Il risultato e' immediato in quanto hai tutti i dati e calcoli preliminari riportati nella tua immagine iniziale.
Calcoliamo V2


Calcoliamo V in termini di fasore

In pratica ti basta calcolare V1 in quanto V2 e' identica a V1 a meno del fattore di fase.
Chiaro?
P.S.
Considerando le ipotesi sul sistema trifase, la tensione richiesta puo' essere calcolata anche in questo modo:

evitando tutti i conti intermedi, anche se immediati.