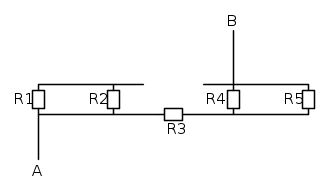
perché il libro mi dice che la resistenza equivalente vista ai morsetti A-B è
e non considera anche
e
.Grazie
Moderatori:
g.schgor,
IsidoroKZ
e non considera anche
e
.

Torna a Elettrotecnica generale
Visitano il forum: Nessuno e 37 ospiti