Ti basta eliminare il relè da 6 V (che non è altro che un "turbo automatico") e mettere un interruttore al posto del contatto del relè:
Soft start motore elettrico- help-
Moderatori:
g.schgor,
IsidoroKZ
36 messaggi
• Pagina 4 di 4 • 1, 2, 3, 4
0
voti
Big fan of ⋮ƎlectroYou! Ausili per disabili e anziani su ⋮ƎlectroYou
Caratteri utili: À È É Ì Ò Ó Ù α β γ δ ε η θ λ μ π ρ σ τ φ ω Ω º ª ² ³ √ ∛ ∜ ₀ ₁ ₂ ₃ ₄ ₅ ₆ ∃ ∄ ∆ ∈ ∉ ± ∓ ∾ ≃ ≈ ≠ ≤ ≥
Caratteri utili: À È É Ì Ò Ó Ù α β γ δ ε η θ λ μ π ρ σ τ φ ω Ω º ª ² ³ √ ∛ ∜ ₀ ₁ ₂ ₃ ₄ ₅ ₆ ∃ ∄ ∆ ∈ ∉ ± ∓ ∾ ≃ ≈ ≠ ≤ ≥
0
voti
A mio parere il fatto di aver aumentato la batteria a 12v ha sicuramente reso l'auto più performante (sei fortunato che il motore ha retto) ma sollecita la meccanica in modo eccessivo (come già hanno detto)
soluzione:
http://www.crtelettronica.it/dettagli.php?product_id=346&PHPSESSID=221d26536da06ef892e1ed5bfa958aa8
al perno del potenziometro colleghi una leva da spingere in avanti per partire e tirare indietro per fermare
le posizioni intermedie fanno procedere l'auto più piano
oppure un sistema (sempre comandato a leva) con un commutatore rotativo e delle resistenze in serie (da usare al posto del potenziometro nel regolatore), così la macchina avrebbe delle vere e proprie marce (ricordo che nel trike elettrico di mio figlio misi anche un doppio deviatore con funzione di marcia avanti/indietro)
in alternativa per mantenere le prestazioni e non rompere gli ingranaggi (che presumo con la batteria a 6v non dessero problemi) potresti usarne due (da 6v) in serie in modo da avviare il motore a 6 volt e poi passare a 12v (come se ci fosse un cambio)
se hai ancora la vecchia batteria a 6v potresti metere un commutatore e partire con quella a 6v per poi commutare a 12v
ma le vedo come cose un po' complicate per una bimba di 4 anni
probabilmente un soft start con un mosfet potrebbe risolverti il problema
K
soluzione:
http://www.crtelettronica.it/dettagli.php?product_id=346&PHPSESSID=221d26536da06ef892e1ed5bfa958aa8
al perno del potenziometro colleghi una leva da spingere in avanti per partire e tirare indietro per fermare
le posizioni intermedie fanno procedere l'auto più piano
oppure un sistema (sempre comandato a leva) con un commutatore rotativo e delle resistenze in serie (da usare al posto del potenziometro nel regolatore), così la macchina avrebbe delle vere e proprie marce (ricordo che nel trike elettrico di mio figlio misi anche un doppio deviatore con funzione di marcia avanti/indietro)
in alternativa per mantenere le prestazioni e non rompere gli ingranaggi (che presumo con la batteria a 6v non dessero problemi) potresti usarne due (da 6v) in serie in modo da avviare il motore a 6 volt e poi passare a 12v (come se ci fosse un cambio)
se hai ancora la vecchia batteria a 6v potresti metere un commutatore e partire con quella a 6v per poi commutare a 12v
ma le vedo come cose un po' complicate per una bimba di 4 anni
probabilmente un soft start con un mosfet potrebbe risolverti il problema
K
-

Kagliostro
6.396 4 5 7 - Master

- Messaggi: 4831
- Iscritto il: 19 set 2012, 11:32
0
voti
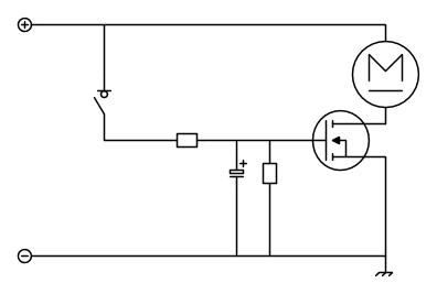
Un circuito come questo
dovrebbe fare quello che ti serve
in pratica il mosfet lascia passare la tensione in modo graduale (evitando lo "strappo" iniziale) in quanto la sua massima conduzione avviene a condensatore completamente carico, regolando il valore delle resistenze decidi la rampa con la quale avviene il passaggio della massima tensione
ai più pratici con i circuiti allo stato solido il perfezionare la cosa indicando i valori dei componenti
K
dovrebbe fare quello che ti serve
in pratica il mosfet lascia passare la tensione in modo graduale (evitando lo "strappo" iniziale) in quanto la sua massima conduzione avviene a condensatore completamente carico, regolando il valore delle resistenze decidi la rampa con la quale avviene il passaggio della massima tensione
ai più pratici con i circuiti allo stato solido il perfezionare la cosa indicando i valori dei componenti
K
-

Kagliostro
6.396 4 5 7 - Master

- Messaggi: 4831
- Iscritto il: 19 set 2012, 11:32
0
voti
Eliminata citazione inutile e senza risposta del precedente messaggio.
Usa il tasto RISPONDI e non cita.
Usa il tasto RISPONDI e non cita.
0
voti
(pensa che è stata un 'idea di mia figlia 4 anni )
figlia = bimba (o no ?)
per il mosfet so che di solito per questa applicazione si usano mosfet canale N ed è per questo che dai simboli di Fidocad ho preso ed usato quello di un mosfet canale N (ma probabilmente anche un altro tipo di transistor potrebbe risolvere, basta che possa sopportare la tensione e la corrente del circuito)
ma, ripeto, non sono un esperto di circuiti SS
avere la batteria da 6v e quella da 12v (o due da 6v), spazio permettendo, potrebbe essere una soluzione al problema in quanto usando un commutatore si potrebbe passare da una "potenza" all'altra senza dover dissipare energia sotto forma di calore
Ciao
K
p.s.: mi pare che ai moderatori non piaccia molto che si citino interi post se non strettamente necessario, meglio citare solo lo stretto indispensabile per non occupare inutilmente spazio e non allungare troppo i tread
-

Kagliostro
6.396 4 5 7 - Master

- Messaggi: 4831
- Iscritto il: 19 set 2012, 11:32
0
voti
Grazie K
la frase contenente Bimba l'ha scritta un altro utente
scusate per il post precedente
la frase contenente Bimba l'ha scritta un altro utente
scusate per il post precedente
36 messaggi
• Pagina 4 di 4 • 1, 2, 3, 4
Torna a Elettrotecnica generale
Chi c’è in linea
Visitano il forum: Nessuno e 58 ospiti

Elettrotecnica e non solo (admin)
Un gatto tra gli elettroni (IsidoroKZ)
Esperienza e simulazioni (g.schgor)
Moleskine di un idraulico (RenzoDF)
Il Blog di ElectroYou (webmaster)
Idee microcontrollate (TardoFreak)
PICcoli grandi PICMicro (Paolino)
Il blog elettrico di carloc (carloc)
DirtEYblooog (dirtydeeds)
Di tutto... un po' (jordan20)
AK47 (lillo)
Esperienze elettroniche (marco438)
Telecomunicazioni musicali (clavicordo)
Automazione ed Elettronica (gustavo)
Direttive per la sicurezza (ErnestoCappelletti)
EYnfo dall'Alaska (mir)
Apriamo il quadro! (attilio)
H7-25 (asdf)
Passione Elettrica (massimob)
Elettroni a spasso (guidob)
Bloguerra (guerra)



