Gurdjeff ha scritto:ops scusami è l'abitudine...la seconda (che sarebbe meglio chiamare
)
Siamo sicuri
Moderatori:
g.schgor,
IsidoroKZ
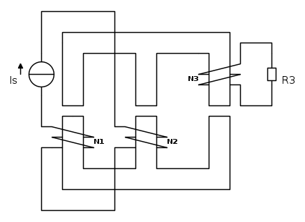
Gurdjeff ha scritto:... Ora vorrei chiedervi: ma l'induttore 2 (non essendo collegato a nulla) in questo problema ha qualche rilevanza? Non sembrerebbe proprio... o mi sbaglio?...
... è una strada percorribile? (Scusate davvero, ma sulla rete non riesco a trovare esercizi svolti simili a questi)Gurdjeff ha scritto:... L'unica idea che mi viene in mente per fare ciò senza l'uso delle equazioni di 3 induttori accoppiati, è quella di considerare i primi due induttori come un unico induttore (serie equiversa)... è una strada percorribile?
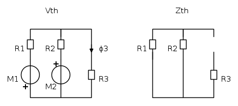
; ω
π);
Ohm
sulla sorgente 
erogata da 
e
viste da


ω
ϕ3
ω


Gurdjeff ha scritto:Ho un altro esercizio molto simile: ... vorrei imparare a risolvere questi problemi con i metodi "classici"...

Gurdjeff ha scritto:Innanzitutto ti ringrazio per la pazienza... non era mia intenzione lasciare l'esercizio a metà... il problema è che non essendoci tale richiesta nel problema iniziale non dispongo dei risultati...
Torna a Elettrotecnica generale
Visitano il forum: Nessuno e 42 ospiti