tipu91 ha scritto:... alla fine mi sono solo impantanato
Sui calcoli? ... cerco di indovinare ... sulla rappresentazione fasoriale dei generatori?
------------------------------------------------------------------------
Edit 18:00
... io farei in questo modo; userei solo due generatori per imporre la terna dissimmetrica,
scegliendo U12 a fase zero, calcolando l'argomento alfa di U32 con Carnot ed usando Millman per la Up2; non mi va di perdere tempo con Latex (e quindi mi merito dei sacrosanti punti negativi) ma mi faccio aiutare dall'inseparabile SpeQ ; ecco i veloci calcoli, tutti da ricontrollare
--------------------------------------------------------------------------------------
Edit 18:30
... ... e visto che tu sei un utilizzatore di Scilab, ho appena controllato i calcoli con il mio vecchio script
http://www.electroyou.it/renzodf/wiki/articolo3
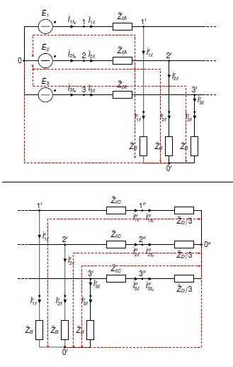
inserendo i dati della rete, dopo aver numerato i nodi come segue
- Codice: Seleziona tutto
//-----------------------------------------------------------
// Copyright RenzoDF 2008
//-------------------------------------------------------------
format('v',6); j=%i; k0=%pi/180;
//-------- cartesiana --> polare ----------
function[mf]=cp(c)
mf=[abs(c),phasemag(c)];
endfunction
//------ polare --> cartesiana ------------
function [c] = PC(m,f)
if argn(2) == 1 then
c = m(:,1:2:$).*cos(m(:,2:2:$)*k0) + j*m(:,1:2:$).*sin(m(:,2:2:$)*k0);
elseif argn(2) == 2 then c = m.*cos(f*k0) + j*m.*sin(f*k0);
end
endfunction
//--------------------------------------------------------
// INSERIRE gli elementi dei rami della rete
// secondo l'ordine indicato nel commento
m=[...
//-----nodo-------generatore-------impedenza----generatore---
// inizio| fine | tensione (o resistenza) corrente
// q | w | E | Z | J |
//-------------------------------------------------------------
1 2 PC(465,0) 0 0 ;
1 3 PC(445,62.147) 0 0 ;
2 4 0 0.15+j*0.11 0 ;
1 5 0 0.15+j*0.2 0 ;
3 6 0 0.15+j*0.15 0 ;
4 7 0 5+j*7 0 ;
5 7 0 5+j*7 0 ;
6 7 0 5+j*7 0 ;
4 9 0 1.429+j*2.474 0 ;
5 9 0 1.429+j*2.474 0 ;
6 9 0 1.429+j*2.474 0 ;
4 8 0 6+j*5.5 0 ;
5 8 0 6+j*5.5 0 ;
6 8 0 6+j*5.5 0
];
//-----------------------------------------------------------
// estraggo sottomatrice (1^ e 2^ colonna di m)
y= real(m(:,1:2));
// determino "numero di nodi"
nn=max(y);
// determino "numero di rami" (righe matrice m)
nr=size(m,1);
//-----------------------------------------------
s=0;
for i=1 : nr
// se J==0 e Z==0 incremento n.rami anomali
if m(i,5) == 0 then s= s + 1 ;
end
end; neq=nn+s ; // faccio spazio in A() e b()
//-----------------------------------------------
// azzero coefficienti,termini noti,correnti di ramo
A=zeros(neq,neq); b=zeros(neq,1); I=zeros(nr,1);
//
// costruisco matrice A() e vettore b()
r = 1;
for k=1 : nr
q=y(k,1); w=y(k,2); E=m(k,3); Z=m(k,4); J=m(k,5);
if J<>0 then
b(q)=b(q)+J;
b(w)=b(w)-J;
elseif Z<>0 then // se J==0 e Z<>0
A(q,q)=A(q,q)-1/Z;
A(w,w)=A(w,w)-1/Z;
A(q,w)=A(q,w)+1/Z;
A(w,q)=A(w,q)+1/Z;
b(q)=b(q)+ E/Z;
b(w)=b(w)- E/Z;
else // se J==0 e Z==0
A(nn+r,q)=-1; //-Vi
A(nn+r,w)=+1; //+Vf
b(nn+r) = E; // = E
A(q,nn+r)=-1; // -Ik
A(w,nn+r)=+1; // +Ik
r=r+1;
end
end
// per comodita' pongo V(1) = 0
// nodo n°1=nodo di riferimento
// ed elimino 1^riga e 1^colonna
A2=A([2:$],[2:$]); b2=b([2:$],1);
V2 = A2\b2; // calcolo V(2)...V(nn)
V =[0;V2] // aggiungo V(1)=0
//--------------------------------------> out V()
// Calcolo le correnti nei rami con verso
// da "nodo inizio" a -> "nodo fine"
r=1;
for k=1:nr
q=y(k,1); w=y(k,2); E=m(k,3); Z=m(k,4); J=m(k,5);
if J<>0 then I(k)= J;
elseif Z<>0 then I(k)=((V(q)-V(w))+ E)/Z;
// se Z<>0 uso legge Ohm generalizzata
else I(k)=V(nn+r);//se Z=0 pesco I dal fondo di V()
r=r+1;
end
end
//-------OUT correnti di ramo--------------
Ic = I
//-------------------------------------------- eof
una volta mandato in run, per avere la corrente basta un I + Enter e un V + Enter per ottenere correnti
e tensioni di ramo
ed infine un
- Codice: Seleziona tutto
Sg=V(2)*conj(I(1))+V(3)*conj(I(2))
e un
- Codice: Seleziona tutto
Su=(V(4)-V(9))*conj(I(9))+(V(5)-V(9))*conj(I(10))+(V(6)-V(9))*conj(I(11))
per ottenere potenza complessa erogata dai generatori e assorbita dal carico B

Elettrotecnica e non solo (admin)
Un gatto tra gli elettroni (IsidoroKZ)
Esperienza e simulazioni (g.schgor)
Moleskine di un idraulico (RenzoDF)
Il Blog di ElectroYou (webmaster)
Idee microcontrollate (TardoFreak)
PICcoli grandi PICMicro (Paolino)
Il blog elettrico di carloc (carloc)
DirtEYblooog (dirtydeeds)
Di tutto... un po' (jordan20)
AK47 (lillo)
Esperienze elettroniche (marco438)
Telecomunicazioni musicali (clavicordo)
Automazione ed Elettronica (gustavo)
Direttive per la sicurezza (ErnestoCappelletti)
EYnfo dall'Alaska (mir)
Apriamo il quadro! (attilio)
H7-25 (asdf)
Passione Elettrica (massimob)
Elettroni a spasso (guidob)
Bloguerra (guerra)














