Seguendo quanto detto da
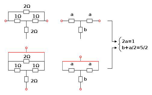
A questo punto, sapendo che nella porta 1 la corrente è nulla, e sapendo che tu imponi una corrente entrante nella porta 2, puoi calcolare come si ripartisce la corrente tra i due rami, il primo costituito da (Ra+Rd) e l'altro costituito da Rc. A quel punto calcolare la tensione sulla porta 1 è immediato.
Alternativa: se ti viene più naturale, puoi ragionare sdoppiando in due passaggi il problema e ragionando secondo partitori di tensione; calcoli prima l'equivalente di (Ra+Rd)//Rc e calcoli la tensione del partitore costituito da questo gruppo ed Rb (tensione su Rb); poi avendo la tensione ai capi del partitore costituito da Ra ed Rd, calcoli la tensione su Ra; a quel punto puoi ricavare la tensione alla porta 1.
Ti ripeto, quando hai dubbi ragiona sempre sul circuito originale, cercando di "vedere" come puoi raggruppare gli elementi, ma stando attento a non fare supposizioni errate.
Ciao
PSQ

Elettrotecnica e non solo (admin)
Un gatto tra gli elettroni (IsidoroKZ)
Esperienza e simulazioni (g.schgor)
Moleskine di un idraulico (RenzoDF)
Il Blog di ElectroYou (webmaster)
Idee microcontrollate (TardoFreak)
PICcoli grandi PICMicro (Paolino)
Il blog elettrico di carloc (carloc)
DirtEYblooog (dirtydeeds)
Di tutto... un po' (jordan20)
AK47 (lillo)
Esperienze elettroniche (marco438)
Telecomunicazioni musicali (clavicordo)
Automazione ed Elettronica (gustavo)
Direttive per la sicurezza (ErnestoCappelletti)
EYnfo dall'Alaska (mir)
Apriamo il quadro! (attilio)
H7-25 (asdf)
Passione Elettrica (massimob)
Elettroni a spasso (guidob)
Bloguerra (guerra)




