
Che dire? Solo grazie da parte mia e di chi leggerà questa discussione (e qualche migliaia di altre). Spero di non averle fatto perdere troppo tempo, ma del resto i professori servono a questo, quindi le tocca
Moderatori:
g.schgor,
IsidoroKZ


Stokes ha scritto:...l'esempio che avevo fatto del BJT con una corrente di base forzata era mirato proprio a sottolineare questo aspetto...



![V_o = [I_i_n - (\beta+1)i_b]\cdot R_c V_o = [I_i_n - (\beta+1)i_b]\cdot R_c](/forum/latexrender/pictures/67cf3e8a2ff4e93c80ff11e9a2bf470e.png)
![R_c[1-\frac{(\beta+1)(R_c+R_f)}{R_\pi + R_f + (\beta+1)(R_c + R_e)}] R_c[1-\frac{(\beta+1)(R_c+R_f)}{R_\pi + R_f + (\beta+1)(R_c + R_e)}]](/forum/latexrender/pictures/42131d4e3327d9216e2aa80c21f33abe.png)
e per il contributo della corrente di ingresso si ha
e quindi sommando i due contributi 
e poi
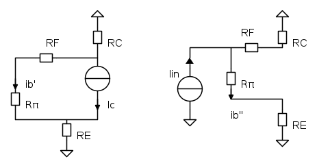
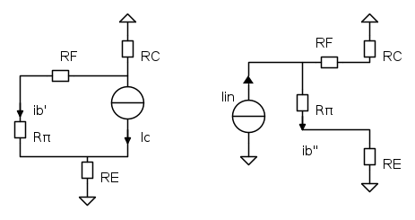
e questa e` la sovrapposizione degli effetti. Alla fine ci si ricorda che
si aggiunge questo vincolo e si ha la soluzione, che viene "complicata" in forma analitica perche' quello e` un circuito complicato, con due retroazioni. IsidoroKZ ha scritto:In pratica ho scrittoe poi
e questa e` la sovrapposizione degli effetti.
; ma
e quindi 

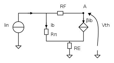
![V_o = V_T_h \frac{R_c}{R_c + R_T_h} = \frac{R_c[(\beta +1)R_e + R_\pi - \beta R_f]}{(\beta +1)(R_c + R_e) +R_f + R_\pi} V_o = V_T_h \frac{R_c}{R_c + R_T_h} = \frac{R_c[(\beta +1)R_e + R_\pi - \beta R_f]}{(\beta +1)(R_c + R_e) +R_f + R_\pi}](/forum/latexrender/pictures/3c293bbb0d00774a70e8a6d7c2a9906c.png)
Stokes ha scritto: l'importante non è la coerenza del procedimento con quanto effettivamente avviene in pratica, ma la coerenza dei risultati.
Torna a Elettrotecnica generale
Visitano il forum: Nessuno e 17 ospiti