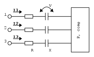
Tensione di fase : rete trifase con carico
Moderatori:
g.schgor,
IsidoroKZ
0
voti
Come va?
Il Conte di Montecristo
Se non studio un giorno, me ne accorgo io. Se non studio due giorni, se ne accorge il pubblico.
Io devo studiare sodo e preparare me stesso perché prima o poi verrà il mio momento.
Abraham Lincoln
Se non studio un giorno, me ne accorgo io. Se non studio due giorni, se ne accorge il pubblico.
Io devo studiare sodo e preparare me stesso perché prima o poi verrà il mio momento.
Abraham Lincoln
-

EdmondDantes
11,9k 8 11 13 - Disattivato su sua richiesta
- Messaggi: 3619
- Iscritto il: 25 lug 2009, 22:18
- Località: Marsiglia
0
voti
EdmondDantes ha scritto:Come va?
Edmond,
a mente lucida ho analizzato tutta la conversazione e ho comprese le mie perplessità.
Io ho calcolato la corrente di fase
.Detta corrente , facendo l'ipotesi di carico collegato a stella, equivale alla corrente di linea
.Facendo queste premesse, dalla formula di
Ricavo la tensione concatenata
Questa tensione è quella che sta ai capi del carico di potenza

Per ricavare la tensione ai capi dei morsetti 1-2 , posso applicare il giro alla maglia 1-carico-2 ?
Potrei altresì dividere la concatenata ai capi del carico per la radice di 3 ed ottenere la tensione di fase ai capi del carico, per poi sommarvi la caduta di tensione sull'impedenza R-jX ? in questo modo, otterrei la tensione di fase 1-neutro e potrei moltiplicare tale tensione per la radice di 3 ottenendo la concatenata tra i morsetti 1 e 2.
Ciao
-

iissmottura
10 1 4 - New entry

- Messaggi: 57
- Iscritto il: 13 ago 2012, 16:32
3
voti
Mi sembra che il problema possa essere semplificato così:
partendo dalla corrente di linea
,
la tensione di fase è:

dove Rfm e Xfm sono l'equivalente del motore
ricavabili da
e
(per fase)
partendo dalla corrente di linea
, la tensione di fase è:

dove Rfm e Xfm sono l'equivalente del motore
ricavabili da
e
(per fase)2
voti
iissmottura ha scritto:Io ho calcolato la corrente di fase I.
Detta corrente , facendo l'ipotesi di carico collegato a stella, equivale alla corrente di linea J.
La terminologia e' importante per non incorrere in errori.
I fasori
,
e
individuano la terna delle correnti di linea (non di fase).Vedi la rete trifase seguente
Se consideri un carico equivalente a stella, allora la corrente della fase interna del carico coincide con la relativa corrente di linea.
Non sono sciocchezze o correzioni da puntigliosi: sono particolari che possono indurti in errore. Stai attento.
Per quanto riguarda la metodologia da adottare, io ti consiglio di provarle tutte, compresa quella di
P.S.
La moltiplicazione si scrive con il simbolo
- Codice: Seleziona tutto
\times
- Codice: Seleziona tutto
\ast
Nel caso in oggetto puoi omettere del tutto il simbolo.
Il Conte di Montecristo
Se non studio un giorno, me ne accorgo io. Se non studio due giorni, se ne accorge il pubblico.
Io devo studiare sodo e preparare me stesso perché prima o poi verrà il mio momento.
Abraham Lincoln
Se non studio un giorno, me ne accorgo io. Se non studio due giorni, se ne accorge il pubblico.
Io devo studiare sodo e preparare me stesso perché prima o poi verrà il mio momento.
Abraham Lincoln
-

EdmondDantes
11,9k 8 11 13 - Disattivato su sua richiesta
- Messaggi: 3619
- Iscritto il: 25 lug 2009, 22:18
- Località: Marsiglia
0
voti
Grazie a tutti, mi eserciterò con le varie metodologie e vi farò sapere.
-

iissmottura
10 1 4 - New entry

- Messaggi: 57
- Iscritto il: 13 ago 2012, 16:32
0
voti
I conti tornano o sono ancora in ferie

Il Conte di Montecristo
Se non studio un giorno, me ne accorgo io. Se non studio due giorni, se ne accorge il pubblico.
Io devo studiare sodo e preparare me stesso perché prima o poi verrà il mio momento.
Abraham Lincoln
Se non studio un giorno, me ne accorgo io. Se non studio due giorni, se ne accorge il pubblico.
Io devo studiare sodo e preparare me stesso perché prima o poi verrà il mio momento.
Abraham Lincoln
-

EdmondDantes
11,9k 8 11 13 - Disattivato su sua richiesta
- Messaggi: 3619
- Iscritto il: 25 lug 2009, 22:18
- Località: Marsiglia
0
voti
EdmondDantes ha scritto:I conti tornano o sono ancora in ferie![]()
Ho passato il pomeriggio a ripassare alcuni argomenti ed a testare la mia soluzione per vedere s efosse compatibile con quella gentilmente fornita da
Adottando il mio metodo:




per eseguire la somma tra questa tensione e quella ai capi dell'impedenza di linea , al fine di trovare la tensione concatenata ai morsetti 1 - 2, devo esprimere la tensione 811 V in forma vettoriale:

che vale, in modulo,

per ottenere la tensione di linea ai morsetti 1-2, moltiplico per la radice di 3 ottenendo 1283.4V
questo valore è simile a quello trovato da
-

iissmottura
10 1 4 - New entry

- Messaggi: 57
- Iscritto il: 13 ago 2012, 16:32
0
voti
EdmondDantes ha scritto:iissmottura ha scritto:Ho modificato il post precedente inserendo lo svolgimento.iissmottura ha scritto:e proseguo come detto prima
Sai quante persone ho visto cadere mentre ripercorrevano la stessa strada?![]()
Come da post [26].
La
, come l'hai chiamata tu, e' gia' un modulo... Il Conte di Montecristo
Se non studio un giorno, me ne accorgo io. Se non studio due giorni, se ne accorge il pubblico.
Io devo studiare sodo e preparare me stesso perché prima o poi verrà il mio momento.
Abraham Lincoln
Se non studio un giorno, me ne accorgo io. Se non studio due giorni, se ne accorge il pubblico.
Io devo studiare sodo e preparare me stesso perché prima o poi verrà il mio momento.
Abraham Lincoln
-

EdmondDantes
11,9k 8 11 13 - Disattivato su sua richiesta
- Messaggi: 3619
- Iscritto il: 25 lug 2009, 22:18
- Località: Marsiglia
0
voti
EdmondDantes ha scritto:
La, come l'hai chiamata tu, e' gia' un modulo...
pardon, la
che, sommata alla caduta di tensione sull'impedenza di linea
,vale appunto 521-j527.una svista
-

iissmottura
10 1 4 - New entry

- Messaggi: 57
- Iscritto il: 13 ago 2012, 16:32
Torna a Elettrotecnica generale
Chi c’è in linea
Visitano il forum: Nessuno e 102 ospiti

Elettrotecnica e non solo (admin)
Un gatto tra gli elettroni (IsidoroKZ)
Esperienza e simulazioni (g.schgor)
Moleskine di un idraulico (RenzoDF)
Il Blog di ElectroYou (webmaster)
Idee microcontrollate (TardoFreak)
PICcoli grandi PICMicro (Paolino)
Il blog elettrico di carloc (carloc)
DirtEYblooog (dirtydeeds)
Di tutto... un po' (jordan20)
AK47 (lillo)
Esperienze elettroniche (marco438)
Telecomunicazioni musicali (clavicordo)
Automazione ed Elettronica (gustavo)
Direttive per la sicurezza (ErnestoCappelletti)
EYnfo dall'Alaska (mir)
Apriamo il quadro! (attilio)
H7-25 (asdf)
Passione Elettrica (massimob)
Elettroni a spasso (guidob)
Bloguerra (guerra)






, da cui 