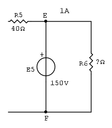
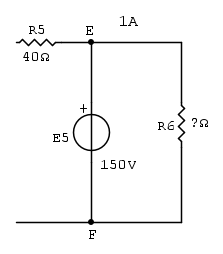
Molti di noi avranno pur studiato in analisi 1 come ottenere la soluzione di una equazione lineare a 2 incognite.
Molti di noi avranno pur studiato in analisi 1 come ottenere la soluzione di una equazione lineare a 2 incognite.
Ecco appunto tu forse eri assente quando le hanno spiegate
L'unica soluzione possibile è quella che predica PietroBaima dall'inizo:
Puoi esprimere un'incognita in funzione dell'altra fare delle considerazioni su come varia la potenza erogata dal generatore in funzione della varaiabile "libera" ma dare un risultato uniovco no
Se non vuoi fidarti di PietroBaima fidati di me ...ma non so se fai una buona scelta.

Elettrotecnica e non solo (admin)
Un gatto tra gli elettroni (IsidoroKZ)
Esperienza e simulazioni (g.schgor)
Moleskine di un idraulico (RenzoDF)
Il Blog di ElectroYou (webmaster)
Idee microcontrollate (TardoFreak)
PICcoli grandi PICMicro (Paolino)
Il blog elettrico di carloc (carloc)
DirtEYblooog (dirtydeeds)
Di tutto... un po' (jordan20)
AK47 (lillo)
Esperienze elettroniche (marco438)
Telecomunicazioni musicali (clavicordo)
Automazione ed Elettronica (gustavo)
Direttive per la sicurezza (ErnestoCappelletti)
EYnfo dall'Alaska (mir)
Apriamo il quadro! (attilio)
H7-25 (asdf)
Passione Elettrica (massimob)
Elettroni a spasso (guidob)
Bloguerra (guerra)








