ciao Boiler,
nemmeno aumentando la capacità dei condensatori? Con un condensatore da 220 nF e una frequenza di 10 kHz dovrebbe essere di circa 1.1 mA. Con 470 nf dovrebbe essere in grado di sopportare 2,35 mA, potrebbe diminuire il ripple in questo caso?
Volendo, aumentando la frequenza di oscillazione, potrebbe migliorare ancora qualcosa?
Con un carico di 100 microampere come serve a Sediciampere e un condensatore da 470 nF alla frequenza di 10 kHz, il ripple in uscita dovrebbe essere di circa 21mV applicando la formula Ripple = I : f x C
Step-up 9 V => 500 V bassa corrente
Moderatori:
g.schgor,
IsidoroKZ
42 messaggi
• Pagina 4 di 5 • 1, 2, 3, 4, 5
0
voti
Certo, alte frequenze e condensatori grandi aiutano, ma ho cercato velocemente la formula per la caduta di tensione e parrebbe essere

Se inseriamo i valori che proponevi (470 nF, 10 kHz, 0.1 mA, 17 stadi) otteniamo 72 V, non poco.
Inoltre aumentando la frequenza diventano critiche le carattestiche dei diodi usati.
Boiler

Se inseriamo i valori che proponevi (470 nF, 10 kHz, 0.1 mA, 17 stadi) otteniamo 72 V, non poco.
Inoltre aumentando la frequenza diventano critiche le carattestiche dei diodi usati.
Boiler
0
voti
Si, ho rivisto la formula completa per il numero di stadi e è quella che hai postata tu.
Quella che ho postato io non era per il sistema ma solo per uno stadio, per questo il valore veniva cosi basso.
Si potrebbero utilizzare degli schottky ed alzare la frequenza fin tanto che regge il Sg3525, fino 150KHz mi sembra.
Così facendo, Vdrop dovrebbe essere 4,8 volt circa
I condensatori poliestere dovrebbero reggere quella frequenza.
( mi scuso con l'autore del post, non voglio forzare questo sistema, voglio solo capire se possa eentualmente funzionare, per mia conoscenza e di qualche altro lettore..... soprattutto nei suoi limiti reali )
Ovviamente ringrazio Boiler per le delucidazioni
Quella che ho postato io non era per il sistema ma solo per uno stadio, per questo il valore veniva cosi basso.
Si potrebbero utilizzare degli schottky ed alzare la frequenza fin tanto che regge il Sg3525, fino 150KHz mi sembra.
Così facendo, Vdrop dovrebbe essere 4,8 volt circa
I condensatori poliestere dovrebbero reggere quella frequenza.
( mi scuso con l'autore del post, non voglio forzare questo sistema, voglio solo capire se possa eentualmente funzionare, per mia conoscenza e di qualche altro lettore..... soprattutto nei suoi limiti reali )
Ovviamente ringrazio Boiler per le delucidazioni
-

Superfelix
180 2 8 - Stabilizzato

- Messaggi: 342
- Iscritto il: 7 dic 2024, 23:34
0
voti
Nessun problema, ben vengano suggerimenti e soluzioni diverse dalla mia
-

SediciAmpere
4.187 5 5 8 - Master

- Messaggi: 4847
- Iscritto il: 31 ott 2013, 15:00
0
voti
per me la soluzione boost è valida, e relativamente semplice, ne ho fatto per potenze ben piu alte, da 350/400V anche partendo da tensioni di 12V. Certo che alimentando da una pila potrebbe dare rogne.
Il problema maggiore lo troverei nella stabilizzazione/limitazione della tensione elevata di uscita, sempre che sia sufficicente un valore approssimativo.
saluti.
Il problema maggiore lo troverei nella stabilizzazione/limitazione della tensione elevata di uscita, sempre che sia sufficicente un valore approssimativo.
saluti.
-

lelerelele
4.899 3 7 9 - Master

- Messaggi: 5505
- Iscritto il: 8 giu 2011, 8:57
- Località: Reggio Emilia
0
voti
Partendo dal circuito di un flash "usa e getta" (ce ne sono tanti) modificando il primario per farlo lavorare con i 9V (perche' cosi com'e' e' pensato per 1.5V), e con due sole coppie diodo/condensatore, si dovrebbe ottenere facilmente una tensione di 500 e piu volt 
"Sopravvivere" e' attualmente l'unico lusso che la maggior parte dei Cittadini italiani,
sia pure a costo di enormi sacrifici, riesce ancora a permettersi.
sia pure a costo di enormi sacrifici, riesce ancora a permettersi.
-

Etemenanki
9.517 3 6 10 - Master

- Messaggi: 5940
- Iscritto il: 2 apr 2021, 23:42
- Località: Dalle parti di un grande lago ... :)
2
voti
IsidoroKZ ha scritto:E come al solito TI qualche errore deve introdurlo![]()
Non ti piace proprio TI
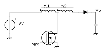
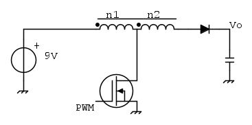
Comunque concordo, io al posto del boost semplice farei un tapped:
In questo modo si può lavorare con valori di duty cycle più umani e migliorare un po' l'efficienza, personalmente un loop di controllo ce lo metterei in ogni caso.
Non ho capito però di che applicazioni stiamo parlando per questo sistema e se il carico è costante oppure variabile.
0
voti
Vorrei costruire un semplice contatore Geiger, senza pretese di avere una misurazione accurata, solamente per utilizzare un tubo Geiger-Muller che ho recuperato.
Non è importante che la tensione sia stabilizzata, né che il valore sia preciso, mi basta che la tensione sia intorno ai 500 V direi con una tolleranza di ±20%.
Non è importante che la tensione sia stabilizzata, né che il valore sia preciso, mi basta che la tensione sia intorno ai 500 V direi con una tolleranza di ±20%.
-

SediciAmpere
4.187 5 5 8 - Master

- Messaggi: 4847
- Iscritto il: 31 ott 2013, 15:00
0
voti
Quindi il carico sara' di qualche megaohm ... solo come ulteriore provocazione er, volevo dire suggerimento
, hai considerato di partire da un'inverter di recupero per CCFL ? (quelli dei vecchi portatili, con lo schermo illuminato da un tubo a scarica invece che dai led come i nuovi)
Avrebbe gia a bordo oscillatore, trasformatore, circuito di accensione/spegnimento, e circuito per variare la tensione di uscita (pilotato di solito da una tensione continua intorno ai 3V)
Avrebbe gia a bordo oscillatore, trasformatore, circuito di accensione/spegnimento, e circuito per variare la tensione di uscita (pilotato di solito da una tensione continua intorno ai 3V)
"Sopravvivere" e' attualmente l'unico lusso che la maggior parte dei Cittadini italiani,
sia pure a costo di enormi sacrifici, riesce ancora a permettersi.
sia pure a costo di enormi sacrifici, riesce ancora a permettersi.
-

Etemenanki
9.517 3 6 10 - Master

- Messaggi: 5940
- Iscritto il: 2 apr 2021, 23:42
- Località: Dalle parti di un grande lago ... :)
1
voti
Non avevo pensato a quello, ma non saprei dove recuperarlo; tra qualche giorno c'è la fiera dell'elettronica, vediamo se riesco a trovare un induttanza toroidale adatta
Il carico sarà di qualche Megaohm e solo al momento dell'eventuale impulso
Il carico sarà di qualche Megaohm e solo al momento dell'eventuale impulso
-

SediciAmpere
4.187 5 5 8 - Master

- Messaggi: 4847
- Iscritto il: 31 ott 2013, 15:00
42 messaggi
• Pagina 4 di 5 • 1, 2, 3, 4, 5
Torna a Elettrotecnica generale
Chi c’è in linea
Visitano il forum: Nessuno e 16 ospiti

Elettrotecnica e non solo (admin)
Un gatto tra gli elettroni (IsidoroKZ)
Esperienza e simulazioni (g.schgor)
Moleskine di un idraulico (RenzoDF)
Il Blog di ElectroYou (webmaster)
Idee microcontrollate (TardoFreak)
PICcoli grandi PICMicro (Paolino)
Il blog elettrico di carloc (carloc)
DirtEYblooog (dirtydeeds)
Di tutto... un po' (jordan20)
AK47 (lillo)
Esperienze elettroniche (marco438)
Telecomunicazioni musicali (clavicordo)
Automazione ed Elettronica (gustavo)
Direttive per la sicurezza (ErnestoCappelletti)
EYnfo dall'Alaska (mir)
Apriamo il quadro! (attilio)
H7-25 (asdf)
Passione Elettrica (massimob)
Elettroni a spasso (guidob)
Bloguerra (guerra)


