EDIT asdf: ho inserito l'immagine in linea con il testo e l'ho modificata rendendola più leggibile. Prima di postare le immagini è consigliabile ridimensionarle e visualizzare l'anteprima del post che vai a pubblicare. Buona prosecuzione di topic
Filtro passa banda
Moderatori:
g.schgor,
IsidoroKZ
0
voti
EDIT asdf: ho inserito l'immagine in linea con il testo e l'ho modificata rendendola più leggibile. Prima di postare le immagini è consigliabile ridimensionarle e visualizzare l'anteprima del post che vai a pubblicare. Buona prosecuzione di topic
0
voti
dove
tensione d'ingresso,
tensione d'uscita, con
indico le tensioni sui condensatori e con
le correnti dei rami, sono giuste le equazioni che ho scritto per trovare la funzione di trasferimento?


.0
voti
Per ricavare la funzione di trasferimento si usa applicare
il metodo di Laplace, che semplifica la soluzione di sistemi
di equazioni differenziali.
Consiglio pertanto la lettura di questo
Poi ci risentiamo.
il metodo di Laplace, che semplifica la soluzione di sistemi
di equazioni differenziali.
Consiglio pertanto la lettura di questo
Poi ci risentiamo.
0
voti
dove
è la matrice identità.Procedendo con i calcoli ottengo la funzione
. Ora c'è un piccolo problema. Procedendo con i calcoli a mano ottengo quella che ho scritta poc'anzi, procedendo con l'ausilio di MATLAB ottengo che la funzione di trasferimento è la stessa ma al numeratore è sommata una quantita
, quindi una quantità piccolissima che posso anche trascurare. Ma da dove esce?Grazie mille
0
voti
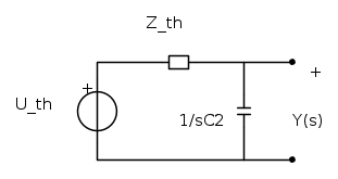
Per il calcolo della funzione di trasferimento, io procederei così (metodo di Laplace)
1. semplificazione della rete a monte del condensatore
(Thèvenin)


2. calcolo della tensione

3. sostituendo la
nella (2) e rapportando ambo i membri per
, ottieni la funzione di trasferimento del sistema 

Sperando di non aver detto castronerie, auguro a tutti buon week-end...
1. semplificazione della rete a monte del condensatore
(Thèvenin)

2. calcolo della tensione


3. sostituendo la
nella (2) e rapportando ambo i membri per
, ottieni la funzione di trasferimento del sistema 

Sperando di non aver detto castronerie, auguro a tutti buon week-end...

-

Lele_u_biddrazzu
8.154 3 8 13 - Master EY

- Messaggi: 1288
- Iscritto il: 23 gen 2007, 16:13
- Località: Modena
0
voti
Sei sicuro che la "piccolissima quantità" sia sommata
al numeratore ?
Di solito si somma al denominatore ed è
un "trucco" per non incappare nella "divisione per zero",
che bloccherebbe il programma di calcolo !
al numeratore ?
Di solito si somma al denominatore ed è
un "trucco" per non incappare nella "divisione per zero",
che bloccherebbe il programma di calcolo !
Torna a Elettrotecnica generale
Chi c’è in linea
Visitano il forum: Nessuno e 17 ospiti

Elettrotecnica e non solo (admin)
Un gatto tra gli elettroni (IsidoroKZ)
Esperienza e simulazioni (g.schgor)
Moleskine di un idraulico (RenzoDF)
Il Blog di ElectroYou (webmaster)
Idee microcontrollate (TardoFreak)
PICcoli grandi PICMicro (Paolino)
Il blog elettrico di carloc (carloc)
DirtEYblooog (dirtydeeds)
Di tutto... un po' (jordan20)
AK47 (lillo)
Esperienze elettroniche (marco438)
Telecomunicazioni musicali (clavicordo)
Automazione ed Elettronica (gustavo)
Direttive per la sicurezza (ErnestoCappelletti)
EYnfo dall'Alaska (mir)
Apriamo il quadro! (attilio)
H7-25 (asdf)
Passione Elettrica (massimob)
Elettroni a spasso (guidob)
Bloguerra (guerra)




