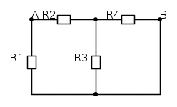
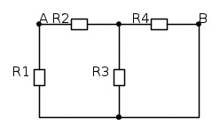
Vicar1992 ha scritto:Ho spento i generatori e dovrei trovare la resistenza equivalente.
A questo punto devi solo sapere cosa significa resistenza equivalente, cosa che viene regolarmente dimenticata.
Moderatori:
g.schgor,
IsidoroKZ
Vicar1992 ha scritto:Ho spento i generatori e dovrei trovare la resistenza equivalente.
Vicar1992 ha scritto:La resistenza equivalente la riesco a calcolare ma non in tutti i circuiti


Torna a Elettrotecnica generale
Visitano il forum: Google Adsense [Bot] e 105 ospiti