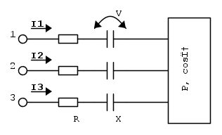
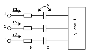
Tu hai utilizzato il tuo grado di libertà, imponendo alla tensione V (tensione ai capi della reattanza capacitiva della linea) una fase iniziale pari a zero. Questo significa che il fasore V giace sull'asse reale del piano di Argand-Gauss.
La corrente di linea
, sfasata di
in anticipo rispetto alla relativa tensione V, giace completamente sull'asse immaginario del piano.
percorre la fase 1 (interna) del carico P (immaginando il carico equivalente a stella, come abbiamo detto).Il testo ci dice che il carico e' ohmico-induttivo (
, significa proprio questo). Questa informazione e' importantissima in quanto ci permette di individuare univocamente le tensioni stellate del carico.Il fasore
e' in anticipo di un angolo
rispetto alla corrente 
Ti e' chiaro?
Quanto vale la fase della tensione
(tensione stellata della fase 1 del carico)?
Elettrotecnica e non solo (admin)
Un gatto tra gli elettroni (IsidoroKZ)
Esperienza e simulazioni (g.schgor)
Moleskine di un idraulico (RenzoDF)
Il Blog di ElectroYou (webmaster)
Idee microcontrollate (TardoFreak)
PICcoli grandi PICMicro (Paolino)
Il blog elettrico di carloc (carloc)
DirtEYblooog (dirtydeeds)
Di tutto... un po' (jordan20)
AK47 (lillo)
Esperienze elettroniche (marco438)
Telecomunicazioni musicali (clavicordo)
Automazione ed Elettronica (gustavo)
Direttive per la sicurezza (ErnestoCappelletti)
EYnfo dall'Alaska (mir)
Apriamo il quadro! (attilio)
H7-25 (asdf)
Passione Elettrica (massimob)
Elettroni a spasso (guidob)
Bloguerra (guerra)




?
= 









rispetto alle tensioni stellate...