Cos'è ElectroYou | Login Iscriviti

ElectroYou - la comunità dei professionisti del mondo elettrico

Studio PLC

Circuiti, campi elettromagnetici e teoria delle linee di trasmissione e distribuzione dell’energia elettrica

Moderatori: Foto Utenteg.schgor, Foto UtenteIsidoroKZ

1
voti

[41] Re: Studio PLC

Messaggioda Foto UtentexXMarcoXx » 18 feb 2020, 22:18

hai configurato effettivamente tre ingressi "fisici", ovvero i1, i2 e i3 ?

Si, precedentemente avevo configurato i tre ingressi fisici i1, i2, i3 ed effettivamente non riuscivo a capire a cosa servisse il comando Avviatore_M

Il contatto è così collegato al comando in uscita

Ciao g.schgore ho cambiato il contatto di Avviatore_M da Input ad Output e adesso ho capito il suo reale funzionamento. Quando clicco con il pulsante sinistro su Avvio_PB al momento del rilascio, il contatto Avviatore_M funziona da "autoritenuta" tenendo attivo il contatto su Avviatore_MO in Output. Viceversa per spegnere il motore bisogna cliccare sul pulsante Arresto_E.

Sinceramente però non ho ben compreso come funziona Avviatore_M. Come fa' ad avere la funzione di autoritenuta?
Allegati
Screenshot (10).png
Avatar utente
Foto UtentexXMarcoXx
20 3
 
Messaggi: 25
Iscritto il: 23 gen 2020, 13:32

0
voti

[42] Re: Studio PLC

Messaggioda Foto UtenteWALTERmwp » 18 feb 2020, 23:33

Abbiamo chiarito l'equivoco, bene @xXMarcoXx.
xXMarcoXx ha scritto:(...) Sinceramente però non ho ben compreso come funziona Avviatore_M. Come fa' ad avere la funzione di autoritenuta?
devi tenere presente che c'è un livello harwdare ed uno software.
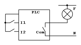
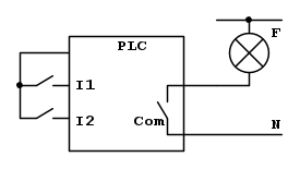
Per il primo(disegno del post [35]) contiamo l'uso di due pulsanti e un motore da pilotare ma, come si è già scritto, non c'è nessun collegamento elettrico tra loro, infatti da una parte terminano sui morsetti della scheda di I/O e dall'altra al positivo e al negativo(zero) dell'alimentazione.

La relazione, e la reazione, tra le variazione degli stati in ingresso(stati dei pulsanti) e il pilotaggio del motore, tramite attivazione dell'uscita, avviene sul piano software.
Questo lo fa il segmento(si chiama così) che hai scritto.

A livello software lo stato(rilevato al morsetto della scheda) del contatto di ogni pulsante è riprodotto con quei due simboli: uno normalmente aperto, uno normalmente chiuso.
In fondo alla serie della rappresentazione degli stati dei due pulsanti hai messo il simbolo(quello OUT, associato all'uscita 1) che può "attivarsi" o rimanere "disattivato"; in ogni caso la sua condizione, in ragione di quella associazione, viene riprodotta, appunto, sul morsetto di uscita: quando il simbolo(OUT) viene "attivato", il morsetto della scheda di uscita, dove è collegato il motore, viene portato a tensione positiva (+24Vcc).
L'altro simbolo, che in parallelo al primo pulsante svolge la funzione di autoritenuta, è solo una "copia", una variabile software associata allo stato("attivato", "disattivato") del simbolo OUT.
Il simbolo utilizzato per rappresentare questa variabile è un contatto normalmente aperto, ovviamente la variabile non è un contatto fisico ma il simbolo utilizzato(la rappresentazione è quella "ladder", cioè a contatti) per riprodurne il valore è quello di un contatto, alla stessa stregua degli ingressi.

In merito all'autoritenuta possiamo allora scrivere quanto segue ricordando che i segmenti vanno interpretati da sinistra verso destra, e dall'alto verso il basso se più di uno.
Quando si preme il pulsante di avvivo, si attiva OUT, il quale attiva la sua variabile che a sua volta contribuisce, in parallelo al pulsante di avvio, a mantenere attiva la stessa OUT; in tale condizione, nel momento in cui viene rilasciato il pulsante che ha consentito l'attivazione di OUT, OUT rimane attivo grazie alla sua variabile.
A questo punto, se si preme il pulsante di arresto, si interrompe il "collegamento"(logico, cioè a livello software) tra la variabile e OUT: lungo il segmento non c'è più "continuità", di conseguenza non c'è più nulla che tenga attiva OUT che si ... "disattiva".
Disattivandosi OUT si "disattiva" anche la sua variabile per cui, rilasciando il pulsante di arresto e non essendoci più nulla che può partecipare alla attivazione di OUT(infatti la variabile si è "disattivata" e il pulsante di avvio lo avevamo rilasciato prima), OUT rimane "disattivata".
Così l'autoritenuta è stata sganciata.

Saluti
W - U.H.F.
Avatar utente
Foto UtenteWALTERmwp
30,2k 4 8 13
G.Master EY
G.Master EY
 
Messaggi: 8990
Iscritto il: 17 lug 2010, 18:42
Località: le 4 del mattino

0
voti

[43] Re: Studio PLC

Messaggioda Foto UtenteWALTERmwp » 18 feb 2020, 23:51

Foto UtentexXMarcoXx, ti ho aggiornato il post [42].

Saluti
W - U.H.F.
Avatar utente
Foto UtenteWALTERmwp
30,2k 4 8 13
G.Master EY
G.Master EY
 
Messaggi: 8990
Iscritto il: 17 lug 2010, 18:42
Località: le 4 del mattino

0
voti

[44] Re: Studio PLC

Messaggioda Foto Utenteg.schgor » 19 feb 2020, 10:32

xXMarcoXx ha scritto: il contatto Avviatore_M funziona da "autoritenuta"


:ok: Capito questo (che è la base di molti automatismi) propongo il classico problema
degli elettricisti: accensione e spegnimento di una lampada da due diversi punti,
normalmente risolto con due 'deviatori' (interruttori con contatti di scambio)


Come si potrebbe programmare il PLC per lo stesso funzionamento
utilizzando come ingressi due interruttori normali?
Avatar utente
Foto Utenteg.schgor
57,8k 9 12 13
G.Master EY
G.Master EY
 
Messaggi: 16971
Iscritto il: 25 ott 2005, 9:58
Località: MILANO

0
voti

[45] Re: Studio PLC

Messaggioda Foto Utentesebago » 19 feb 2020, 21:42

xXMarcoXx ha scritto:Viceversa per spegnere il motore bisogna cliccare sul pulsante Arresto_E

Ma se il pulsante di arresto, che verrà cablato sulla morsettiera di ingresso del PLC, è del tipo NC (come avviene in genere anche per i pulsanti di emergenza), nel ladder il contatto che lo rappresenta dovrebbe essere un contatto diretto e non un contatto negato. Mi pare che ci sia qualcosa che non va.
Sebastiano
________________________________________________________________
"Eo bos issettaìa, avanzade e non timedas / sas ben'ennidas siedas, rundinas, a domo mia" (P. Mossa)
Avatar utente
Foto Utentesebago
16,7k 4 10 13
G.Master EY
G.Master EY
 
Messaggi: 2196
Iscritto il: 1 apr 2005, 19:59
Località: Orune (NU)

0
voti

[46] Re: Studio PLC

Messaggioda Foto UtenteWALTERmwp » 19 feb 2020, 22:11

sebago ha scritto:Ma se il pulsante di arresto (...)
si @sebago, è corretta la tua osservazione.

Saluti
W - U.H.F.
Avatar utente
Foto UtenteWALTERmwp
30,2k 4 8 13
G.Master EY
G.Master EY
 
Messaggi: 8990
Iscritto il: 17 lug 2010, 18:42
Località: le 4 del mattino

0
voti

[47] Re: Studio PLC

Messaggioda Foto Utenteg.schgor » 20 feb 2020, 8:25

La figura di riferimento dello schema indica chiaramente
che il pulsante di ArreSto è del tipo NO.
Se poi, per ragioni di sicurezza, si mette un NC allora va invertito
il rispettivo contatto dello schema.
Avatar utente
Foto Utenteg.schgor
57,8k 9 12 13
G.Master EY
G.Master EY
 
Messaggi: 16971
Iscritto il: 25 ott 2005, 9:58
Località: MILANO

0
voti

[48] Re: Studio PLC

Messaggioda Foto UtenteWALTERmwp » 20 feb 2020, 10:26

Se non aggiungo un altro equivoco, credo che Foto Utentesebago si riferisca al disegno che ho proposto in [35].
L'esempio che invece Foto Utenteg.schgor suggerisce allo OP di seguire fa riferimento allo schema di questo documento, alla pagina 2.
Facciamo così: torno sul disegno(post [35]) della scheda plc e modifico il pulsante.
Mia la colpa.

Saluti
W - U.H.F.
Avatar utente
Foto UtenteWALTERmwp
30,2k 4 8 13
G.Master EY
G.Master EY
 
Messaggi: 8990
Iscritto il: 17 lug 2010, 18:42
Località: le 4 del mattino

0
voti

[49] Re: Studio PLC

Messaggioda Foto Utenteg.schgor » 20 feb 2020, 11:31

Grazie Walter.
Avatar utente
Foto Utenteg.schgor
57,8k 9 12 13
G.Master EY
G.Master EY
 
Messaggi: 16971
Iscritto il: 25 ott 2005, 9:58
Località: MILANO

0
voti

[50] Re: Studio PLC

Messaggioda Foto UtenteWALTERmwp » 20 feb 2020, 12:23

Prego, @g.schgor.
E vualà, fatto !

Saluti
W - U.H.F.
Avatar utente
Foto UtenteWALTERmwp
30,2k 4 8 13
G.Master EY
G.Master EY
 
Messaggi: 8990
Iscritto il: 17 lug 2010, 18:42
Località: le 4 del mattino

PrecedenteProssimo

Torna a Elettrotecnica generale

Chi c’è in linea

Visitano il forum: Nessuno e 28 ospiti