IsidoroKZ ha scritto:Messaggio [37]. Non riesco a capire la differenza fra aggiungere un generatore e sostituire un condensatore con un generatore. Potrebbe aggiungere in entrambi i casi un generatore, tanto un condensatore in parallelo a un generatore ideale di tensione non da` alcun effetto (e si carica al valore iniziale giusto). La differenza pratica e` che la condizione globale impone la tensione su un nodo rispetto al nodo 0 (ground), mentre nella condizione iniziale sul condensatore impone la tensione fra due nodi, che possono essere entrambi diversi da ground.
ok, assumiamo Spice aggiunga sempre un generatore di tensione in parallelo al condensatore per calcolare la soluzione iniziale in DC, a cosa corrisponde il valore di corrente iniziale DC che Spice calcola per il condensatore ? Si tratta di fatto della corrente attraverso la resistenza parallelo che compare nel modello Spice del condensatore stesso ?
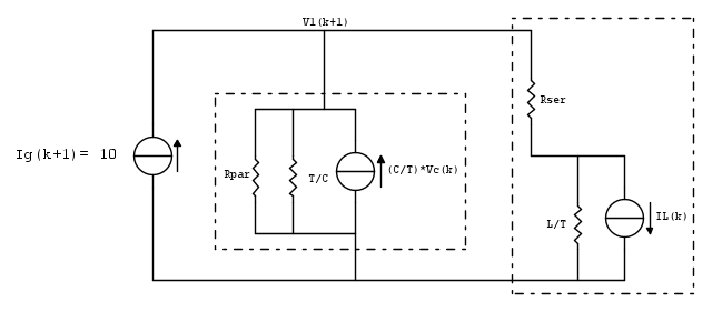
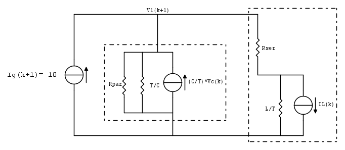
IsidoroKZ ha scritto:Messaggio [38]: nel circuito iniziale imponi I(L1)=0 e fai l'analisi in DC. La corrente del generatore, 10A da qualche parte deve passare, non potendo passare attraverso la L per la condizione iniziale, ne' attraverso la capacita`, che in DC e` un circuito aperto, passa attraverso la resistenza parallela di C, che spice ha il buon gusto di mettere, ma vengono fuori tensioni e correnti senza senso (megavolt e megaampere). Se invece metti I(L)=10A, allora dovrebbe andare bene, tranne possibili errori numerici di cancellazione.
Forse non era chiaro ma intendevo in questo caso l'analisi transiente in modalità UIC in cui non viene fatta alcuna analisi iniziale in DC. In particolare mi riferivo al problema delle condizioni inziali non fisiche che mi era stato fatto presente.
Onestamente qui non vedo nessun problema per la condizione iniziale globale I(L)=10A e IC = 0 a livello del condensatore: dovrebbero essere corrette.

Elettrotecnica e non solo (admin)
Un gatto tra gli elettroni (IsidoroKZ)
Esperienza e simulazioni (g.schgor)
Moleskine di un idraulico (RenzoDF)
Il Blog di ElectroYou (webmaster)
Idee microcontrollate (TardoFreak)
PICcoli grandi PICMicro (Paolino)
Il blog elettrico di carloc (carloc)
DirtEYblooog (dirtydeeds)
Di tutto... un po' (jordan20)
AK47 (lillo)
Esperienze elettroniche (marco438)
Telecomunicazioni musicali (clavicordo)
Automazione ed Elettronica (gustavo)
Direttive per la sicurezza (ErnestoCappelletti)
EYnfo dall'Alaska (mir)
Apriamo il quadro! (attilio)
H7-25 (asdf)
Passione Elettrica (massimob)
Elettroni a spasso (guidob)
Bloguerra (guerra)




