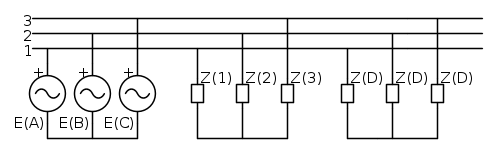
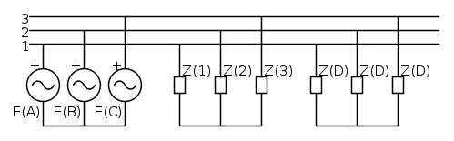
volcom88 ha scritto: avevo pensato di trasformare le tre impedenze triangolari in stella, poi attraverso Millman e un LKT (trasformazione non troppo semplice)... C'era un metodo più veloce?
Va bene ed è sempre meglio che risolvere un sistema di equazione ....
Attenzione però che così calcoli solo le correnti di linea, poi devi calcolare la cdt su
da qu' ricavare le tensioni effettive sulla stella equivalente e ancora le tensioni concatenate ai capi del triangolo. Le correnti calcolate dopo la trasformazione saranno quelle di linea e non quelle di fase che andranno opportunamente calcolate.volcom88 ha scritto: Il diagramma fasoriale nei punti 1', 2' e 3' intende le tensioni di Z(L) e le correnti delle varie E?? Non c'entrano nulla le impedenze a triangolo, giusto?
Intende correnti di linea e di fase e le tensioni stellate e concatenate che interrssano il triangolo.

Elettrotecnica e non solo (admin)
Un gatto tra gli elettroni (IsidoroKZ)
Esperienza e simulazioni (g.schgor)
Moleskine di un idraulico (RenzoDF)
Il Blog di ElectroYou (webmaster)
Idee microcontrollate (TardoFreak)
PICcoli grandi PICMicro (Paolino)
Il blog elettrico di carloc (carloc)
DirtEYblooog (dirtydeeds)
Di tutto... un po' (jordan20)
AK47 (lillo)
Esperienze elettroniche (marco438)
Telecomunicazioni musicali (clavicordo)
Automazione ed Elettronica (gustavo)
Direttive per la sicurezza (ErnestoCappelletti)
EYnfo dall'Alaska (mir)
Apriamo il quadro! (attilio)
H7-25 (asdf)
Passione Elettrica (massimob)
Elettroni a spasso (guidob)
Bloguerra (guerra)



???



essendo la terna diretta il fasore
sarà sfasato di
in anticipo e il fasore
di
in ritardo su
è sfasato di
in ritardo su
di
di
) sono uguali, così come i moduli delle tensioni stellate (
) sono uguali e la relazione
è valida solo per i moduli. Per i fasori devi tener conto degli sfasamenti prima detti. 








.
più grandi dei moduli delle stellate, nel tuo caso avendo coma dato il modulo delle concatenate, devi ricavare il modulo delle stellatepoichè stai ricavando la stella di generatori equivalente al triangolo dato, per cui
,
.
si avrà:
e
. da cui le tensioni da apporre ai generatori equivalenti a stella saranno
,
, e infine
.