Cos'è ElectroYou | Login Iscriviti

ElectroYou - la comunità dei professionisti del mondo elettrico

Risoluzione circuito con analisi nodale modificata

Circuiti, campi elettromagnetici e teoria delle linee di trasmissione e distribuzione dell’energia elettrica

Moderatori: Foto Utenteg.schgor, Foto UtenteIsidoroKZ

0
voti

[51] Re: risoluzione circuito con analisi nodale modificata

Messaggioda Foto Utenterusty » 28 mag 2013, 20:37

\omega=20\,\text{rad/s} e V=110\,V, se vuoi rifai i conti ma dovrebbe essere giusta.
Avatar utente
Foto Utenterusty
4.075 2 9 11
Utente disattivato per decisione dell'amministrazione proprietaria del sito
 
Messaggi: 1578
Iscritto il: 25 gen 2009, 13:10

0
voti

[52] Re: risoluzione circuito con analisi nodale modificata

Messaggioda Foto Utentegiova88 » 28 mag 2013, 20:50

ma scusa non ti esce anche la parte immaginaria?
Avatar utente
Foto Utentegiova88
37 5
New entry
New entry
 
Messaggi: 95
Iscritto il: 22 mag 2013, 22:53

0
voti

[53] Re: risoluzione circuito con analisi nodale modificata

Messaggioda Foto Utenterusty » 28 mag 2013, 20:58

E' tutto scritto QUI O_/
Avatar utente
Foto Utenterusty
4.075 2 9 11
Utente disattivato per decisione dell'amministrazione proprietaria del sito
 
Messaggi: 1578
Iscritto il: 25 gen 2009, 13:10

0
voti

[54] Re: risoluzione circuito con analisi nodale modificata

Messaggioda Foto Utentegiova88 » 28 mag 2013, 21:28

a me esce 20,7+j13,07
Avatar utente
Foto Utentegiova88
37 5
New entry
New entry
 
Messaggi: 95
Iscritto il: 22 mag 2013, 22:53

0
voti

[55] Re: risoluzione circuito con analisi nodale modificata

Messaggioda Foto Utentegiova88 » 28 mag 2013, 21:55

ci sono esce 50V. Ok per il nodo 2 quale intendi? quello scelto a potenziale 0?
Avatar utente
Foto Utentegiova88
37 5
New entry
New entry
 
Messaggi: 95
Iscritto il: 22 mag 2013, 22:53

0
voti

[56] Re: risoluzione circuito con analisi nodale modificata

Messaggioda Foto Utenterusty » 28 mag 2013, 23:34

Ho completato l'esercizio nella pagina precedente, hai capito il procedimento?
Taggo Foto UtenteRenzoDF per sicurezza, cosi' controlla. :ok:
Avatar utente
Foto Utenterusty
4.075 2 9 11
Utente disattivato per decisione dell'amministrazione proprietaria del sito
 
Messaggi: 1578
Iscritto il: 25 gen 2009, 13:10

1
voti

[57] Re: risoluzione circuito con analisi nodale modificata

Messaggioda Foto UtenteRenzoDF » 29 mag 2013, 0:37

Come chiesto da Foto Utenterusty ho provato a controllare :ok:

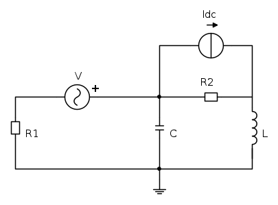
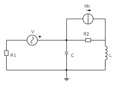
2013-05-29_003638.png
2013-05-29_003638.png (44.48 KiB) Osservato 5597 volte


@ Foto Utentegiova88 forse il tuo errore sta qui sotto
giova88 ha scritto: ... ottengo C=-j2,5 ...


BTW non scrivere C=-j... e L=j... ma bensì ZC=-j... e ZL=j....
"Il circuito ha sempre ragione" (Luigi Malesani)
Avatar utente
Foto UtenteRenzoDF
55,9k 8 12 13
G.Master EY
G.Master EY
 
Messaggi: 13189
Iscritto il: 4 ott 2008, 9:55

0
voti

[58] Re: risoluzione circuito con analisi nodale modificata

Messaggioda Foto Utentegiova88 » 29 mag 2013, 7:50

si infatti avevo scritto di aver risolto grazie a tutti siete davvero unici
Avatar utente
Foto Utentegiova88
37 5
New entry
New entry
 
Messaggi: 95
Iscritto il: 22 mag 2013, 22:53

0
voti

[59] Re: risoluzione circuito con analisi nodale modificata

Messaggioda Foto Utentegiova88 » 4 giu 2013, 21:03

Buonasera intanto vi ringrazio nuovamente per l'aiuto che mi avete offerto. Vorrei porre una domanda. il circuito si puo risolvere solamente con la sovrapposizione degli effetti?
Avatar utente
Foto Utentegiova88
37 5
New entry
New entry
 
Messaggi: 95
Iscritto il: 22 mag 2013, 22:53

0
voti

[60] Re: Risoluzione circuito con analisi nodale modificata

Messaggioda Foto Utentegiova88 » 4 giu 2013, 21:17


Cerco di essere piu chiaro. Posso risolvere il circuito con l'analisi nodale o con l'equazioni di stato?o con tableau? anche se ho due generatori in domini diversi? o devo per forza di cose fare la sovrapposizione?
Avatar utente
Foto Utentegiova88
37 5
New entry
New entry
 
Messaggi: 95
Iscritto il: 22 mag 2013, 22:53

Precedente

Torna a Elettrotecnica generale

Chi c’è in linea

Visitano il forum: Nessuno e 24 ospiti