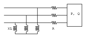
Ragazzi, volendo calcolare la fase della corrente entrante nella scatola a destra di questa rete trifase:
L'angolo caratteristico dell'impedenza di questa corrente, risente anche della potenza della resistenza R ?
E' quindi dato dall'arcotangente del rapporto tra Q e (P + P della resistenza R) ?
Io credo proprio di sì.
Rete trifase simmetrica ed equilibrata
Moderatori:
g.schgor,
IsidoroKZ
0
voti
0
voti
La corrente non ha un'impedenza con un angolo caratteristico.
La corrente ha uno sfasamento rispetto ad una tensione stabilita.
Di solito ci si riferisce alla tensione che alimenta il bipolo che assorbe la corrente, e lo sfasamento coincide in valore assoluto con l'angolo caratteristico dell'impedenza del bipolo.
La corrente ha uno sfasamento rispetto ad una tensione stabilita.
Di solito ci si riferisce alla tensione che alimenta il bipolo che assorbe la corrente, e lo sfasamento coincide in valore assoluto con l'angolo caratteristico dell'impedenza del bipolo.
0
voti
admin ha scritto:La corrente non ha un'impedenza con un angolo caratteristico.
La corrente ha uno sfasamento rispetto ad una tensione stabilita.
Di solito ci si riferisce alla tensione che alimenta il bipolo che assorbe la corrente, e lo sfasamento coincide in valore assoluto con l'angolo caratteristico dell'impedenza del bipolo.
Certo, su questo non avevo dubbi.
Sottintendevo che l'angolo caratteristico dell'impedenza è l'angolo di sfasamento rispetto alla tensione stellata di pari pedice. E mi chiedevo se tale angolo caratteristico dell'impedenza tenesse conto solo di P e Q o tenesse conto anche della P relativa ad R.
Io credo che tenga conto anche della P relativa ad R.
0
voti
Dipende dalla sezione in cui consideri la stellata
In S' no; in S'' sì
In S' no; in S'' sì
0
voti
Ah ecco, capisco.
Chiaramente mi interessa la stellata in S'', perché è la stellata del tripolo in basso.
Grazie mille.
Chiaramente mi interessa la stellata in S'', perché è la stellata del tripolo in basso.
Grazie mille.
0
voti
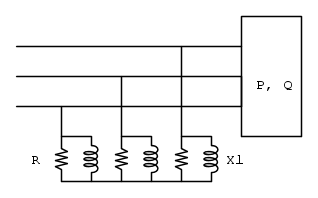
Volendo calcolare la potenza attiva e la potenza reattiva del tripolo in basso in questa rete trifase:
Devo dapprima calcolare l'impedenza totale data dal parallelo tra R e da Xl e poi calcolare le potenze come:
Potenza attiva = 3 * I * ParteReale
Potenza reattiva = 3 * I * ParteImmaginaria
Con I che è la corrente di linea, parte reale ed immaginaria chiaramente dell'impedenza complessiva.
Devo dapprima calcolare l'impedenza totale data dal parallelo tra R e da Xl e poi calcolare le potenze come:
Potenza attiva = 3 * I * ParteReale
Potenza reattiva = 3 * I * ParteImmaginaria
Con I che è la corrente di linea, parte reale ed immaginaria chiaramente dell'impedenza complessiva.
0
voti
Casomai
se I è la corrente sull'impedenza.
Fare il parallelo non è necessario. Sia la resistenza che l'induttanza sono sottoposte alla tensione stellata
per cui basta fare


se I è la corrente sull'impedenza.Fare il parallelo non è necessario. Sia la resistenza che l'induttanza sono sottoposte alla tensione stellata
per cui basta fare 

0
voti
Ma oltre alle formule da te scritte, è un errore se calcolo la P e la Q come ho scritto nel post precedente ?
0
voti
Si avevo letto della corrente, my fault.
Ed eccetto questo errore della corrente, c'è altro ?
Le formule scritte da me (con la dovuta correzione alla corrente), sono corrette ?
Ed eccetto questo errore della corrente, c'è altro ?
Le formule scritte da me (con la dovuta correzione alla corrente), sono corrette ?
Torna a Elettrotecnica generale
Chi c’è in linea
Visitano il forum: Nessuno e 13 ospiti

Elettrotecnica e non solo (admin)
Un gatto tra gli elettroni (IsidoroKZ)
Esperienza e simulazioni (g.schgor)
Moleskine di un idraulico (RenzoDF)
Il Blog di ElectroYou (webmaster)
Idee microcontrollate (TardoFreak)
PICcoli grandi PICMicro (Paolino)
Il blog elettrico di carloc (carloc)
DirtEYblooog (dirtydeeds)
Di tutto... un po' (jordan20)
AK47 (lillo)
Esperienze elettroniche (marco438)
Telecomunicazioni musicali (clavicordo)
Automazione ed Elettronica (gustavo)
Direttive per la sicurezza (ErnestoCappelletti)
EYnfo dall'Alaska (mir)
Apriamo il quadro! (attilio)
H7-25 (asdf)
Passione Elettrica (massimob)
Elettroni a spasso (guidob)
Bloguerra (guerra)





