Ma stai provando la versione con i due transistor o quella senza?
In linea di massima questi circuiti (analogici) funzionano se l'alimentazione arriva con un fronte di salita molto ripido.
I circuiti digitali invece danno maggiori garanzie di funzionamento a prescindere da quanto rapidamente salga la tensione di alimentazione.
Ciao
Generatore di impulso ritardato rispetto all'alimentazione
Moderatori:
g.schgor,
IsidoroKZ
0
voti
stefanopc ha scritto:Ma stai provando la versione con i due transistor o quella senza?
In linea di massima questi circuiti (analogici) funzionano se l'alimentazione arriva con un fronte di salita molto ripido.
I circuiti digitali invece danno maggiori garanzie di funzionamento a prescindere da quanto rapidamente salga la tensione di alimentazione.
Ciao
Ciao Stefano, sto provando il circuito che ho trovato in rete al link che ho postato un paio di messaggi addietro.
ci sono riuscito...la combinazione ctrl + M non ha nessun effetto, riesco a copiare solo con ctrl + C
1
voti
Avevo un po di tempo da far passare, e mi sono divertito con il circuito con i 6 inverter trigger (con una minima modifica), per vedere quanto potrebbe venire piccolo ... usando SMD 0805 e stando larghi per la comodita' di saldarli, con i componenti tutti da un lato potrebbe venire di queste dimensioni:
Mentre usando entrambi i lati per i componenti, si ridurrebbe cosi:
Passando agli 0603 si potrebbe ridurlo ancora di qualche millimetro, ma non ne varrebbe la pena perche' poi a saldarli a mano sarebbe piu difficile.
(il rele' Omron G6KU e' il piu piccolo che ho trovato nei miei elenchi, non so se ci siano ancora piu piccoli, probabilmente si ma a prezzi disumani)
Mentre usando entrambi i lati per i componenti, si ridurrebbe cosi:
Passando agli 0603 si potrebbe ridurlo ancora di qualche millimetro, ma non ne varrebbe la pena perche' poi a saldarli a mano sarebbe piu difficile.
(il rele' Omron G6KU e' il piu piccolo che ho trovato nei miei elenchi, non so se ci siano ancora piu piccoli, probabilmente si ma a prezzi disumani)
"Sopravvivere" e' attualmente l'unico lusso che la maggior parte dei Cittadini italiani,
sia pure a costo di enormi sacrifici, riesce ancora a permettersi.
sia pure a costo di enormi sacrifici, riesce ancora a permettersi.
-

Etemenanki
9.517 3 6 10 - Master

- Messaggi: 5940
- Iscritto il: 2 apr 2021, 23:42
- Località: Dalle parti di un grande lago ... :)
0
voti
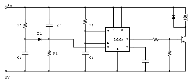
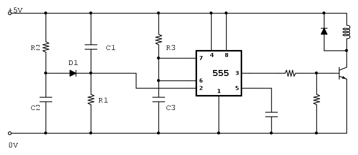
Olivetto ha scritto:.... Schema fidocadj .....
Usa linee e collegamenti non piste, e cerca di mantenere la lettura da sinistra verso destra.
Gli ingressi a sinistra e le uscite a destra, come hai fatto tu mi viene il torcicollo a leggerlo
Infine attenzione al condensatore sul pin 5, è più opportuno collegarlo allo "0"
Invece che fare coppie RC a "caso" prova a ragionarci, prendo il grafico del sito
La coppia R1/C1 Controlla la discesa del segnale di trigger
La coppia R2/C2 Controlla la risalita del segnale di trigger *
La coppia R3/C3 Controlla la durate dell'impulso
*Deve essere più lenta di R1/C1 ma abbastanza veloce da risalire prima del ritorno a riposo del segnale.
A questo va aggiunto il funzionamento del 555 e relativi livelli di commutazione
Senza queste cose non riuscirai a calcolare un valore adeguato ma andrai per tentoni
EDIT: Attenzione al consiglio di
0
voti
Se si puo usare un rele reed tipo SIP a 4 pin, costa molto meno, anche se verrebbe un po piu grande (sembra che nessuno produca microrele' reed, o che i pochissimi che ci sono costino un rene e mezzo)
"Sopravvivere" e' attualmente l'unico lusso che la maggior parte dei Cittadini italiani,
sia pure a costo di enormi sacrifici, riesce ancora a permettersi.
sia pure a costo di enormi sacrifici, riesce ancora a permettersi.
-

Etemenanki
9.517 3 6 10 - Master

- Messaggi: 5940
- Iscritto il: 2 apr 2021, 23:42
- Località: Dalle parti di un grande lago ... :)
1
voti
ThEnGi ha scritto:... Anche se lo avrei fatto con un connettore a 5pin (Alimentazioni + contatti relè) in modo da inserirlo tipo "modulo" ...
Una cosa cosi ?
Come rele' ho usato un normale DIL reed SMD da un paio di Euro (ma ci si puo saldare anche uno a fori passanti, basta ripiegare i terminali e trasformarlo in un SMD casalingo
Ho aggiunto anche un paio di trimmer per regolare i tempi, tanto dovendolo allargare ci sono stati.
"Sopravvivere" e' attualmente l'unico lusso che la maggior parte dei Cittadini italiani,
sia pure a costo di enormi sacrifici, riesce ancora a permettersi.
sia pure a costo di enormi sacrifici, riesce ancora a permettersi.
-

Etemenanki
9.517 3 6 10 - Master

- Messaggi: 5940
- Iscritto il: 2 apr 2021, 23:42
- Località: Dalle parti di un grande lago ... :)
0
voti
https://www.mouser.it/ProductDetail/Lit ... X0QAvD_BwE
Questi non costano uno sproposito e funzionano bene.
Ci sono anche 5V.
Ciao
Questi non costano uno sproposito e funzionano bene.
Ci sono anche 5V.
Ciao
600 Elettra
0
voti
Si possono usare anche come componenti SMD, basta piegare e tagliare a misura i pin 
"Sopravvivere" e' attualmente l'unico lusso che la maggior parte dei Cittadini italiani,
sia pure a costo di enormi sacrifici, riesce ancora a permettersi.
sia pure a costo di enormi sacrifici, riesce ancora a permettersi.
-

Etemenanki
9.517 3 6 10 - Master

- Messaggi: 5940
- Iscritto il: 2 apr 2021, 23:42
- Località: Dalle parti di un grande lago ... :)
0
voti
Etemenanki ha scritto:Se si puo usare un rele reed tipo SIP a 4 pin, costa molto meno..
I rele reed, li ho messi sul finale audio che ho fatto una trentina di anni fa, le commutazioni sono ancora al TOP, ed in campo audio si sente tutto, infatti ho il relè che collega le casse, inizia ad avere qualche problema di contatto..... (a qualche ampère).
Li comperai però ad una mostra di elettronica, per pochi soldi, ne comperai uno in negozio con due contatti, spesi 14mila lire!
Per i segnali sono davvero ottimi.
saluti.
-

lelerelele
4.899 3 7 9 - Master

- Messaggi: 5505
- Iscritto il: 8 giu 2011, 8:57
- Località: Reggio Emilia
0
voti
Etemenanki ha scritto:Si possono usare anche come componenti SMD, basta piegare e tagliare a misura i pin
Certo.
Lo fanno spesso anche a livello industriale.
Anche loro per risparmiare naturalmente.
Leggermente più grandi ci sono anche i mercury wetted.
Quelli sono veramente il top sui reed invece bisogna stare attenti se il carico non è puramente resistivo è la fine.
Ad esempio ai relè reed si incollano i contatti abbastanza facilmente con carico capacitivo.
Per applicazioni simili ( a bassa corrente < 50mA) gli Ssr sono comunque la scelta più conveniente sia dal punto di vista economico che di garanzia di durata delle caratteristiche nel tempo.
Nelle vecchie centrali telefoniche gte erano stati sostituti gran parte dei relè reed con ssr per far fronte a questo grave problema.
Per quanto riguarda le dimensioni la maggior parte degli SSR sono grandi come un 555 (Dip-8) e le versioni SMD ancora meno.
Ciao
600 Elettra
Torna a Elettrotecnica generale
Chi c’è in linea
Visitano il forum: Nessuno e 87 ospiti

Elettrotecnica e non solo (admin)
Un gatto tra gli elettroni (IsidoroKZ)
Esperienza e simulazioni (g.schgor)
Moleskine di un idraulico (RenzoDF)
Il Blog di ElectroYou (webmaster)
Idee microcontrollate (TardoFreak)
PICcoli grandi PICMicro (Paolino)
Il blog elettrico di carloc (carloc)
DirtEYblooog (dirtydeeds)
Di tutto... un po' (jordan20)
AK47 (lillo)
Esperienze elettroniche (marco438)
Telecomunicazioni musicali (clavicordo)
Automazione ed Elettronica (gustavo)
Direttive per la sicurezza (ErnestoCappelletti)
EYnfo dall'Alaska (mir)
Apriamo il quadro! (attilio)
H7-25 (asdf)
Passione Elettrica (massimob)
Elettroni a spasso (guidob)
Bloguerra (guerra)






