Ho proposto l'uso del simulatore proprio per rendere evidenti
gli effettivi stati dei contatti virtuali durante il funzionamento.
L'inversione di stato rispetto a quello indicato viene infatti
chiaramente mostrato quando il relativo ingresso viene attivato.
Comunque ben venga qualsiasi chiarimento in proposito.
Studio PLC
Moderatori:
g.schgor,
IsidoroKZ
0
voti
[62] Re: Studio PLC
L'uso del simulatore può valere più di tante altre parole, forse io sono stato un pochino ridondante.
Stando alla risposta [59] sembra che
xXMarcoXx abbia compreso, invece il dubbio a me prima era rimasto.
Forse si trattava solo del tipo di esercizio(quello in [44] con i deviatori), essendo agli inizi non è immediato da tradurre in ladder.
Ma credo che
xXMarcoXx sia sulla buona strada.
Saluti
Stando alla risposta [59] sembra che
Forse si trattava solo del tipo di esercizio(quello in [44] con i deviatori), essendo agli inizi non è immediato da tradurre in ladder.
Ma credo che
Saluti
W - U.H.F.
-

WALTERmwp
30,2k 4 8 13 - G.Master EY

- Messaggi: 8990
- Iscritto il: 17 lug 2010, 18:42
- Località: le 4 del mattino
0
voti
[63] Re: Studio PLC
Sono ancora in attesa dei risultati dello schema del post[57]
Le combinazioni degli stati degli interruttori
possono essere rappresentati in una tabella come questa:
I1...I2....Com
.0....0..... ?
.0----1......?
.1.....0.....?
.1.....1.....?
dove per gli ingressi 1=chiuso, 0=aperto.
Metti ?=1 se Com attivato (lampada accesa)
?=0 se Com disattivato (lampada spenta),
prima guardando lo schema, è poi verificando
con la simulazione.
Le combinazioni degli stati degli interruttori
possono essere rappresentati in una tabella come questa:
I1...I2....Com
.0....0..... ?
.0----1......?
.1.....0.....?
.1.....1.....?
dove per gli ingressi 1=chiuso, 0=aperto.
Metti ?=1 se Com attivato (lampada accesa)
?=0 se Com disattivato (lampada spenta),
prima guardando lo schema, è poi verificando
con la simulazione.
0
voti
[64] Re: Studio PLC
Sono ancora in attesa dei risultati dello schema del post[57]
-Attivando l'interruttore I1, il primo contatto (I1) da normalmente aperto diventa chiuso e incontrando in serie I2 che è un contatto normalmente chiuso permette l'accensione della lampada.
-Attivando l'interruttore I2, il contatto passa da normalmente aperto a normalmente chiuso permettendo l'accensione della lampada in quanto in precedenza troviamo troviamo in serie il contatto I1 normlamente chiuso.
I1...I2....Com
.0....0..... ?
.0----1......?
.1.....0.....?
.1.....1.....?
1)0----0----0
2)0----1----0
3)1----0----0
4)1----1----1
0
voti
[65] Re: Studio PLC
No, non hai verificato tutte le 4 combinazioni.
La tabella esatta è:

Riprova e conferma.
La tabella esatta è:
- Codice: Seleziona tutto
\begin {tabular} {|c|c|c|}
\hline
I1 & I2 & Com \\
\hline
0 & 0 & 0 \\
1 & 0 & 1 \\
0 & 1 & 1 \\
1 & 1 & 0 \\
\hline
\end{tabular}

Riprova e conferma.
0
voti
[66] Re: Studio PLC
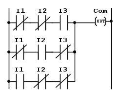
L'importanza della tabella degli stati sta nella possibilità
di estenderla a più ingressi e di rappresentare un metodo
di facile soluzione degli schemi.
Se gli stati di n ingressi(I1...In) determinano
lo stato di un'uscita (ad es. Com) la tabella avrà
colonne
e
righe (quante sono le possibili combinazioni).
Vediamo subito con un esempio
Supponiamo che lo stati dell'uscita Com sia determinato
dagli stati di 3 ingressi (I1,I2,I3) e che si voglia attivare Com
quando uno solo dei 3 interruttori sia chiuso.
La tabella sarà allora:

ed ecco lo schema corrispondente:
E' facile vedere che ogni ramo dello schema corrisponde
ad una riga della tabella per cui Com=1 e l'associazione
tipo di contatto (NC o NO) al dato della tabella (0 o1).
Domande?
di estenderla a più ingressi e di rappresentare un metodo
di facile soluzione degli schemi.
Se gli stati di n ingressi(I1...In) determinano
lo stato di un'uscita (ad es. Com) la tabella avrà
colonne e
righe (quante sono le possibili combinazioni).Vediamo subito con un esempio
Supponiamo che lo stati dell'uscita Com sia determinato
dagli stati di 3 ingressi (I1,I2,I3) e che si voglia attivare Com
quando uno solo dei 3 interruttori sia chiuso.
La tabella sarà allora:
- Codice: Seleziona tutto
\begin {tabular} {|c|c|c|c|}
\hline
I1 & I2 & I3 & Com \\
\hline
0 & 0 & 0 & 0 \\
0 & 0 & 1 & 1 \\
0 & 1 & 0 & 1 \\
0 & 1 & 1 & 0 \\
1 & 0 & 0 & 1 \\
1 & 0 & 1 & 0 \\
1 & 1 & 0 & 0 \\
1 & 1 & 1 & 0 \\
\hline
\end{tabular}

ed ecco lo schema corrispondente:
E' facile vedere che ogni ramo dello schema corrisponde
ad una riga della tabella per cui Com=1 e l'associazione
tipo di contatto (NC o NO) al dato della tabella (0 o1).
Domande?
0
voti
[67] Re: Studio PLC
Negli impianti moderni di illuminazione domestica
vengono utilizzati i relè 'a passo' : con un click si accendono le luci
e con un secondo click si spengono.
Vediamo come fare la stessa cosa col PLC.
Abbiamo già visto il comando con pulsante nell'avviamento di un motore
ma qui un'autoritenuta no basta: bisogna distinguere il secondo click dal primo.
Il PLC consente l'uso di relè ausiliari (virtuali, elencati nella lista Relays)
che possono 'memorizzare una situazione raggiunta.
In definitiva dobbiamo ricavare uno schema che realizzi questo:
Qualcuno vuol provarci? (domani darò la soluzione)
vengono utilizzati i relè 'a passo' : con un click si accendono le luci
e con un secondo click si spengono.
Vediamo come fare la stessa cosa col PLC.
Abbiamo già visto il comando con pulsante nell'avviamento di un motore
ma qui un'autoritenuta no basta: bisogna distinguere il secondo click dal primo.
Il PLC consente l'uso di relè ausiliari (virtuali, elencati nella lista Relays)
che possono 'memorizzare una situazione raggiunta.
In definitiva dobbiamo ricavare uno schema che realizzi questo:
Qualcuno vuol provarci? (domani darò la soluzione)
1
voti
[68] Re: Studio PLC
Ecco la soluzione del post precedemtr:
Raccomando a
xXMarcoXx di simulare il circuito
soffermandosi su ciascuna delle 4 fasi per capire la funzione svolta
da ciascun contatto dello schema.
Raccomando a
soffermandosi su ciascuna delle 4 fasi per capire la funzione svolta
da ciascun contatto dello schema.
0
voti
[69] Re: Studio PLC
No, non hai verificato tutte le 4 combinazioni.
Scusami g.schgor, probabilmente sto facendo confusione.
Non capisco perché nella tabella da te postata, ad esempio
I1 I2 Com
0 1 1
Se I1 corrisponde ad un contatto aperto e I2 corrisponde ad un contatto chiuso perché la lampada risulta essere accesa?
0
voti
[70] Re: Studio PLC
La risposa è nelle considerazioni del post[66]:
negli schemi ricavati dalla tabella delle combinazioni
agli 0 corrispondono contatti NC ed agli 1 contatti NO.
L'uso del simulatore dovrebbe chiarire il tutto.
Non devi confondere gli ingressi coi contatti virtuali:
quando attivi un ingresso i contatti col suo stesso nome
cambiano di stato (come segnalato dal simulatore)
negli schemi ricavati dalla tabella delle combinazioni
agli 0 corrispondono contatti NC ed agli 1 contatti NO.
L'uso del simulatore dovrebbe chiarire il tutto.
Non devi confondere gli ingressi coi contatti virtuali:
quando attivi un ingresso i contatti col suo stesso nome
cambiano di stato (come segnalato dal simulatore)
Torna a Elettrotecnica generale
Chi c’è in linea
Visitano il forum: Nessuno e 29 ospiti

Elettrotecnica e non solo (admin)
Un gatto tra gli elettroni (IsidoroKZ)
Esperienza e simulazioni (g.schgor)
Moleskine di un idraulico (RenzoDF)
Il Blog di ElectroYou (webmaster)
Idee microcontrollate (TardoFreak)
PICcoli grandi PICMicro (Paolino)
Il blog elettrico di carloc (carloc)
DirtEYblooog (dirtydeeds)
Di tutto... un po' (jordan20)
AK47 (lillo)
Esperienze elettroniche (marco438)
Telecomunicazioni musicali (clavicordo)
Automazione ed Elettronica (gustavo)
Direttive per la sicurezza (ErnestoCappelletti)
EYnfo dall'Alaska (mir)
Apriamo il quadro! (attilio)
H7-25 (asdf)
Passione Elettrica (massimob)
Elettroni a spasso (guidob)
Bloguerra (guerra)




