Ma scusa, qui torniamo all' Avviamento/Arresto di un motore!
Rileggi quello che tu hai scritto nel post[30] ..
Se non hai tempo o voglia, meglio smettere.
Studio PLC
Moderatori:
g.schgor,
IsidoroKZ
0
voti
[82] Re: Studio PLC
Ciao gschgor. Il concetto dell'autoritenuta e del pulsante arresto del POST[30] l'ho compreso.
Quello che non ho capito è come mai R1 risulta essere evidenziato, quindi attivo(cambio di stato)senza averlo attivato. Probabilmente perché non ho capito la logica di funzionamento di un relè nel software o perché mi sto perdendo qualche passaggio nello schema. Lo so che potrei sembrare ripetitivo e duro di comprendonio, però prima di andare avanti nello studio vorrei evitare di lasciare indietro delle lacune. Un altro problema e che non so leggere gli schemi che posti prima di ricevere come risposta lo schema elettrico sul software. Porta pazienza ma per me è tutto uno studio completamente nuovo.
Poi con tutto il rispetto se pensi che non abbia tempo o voglia, e credi che ti stia facendo perdere tempo smettiamo pure, senza astio ovviamente e ti ringrazio per quanto spiegatomi fino ad oggi.
Quello che non ho capito è come mai R1 risulta essere evidenziato, quindi attivo(cambio di stato)senza averlo attivato. Probabilmente perché non ho capito la logica di funzionamento di un relè nel software o perché mi sto perdendo qualche passaggio nello schema. Lo so che potrei sembrare ripetitivo e duro di comprendonio, però prima di andare avanti nello studio vorrei evitare di lasciare indietro delle lacune. Un altro problema e che non so leggere gli schemi che posti prima di ricevere come risposta lo schema elettrico sul software. Porta pazienza ma per me è tutto uno studio completamente nuovo.
Poi con tutto il rispetto se pensi che non abbia tempo o voglia, e credi che ti stia facendo perdere tempo smettiamo pure, senza astio ovviamente e ti ringrazio per quanto spiegatomi fino ad oggi.
0
voti
[83] Re: Studio PLC
Ho insistito sull'uso del simulatore proprio per evitare
congetture sbagliate: basta clickare su un ingresso e
vedere l'effetto su relè ed uscite. Se attivate,
è utile rendersi conto del percorso di continuità che le attiva.
Tutto qui.
E' semplice, ma non mi sembra che tu lo stia facendo.
Dopo queste verifiche sui circuiti indicati dovresti
essere in grado di ricavare lo schema chiesto nel post[71]
(che riproduce situazioni già viste).
Io sto aspettando questo (ma non a lungo).
congetture sbagliate: basta clickare su un ingresso e
vedere l'effetto su relè ed uscite. Se attivate,
è utile rendersi conto del percorso di continuità che le attiva.
Tutto qui.
E' semplice, ma non mi sembra che tu lo stia facendo.
Dopo queste verifiche sui circuiti indicati dovresti
essere in grado di ricavare lo schema chiesto nel post[71]
(che riproduce situazioni già viste).
Io sto aspettando questo (ma non a lungo).
0
voti
[84] Re: Studio PLC
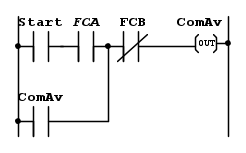
Dopo un'inutilmente lunga attesa di risposta al post[71]
mostro com'era facile la soluzione (dopo aver visto gli esempi precedenti)
Dal grafico nel tempo si vede (come nell'esempio del post[79])
che per attivare ComAv intervengono i contatti di
Start (=1),FCA (=1) e FCB (=0).
Per quanto detto nel post[70], i contatti di Start e FCA
dovranno essere NO, mentre quello di FCB di tipo NC.
ComAv è quindi inizialmente attivato da:
ma il comando non si mantiene sia peril rilascio di Start,
sia anche per la disattivazione di FCA (la slitta lascia la posizione A)
Occorre un'autoritenuta (post[34]
Il comando termina con l'attivazione di FCB (la slitta raggiunge il punto B)
Il primo passo dell'esercizio è fatto, ma per continuare chiedo:
c'è qualcuno dei visitatori interessato?
L'obiettivo finale era infatti quello di vedere in funzione
un ciclo automatico completo, se pur semplice.
mostro com'era facile la soluzione (dopo aver visto gli esempi precedenti)
Dal grafico nel tempo si vede (come nell'esempio del post[79])
che per attivare ComAv intervengono i contatti di
Start (=1),FCA (=1) e FCB (=0).
Per quanto detto nel post[70], i contatti di Start e FCA
dovranno essere NO, mentre quello di FCB di tipo NC.
ComAv è quindi inizialmente attivato da:
ma il comando non si mantiene sia peril rilascio di Start,
sia anche per la disattivazione di FCA (la slitta lascia la posizione A)
Occorre un'autoritenuta (post[34]
Il comando termina con l'attivazione di FCB (la slitta raggiunge il punto B)
Il primo passo dell'esercizio è fatto, ma per continuare chiedo:
c'è qualcuno dei visitatori interessato?
L'obiettivo finale era infatti quello di vedere in funzione
un ciclo automatico completo, se pur semplice.
Torna a Elettrotecnica generale
Chi c’è in linea
Visitano il forum: Nessuno e 28 ospiti

Elettrotecnica e non solo (admin)
Un gatto tra gli elettroni (IsidoroKZ)
Esperienza e simulazioni (g.schgor)
Moleskine di un idraulico (RenzoDF)
Il Blog di ElectroYou (webmaster)
Idee microcontrollate (TardoFreak)
PICcoli grandi PICMicro (Paolino)
Il blog elettrico di carloc (carloc)
DirtEYblooog (dirtydeeds)
Di tutto... un po' (jordan20)
AK47 (lillo)
Esperienze elettroniche (marco438)
Telecomunicazioni musicali (clavicordo)
Automazione ed Elettronica (gustavo)
Direttive per la sicurezza (ErnestoCappelletti)
EYnfo dall'Alaska (mir)
Apriamo il quadro! (attilio)
H7-25 (asdf)
Passione Elettrica (massimob)
Elettroni a spasso (guidob)
Bloguerra (guerra)




