Cos'è ElectroYou | Login Iscriviti

ElectroYou - la comunità dei professionisti del mondo elettrico

informazioni su un trasformatore trimonofase

Circuiti, campi elettromagnetici e teoria delle linee di trasmissione e distribuzione dell’energia elettrica

Moderatori: Foto Utenteg.schgor, Foto UtenteIsidoroKZ

0
voti

[1] informazioni su un trasformatore trimonofase

Messaggioda Foto Utentemorettosa » 22 giu 2009, 16:05

buon giorno a tutti ,mi chiamo simone ed e la prima volta che scrivo su questo forum.
volevo avere informazioni relative ad un trasformatore trimonofase (funzionamento ) e specialmente sapere come si misurano le perdite a vuoto ,le perdite a carico e il calcolo della tensione di cortocircuito.
spero possiate aiutarmi e io spero di esservi di aiuto in altri casi :-)
Avatar utente
Foto Utentemorettosa
0 2
 
Messaggi: 18
Iscritto il: 22 giu 2009, 15:59

0
voti

[2] Re: informazioni su un trasformatore trimonofase

Messaggioda Foto UtenteRenzoDF » 22 giu 2009, 16:25

Spiegaci com'e' fatto questo trasformatore ?
"Il circuito ha sempre ragione" (Luigi Malesani)
Avatar utente
Foto UtenteRenzoDF
55,9k 8 12 13
G.Master EY
G.Master EY
 
Messaggi: 13189
Iscritto il: 4 ott 2008, 9:55

0
voti

[3] Re: informazioni su un trasformatore trimonofase

Messaggioda Foto Utentemorettosa » 22 giu 2009, 16:33

ok non ce lho ancora sotto mano a occhio e croce e fatto come un nucleo trifase con 3 colonne di alta tensione in resina di cui le colonne esterne son quelle vere mentre quella centrale e' una colonna fittizia.
il secondario e composto da 2 avvolgimenti sulle colonne esterne messi in serie tra di loro (monofase).
le misure vengono effettuate attravarso un lem norma d6000 con sistema 3 ta 3 tv .
il circuito e visto sul alta tensione come 3 avvolgimenti collegati a stella e sulla bassa come una serie di 2 avvolgimenti (da qui il nome trimonofase).
altro sulla macchina a parte tensioni correnti ecc ecc non so .
Avatar utente
Foto Utentemorettosa
0 2
 
Messaggi: 18
Iscritto il: 22 giu 2009, 15:59

0
voti

[4] Re: informazioni su un trasformatore trimonofase

Messaggioda Foto Utentedursino » 22 giu 2009, 16:34

Te lo chiedo io prima che tu lo chieda Renzo..Cosa studi e dove?
Tornando alla tua domanda..Permettimi di dubitare sulla parola tri-monofase.. :D
Comunque il trasformatore è un dispositivo magnetico STATICO.che può essere semplificato come due avvolgimenti in un materiale FERRO-MAGNETICO, i due avvolgimenti sono definiti primario e secondario.
Saltando il trasf. ideale ,il trasf REALE può essere schematizzato come una resistenza in parallelo con una impedenza (induttanza) denominate RM e Xm queste sono dovute all'effetto dell'isteresi e delle correnti vorticose del nucleo ferromagnetico del Trasformatore in più troviamo una resistenza in serie con induttanza dovute al fatto che la permeabilità magnetica non è più costante ma VARIA ed al fatto che le resistenze dei conduttori degli avvolgimenti non possono essere trascurati,nel lato secondario invece sono presenti solo quest'ultime.
RM=v0^2/P0
Xm=1/(bm);bm=sqrt(ym^2-Gm^2) dove Gm è l'inverso di rm (Conduttanza) ,Ym è I0/V0.
Cosa vuoi sapere ancora? Ovviamente parlo del mono-fase il trifase può essere immaginato come 3 trasformatori uno sopra l'altro..
Avatar utente
Foto Utentedursino
265 1 5 5
Expert
Expert
 
Messaggi: 537
Iscritto il: 8 mar 2009, 13:24

0
voti

[5] Re: informazioni su un trasformatore trimonofase

Messaggioda Foto Utentemorettosa » 22 giu 2009, 16:38

mah direi che non studio .
effettivamente esiste la parola trimonofase che non e' ne un monofase e neanche un banco trifase (banco trifase si intende 3 monofasi collegati tra di loro ).
ho provato tantissimi trasformatori in tutte le salse ma anche per me e' la prima volta che incontro questo tipo di macchina e devo dire la verita non ho la minima idea :-)
io lavoro in una sala prove .
Avatar utente
Foto Utentemorettosa
0 2
 
Messaggi: 18
Iscritto il: 22 giu 2009, 15:59

0
voti

[6] Re: informazioni su un trasformatore trimonofase

Messaggioda Foto Utentedursino » 22 giu 2009, 16:44

:shock: :shock: Allora forse tutto ciò che ho detto sono strullate.
Sentiamo Renzo..
Avatar utente
Foto Utentedursino
265 1 5 5
Expert
Expert
 
Messaggi: 537
Iscritto il: 8 mar 2009, 13:24

0
voti

[7] Re: informazioni su un trasformatore trimonofase

Messaggioda Foto Utentemorettosa » 22 giu 2009, 16:47

no le cose che hai detto son vere in teoria.poi in pratica ti cambiano molte cose a livello di prove.un esempio banale e leggere la norma sugli impulsi e poi farli :D
Avatar utente
Foto Utentemorettosa
0 2
 
Messaggi: 18
Iscritto il: 22 giu 2009, 15:59

0
voti

[8] Re: informazioni su un trasformatore trimonofase

Messaggioda Foto UtenteRenzoDF » 22 giu 2009, 17:24

morettosa ha scritto:ok non ce lho ancora sotto mano a occhio e croce e fatto come un nucleo trifase con 3 colonne di alta tensione in resina di cui le colonne esterne son quelle vere mentre quella centrale e' una colonna fittizia.
il secondario e composto da 2 avvolgimenti sulle colonne esterne messi in serie tra di loro (monofase).
le misure vengono effettuate attravarso un lem norma d6000 con sistema 3 ta 3 tv .
il circuito e visto sul alta tensione come 3 avvolgimenti collegati a stella e sulla bassa come una serie di 2 avvolgimenti (da qui il nome trimonofase).
altro sulla macchina a parte tensioni correnti ecc ecc non so .


me lo faresti un disegnino ? ... grazie :D
"Il circuito ha sempre ragione" (Luigi Malesani)
Avatar utente
Foto UtenteRenzoDF
55,9k 8 12 13
G.Master EY
G.Master EY
 
Messaggi: 13189
Iscritto il: 4 ott 2008, 9:55

0
voti

[9] Re: informazioni su un trasformatore trimonofase

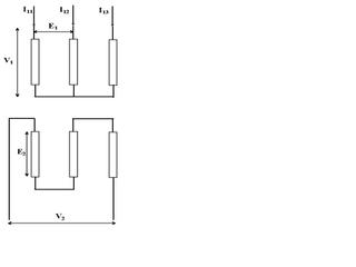
Messaggioda Foto Utentemorettosa » 22 giu 2009, 19:43

ecco il disegno

3-2.jpg
3-2.jpg (9.53 KiB) Osservato 6156 volte


intanto mi sono documentato ,per la prova a vuoto potrebbe essere fattibile alimentando dal lato di media tensione a 20000v in trifase.
ho ricavato presso un centro ricerca che le uniche norme che parlano di queste macchine sono le americane :D .
ovviamente norme che io non ho o almeno ho a spezzoni
Avatar utente
Foto Utentemorettosa
0 2
 
Messaggi: 18
Iscritto il: 22 giu 2009, 15:59

0
voti

[10] Re: informazioni su un trasformatore trimonofase

Messaggioda Foto UtenteRenzoDF » 22 giu 2009, 19:59

morettosa ha scritto:ecco il disegno


ah questa non la avevo mai vista :mrgreen: ... e pure senza neutro al primario ...

a) hai idea di che squilibrio crei sulle correnti primarie ?

b) ma dove le trovate queste idee ?

c) che cosa ci devi fare poi con questa tensione monofase ? ... alimentare cosa :?:


morettosa ha scritto:intanto mi sono documentato ,per la prova a vuoto potrebbe essere fattibile alimentando dal lato di media tensione a 20000v in trifase.

ecco ... appunto ... questo trasformatore non ha solo l'alta e la bassa tensione --- ha anche la media ... adesso si spiega :!: :mrgreen:

morettosa ha scritto:ho ricavato presso un centro ricerca che le uniche norme che parlano di queste macchine sono le americane ...ovviamente norme che io non ho o almeno ho a spezzoni


se ce le passi .... qual è questo centro di ricerca :?: .... e dai .... posta il link :!:

BTW ... hai detto che non studi ... ma allora cosa fai di preciso per essere così interessato a queste novità :?:
"Il circuito ha sempre ragione" (Luigi Malesani)
Avatar utente
Foto UtenteRenzoDF
55,9k 8 12 13
G.Master EY
G.Master EY
 
Messaggi: 13189
Iscritto il: 4 ott 2008, 9:55

Prossimo

Torna a Elettrotecnica generale

Chi c’è in linea

Visitano il forum: Google [Bot] e 22 ospiti