Cos'è ElectroYou | Login Iscriviti

ElectroYou - la comunità dei professionisti del mondo elettrico

semplificazione in c.c.

Circuiti, campi elettromagnetici e teoria delle linee di trasmissione e distribuzione dell’energia elettrica

Moderatori: Foto Utenteg.schgor, Foto UtenteIsidoroKZ

0
voti

[1] semplificazione in c.c.

Messaggioda Foto Utenteocean » 24 ago 2010, 1:53

salve mi sono appena iscritto e vi ringrazio per le utilissime lezioni di elettrotecnica del sito.
sto cercando di preparare un esame di elettrotecnica e ho già usato le risorse offerte dal sito per cercare di capire qualcosa di più :mrgreen:

ho trovato questo esercizio con relativa soluzione in delle dispense, ma non riesco assolutamente a capire il seguente passaggio
da:
1.jpg
1.jpg (15.78 KiB) Osservato 9309 volte

all'equivalente:
2.jpg
2.jpg (9.95 KiB) Osservato 9310 volte


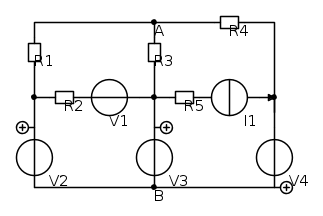
non riesco in particolare a capire per quale motivo vengono eliminati quei lati della maglia per effettuare la semplificazione.
dopo la semplificazione l'esercizio dovrebbe essere facilmente risolvibile con il teorema di Millman.

vorrei anche sapere se ci fossero delle "regole" di semplificazione da tenere a mente (ad esempio eliminare i lati tra nodi equipotenziali) in modo da semplificare la risoluzione degli esercizi ](*,)

grazie
Avatar utente
Foto Utenteocean
0 3
 
Messaggi: 22
Iscritto il: 24 ago 2010, 1:27

0
voti

[2] Re: semplificazione in c.c.

Messaggioda Foto UtenteIsidoroKZ » 24 ago 2010, 6:42

Uh che brutta cosa studiare elettrotecnica ad agosto :( In che universita` sei, cosi` crudele da fare studiare i suoi studenti anche ad agosto? :) Comunque benvenuto!

Le due reti sono equivalenti solo per alcune proprieta`, per altre no. Per semplificare bisogna anche sapere quali proprieta` bisogna preservare, quali invece si possono tralasciare.

Se la domanda e` trovare il potenziale del nodo A rispetto al nodo in cui convergono i tre generatori di tensione, allora la semplificazione e` lecita.

Per questa semplificazione si sfrutta il fatto che un bipolo connesso in parallelo a un generatore di tensione (e il duale di un bipolo in serie a un generatore di corrente) non cambia le tensioni e correnti nel resto della rete (nel generatore pero` le cambia).

I due rami che sono stati eliminati (anche inutilmente direi, potevano lasciarli, non danno fastidio a nessuno) sono collegati in parallelo a un generatore di tensione equivalente formato dalla serie dei due generatori di tensione.

Se poi fai disegno un po' migliore, ad esempio con fidocad, cosi` che sia editabile dagli altri utenti, viene facile per me ad esempio aggiungere delle indicazioni sullo schema in modo da rendere le spiegazioni piu` complete.
Per usare proficuamente un simulatore, bisogna sapere molta più elettronica di lui
Plug it in - it works better!
Il 555 sta all'elettronica come Arduino all'informatica! (entrambi loro malgrado)
Se volete risposte rispondete a tutte le mie domande
Avatar utente
Foto UtenteIsidoroKZ
121,2k 1 3 8
G.Master EY
G.Master EY
 
Messaggi: 21059
Iscritto il: 17 ott 2009, 0:00

0
voti

[3] Re: semplificazione in c.c.

Messaggioda Foto Utenteocean » 24 ago 2010, 10:50

IsidoroKZ ha scritto:Uh che brutta cosa studiare elettrotecnica ad agosto :( In che universita` sei, cosi` crudele da fare studiare i suoi studenti anche ad agosto? :) Comunque benvenuto!


politecnico :evil: meno male che l'elettronica mi piace per altri motivi :lol:

Le due reti sono equivalenti solo per alcune proprieta`, per altre no. Per semplificare bisogna anche sapere quali proprieta` bisogna preservare, quali invece si possono tralasciare.
Se la domanda e` trovare il potenziale del nodo A rispetto al nodo in cui convergono i tre generatori di tensione, allora la semplificazione e` lecita.


Sì la domanda è esattamente quella.

Per questa semplificazione si sfrutta il fatto che un bipolo connesso in parallelo a un generatore di tensione (e il duale di un bipolo in serie a un generatore di corrente) non cambia le tensioni e correnti nel resto della rete (nel generatore pero` le cambia).

I due rami che sono stati eliminati (anche inutilmente direi, potevano lasciarli, non danno fastidio a nessuno) sono collegati in parallelo a un generatore di tensione equivalente formato dalla serie dei due generatori di tensione.


Se poi fai disegno un po' migliore, ad esempio con fidocad, cosi` che sia editabile dagli altri utenti, viene facile per me ad esempio aggiungere delle indicazioni sullo schema in modo da rendere le spiegazioni piu` complete.

fatto!



mai usato prima d'ora FidoCAD però. quindi non sono responsabile di schifezze sul disegno ho fatto del mio meglio :P
grazie mille per la risposta :)
Avatar utente
Foto Utenteocean
0 3
 
Messaggi: 22
Iscritto il: 24 ago 2010, 1:27

0
voti

[4] Re: semplificazione in c.c.

Messaggioda Foto UtenteRenzoDF » 24 ago 2010, 14:54


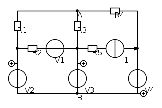
La spiegazione te l'ha gia' data Isidoro, la semplificazione, valida per il calcolo della ddp VAB=VA-VB (ma non per es. per il calcolo delle correnti relative ai generatori), è permessa dalla presenza dei tre generatori di tensione ideali inferiori, che mantengono i potenziali dei punti C, D ed E rispettivamente a 1V, 2V e -1V rispetto a B, indipendentemente dai lati orizzontali intermedi che "insistono" sugli stessi punti.
In altre parole, la sottorete inferiore

puo' essere sostituita dalla seguente

Come gia' sottolineato da Isidoro, Millman si potrebbe applicare direttamente, senza nessuna semplificazione preliminare, in quanto basterebbe scrivere (usando le tue convenzioni)
V_{AB}=\frac{V_{2}Y_{1}+V_{3}Y_{3}-V_{4}Y_{4}}{Y_{1}+Y_{3}+Y_{4}}=\frac{1\times 1+2\times \frac{1}{2}-1\times \frac{1}{3}}{1+\frac{1}{2}+\frac{1}{3}}=\frac{10}{11}\,\,V
"Il circuito ha sempre ragione" (Luigi Malesani)
Avatar utente
Foto UtenteRenzoDF
55,9k 8 12 13
G.Master EY
G.Master EY
 
Messaggi: 13189
Iscritto il: 4 ott 2008, 9:55

0
voti

[5] Re: semplificazione in c.c.

Messaggioda Foto Utenteocean » 25 ago 2010, 19:26

grazie ho capito :mrgreen:
non vorrei approfittare troppo della gentilezza ma... avrei un altro problemino :lol:
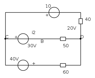
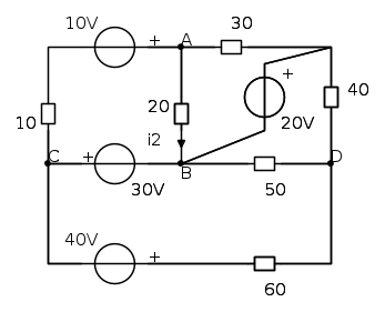
nel testo dell'esercizio è richiesto di trovare i2 e utilizzare Millman:


facendo le stesse considerazioni dell'altro esercizio ho rimosso il resistore tra A e B e non riesco a proseguire oltre...
in realtà ho fatto un po' di prove ma il risultato mi viene sempre differente da quello della simulazione in PSPICE (9.1 student edition).


edit: sono arrivato a questa semplificazione dato che rimuovendo la resistenza mi trovo con un ramo su cui la tensione è imposta dai due generatori all'esterno (giusto?)


(e pspice sembra confermare :P)

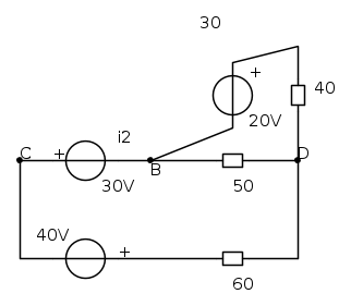
quindi dovrebbe essere possibile effettuare un ulteriore passaggio:
Avatar utente
Foto Utenteocean
0 3
 
Messaggi: 22
Iscritto il: 24 ago 2010, 1:27

0
voti

[6] Re: semplificazione in c.c.

Messaggioda Foto Utenteocean » 25 ago 2010, 20:05

basta applicare Millman e il risultato è 2.972V come confermato da PSPICE \:D/
sto pensando di applicare KVL/KCL su vari maglie/nodi per trovare i2, ma probabilmente c'è una soluzione semplice che non riesco a trovare, se qualcuno mi illumina gliene sarò grato :mrgreen:
Avatar utente
Foto Utenteocean
0 3
 
Messaggi: 22
Iscritto il: 24 ago 2010, 1:27

0
voti

[7] Re: semplificazione in c.c.

Messaggioda Foto UtenteIsidoroKZ » 25 ago 2010, 21:01

Non ho capito dove hai applicato il teorema di Millman, per questo ti lascio agli specialisti di questo :)

Invece non mi sembra si possa togliere la resistenza fra A e B, perche' non e` in parallelo a una sorgente con impedenza nulla. Se fai un giro ad esempio attraverso i generatori da 10V e da 30V, passi per una resistenza da 10ohm, che scombina tutto. Se non ci fosse la R da 10 ohm allora si potrebbe fare, ma con quella non si puo` effettuare la semplificazione che volevi fare.
Per usare proficuamente un simulatore, bisogna sapere molta più elettronica di lui
Plug it in - it works better!
Il 555 sta all'elettronica come Arduino all'informatica! (entrambi loro malgrado)
Se volete risposte rispondete a tutte le mie domande
Avatar utente
Foto UtenteIsidoroKZ
121,2k 1 3 8
G.Master EY
G.Master EY
 
Messaggi: 21059
Iscritto il: 17 ott 2009, 0:00

0
voti

[8] Re: semplificazione in c.c.

Messaggioda Foto Utenteocean » 25 ago 2010, 22:08

IsidoroKZ ha scritto:Non ho capito dove hai applicato il teorema di Millman, per questo ti lascio agli specialisti di questo :)

Invece non mi sembra si possa togliere la resistenza fra A e B, perche' non e` in parallelo a una sorgente con impedenza nulla. Se fai un giro ad esempio attraverso i generatori da 10V e da 30V, passi per una resistenza da 10ohm, che scombina tutto. Se non ci fosse la R da 10 ohm allora si potrebbe fare, ma con quella non si puo` effettuare la semplificazione che volevi fare.


non mi convinceva molto, eppure PSpice (può anche essere che ho sbagliato la simulazione, usato pochissime volte) prendendo come nodo di riferimento "0" il nodo B ed effettuando la simulazione sia nel caso iniziale che in quello finale il valore della ddp tra A e B è sempre di 2.973V ma probabilmente ho fatto io qualcosa di stupido :mrgreen:

anche ottenendo la ddp tra A e B adesso non so come proseguire senza fare troppi conti con KVL/KCL quindi sicuramente c'è un modo di semplificare che mi sfugge #-o
Avatar utente
Foto Utenteocean
0 3
 
Messaggi: 22
Iscritto il: 24 ago 2010, 1:27

0
voti

[9] Re: semplificazione in c.c.

Messaggioda Foto UtenteRenzoDF » 25 ago 2010, 22:27

Scusa ma non dovevi trovare i2 (attraverso i 20 ohm verticali), e di conseguenza VAB :?:


... nella tua semplificazione, pur corretta, la corrente i2 non compare (come del resto il punto A) e non puo' essere determinata :!:

[ il tuo 2.973V è la VCD :!: ]

Il metodo migliore è proprio con Millman, ed è pure semplicissimo; come al solito NON serve nemmeno semplificare :D

VAB=280/11 V e quindi I2=14/11 A.

Lascio comunque a te provare a ricavare il suddetto valore :wink:
"Il circuito ha sempre ragione" (Luigi Malesani)
Avatar utente
Foto UtenteRenzoDF
55,9k 8 12 13
G.Master EY
G.Master EY
 
Messaggi: 13189
Iscritto il: 4 ott 2008, 9:55

0
voti

[10] Re: semplificazione in c.c.

Messaggioda Foto Utenteocean » 25 ago 2010, 22:52

RenzoDF ha scritto:Scusa ma non dovevi trovare i2 (attraverso i 20 ohm verticali), e di conseguenza VAB :?:


sto dando di matto con questo esame :-"
grazie ancora
ci provo un altro po' e vediamo che riesco a combinare
Avatar utente
Foto Utenteocean
0 3
 
Messaggi: 22
Iscritto il: 24 ago 2010, 1:27

Prossimo

Torna a Elettrotecnica generale

Chi c’è in linea

Visitano il forum: Nessuno e 100 ospiti