Cos'è ElectroYou | Login Iscriviti

ElectroYou - la comunità dei professionisti del mondo elettrico

esercizio trifase 2

Circuiti, campi elettromagnetici e teoria delle linee di trasmissione e distribuzione dell’energia elettrica

Moderatori: Foto Utenteg.schgor, Foto UtenteIsidoroKZ

0
voti

[1] esercizio trifase 2

Messaggioda Foto Utenteluigia » 7 set 2010, 13:42

é la seconda volta che chiedo la vostra mano oggi, mi scuso ma prometto che è l'ultima!
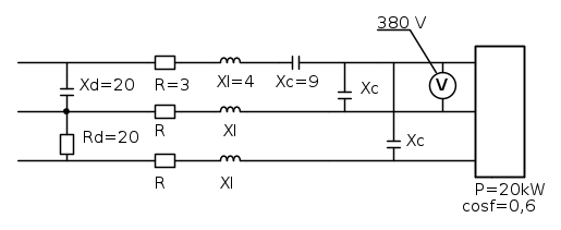
l'esercizio su cui lavoro è il seguente:

il mio problema è che non so come trattare questo carico squilibrato... :(
non ho bisogno di conti ma solo suggerimenti per risolverlo.
Ah dimenticavo, l'obiettivo è calcolare il valore efficace delle correnti in alimentazione..
Ultima modifica di Foto Utenteluigia il 7 set 2010, 13:57, modificato 1 volta in totale.
Avatar utente
Foto Utenteluigia
0 2
 
Messaggi: 18
Iscritto il: 6 set 2010, 19:51

0
voti

[2] Re: esercizio trifase 2

Messaggioda Foto Utenteadmin » 7 set 2010, 13:50

Sei sicuro/a che ci sia quella capacità in serie sulla linea superiore?
Avatar utente
Foto Utenteadmin
196,6k 9 12 17
Manager
Manager
 
Messaggi: 11951
Iscritto il: 6 ago 2004, 13:14

0
voti

[3] Re: esercizio trifase 2

Messaggioda Foto Utenteluigia » 7 set 2010, 13:51

sicurissima
Avatar utente
Foto Utenteluigia
0 2
 
Messaggi: 18
Iscritto il: 6 set 2010, 19:51

0
voti

[4] Re: esercizio trifase 2

Messaggioda Foto UtenteRenzoDF » 7 set 2010, 13:52

qui non ci sono consigli da dare, c'è solo da partire dal fondo e procedere a ritroso fino ai terminali d'ingresso

luigia ha scritto:il mio problema è che non so come trattare questo carico squilibrato... :(
..


... ridurlo al silenzio ... a colpi di "calcolo simbolico" :!: :mrgreen:

... dove lo hai trovato questo esercizio ? ... non è che studi a Pisa vero ?
"Il circuito ha sempre ragione" (Luigi Malesani)
Avatar utente
Foto UtenteRenzoDF
55,9k 8 12 13
G.Master EY
G.Master EY
 
Messaggi: 13189
Iscritto il: 4 ott 2008, 9:55

0
voti

[5] Re: esercizio trifase 2

Messaggioda Foto Utenteluigia » 7 set 2010, 13:57

no a Napoli...
l'esercizio è uno che il prof ha messo sul sito ma non ho la soluzione..
Avatar utente
Foto Utenteluigia
0 2
 
Messaggi: 18
Iscritto il: 6 set 2010, 19:51

0
voti

[6] Re: esercizio trifase 2

Messaggioda Foto Utenteluigia » 7 set 2010, 14:10

Sapete..il mio problema qui non è fare i conti coi fasori...ma piuttosto che in genere se ho carichi squilibrati applico Millmann per ricavare lo spostamento del centro stella, ma qui come si applica? Oppure devo trovare le tensioni ai capi del carico a destra, poi imporre che la E1=(R+j(Xl-Xc))+E1m
E2=(R+jXl)+E2m, E3=(R+jXl)+E3m.......ma mi sembra strano....
Oppur avevo pensato di vedere il carico a destra come 3 impedenze su ogni linea, ognuna costituita da una R=PM/3 e XL=QM/3...e applicare Millmann..
mi serve aiuto...
Avatar utente
Foto Utenteluigia
0 2
 
Messaggi: 18
Iscritto il: 6 set 2010, 19:51

0
voti

[7] Re: esercizio trifase 2

Messaggioda Foto Utenteadmin » 7 set 2010, 14:29

luigia ha scritto:sicurissima

Ma almeno dice che le tensioni sul carico finale sono simmetriche?
Non c'è un testo esplicativo?
Avatar utente
Foto Utenteadmin
196,6k 9 12 17
Manager
Manager
 
Messaggi: 11951
Iscritto il: 6 ago 2004, 13:14

0
voti

[8] Re: esercizio trifase 2

Messaggioda Foto Utenteluigia » 7 set 2010, 15:48

scusami hai ragione.
Testo:''si determini il valore efficace delle 3 correnti di linea nella rete trifase alimentata da una terna simmetrica diretta di tensioni concatenate''
oltre a questo non ho veramente più niente
Avatar utente
Foto Utenteluigia
0 2
 
Messaggi: 18
Iscritto il: 6 set 2010, 19:51

0
voti

[9] Re: esercizio trifase 2

Messaggioda Foto Utenteluigia » 7 set 2010, 15:51

Assumendo che al carico siano simmetriche come procedo?
Avatar utente
Foto Utenteluigia
0 2
 
Messaggi: 18
Iscritto il: 6 set 2010, 19:51

0
voti

[10] Re: esercizio trifase 2

Messaggioda Foto UtenteRenzoDF » 7 set 2010, 16:12

luigia ha scritto:scusami hai ragione.
Testo:''si determini il valore efficace delle 3 correnti di linea nella rete trifase alimentata da una terna simmetrica diretta di tensioni concatenate''
oltre a questo non ho veramente più niente


se hai questo nel testo, allora sei proprio "sistemata/o" a meno che i dati del carico equilibrato di destra non siano quelli nominali (tensione 380 V compresa) in quanto se alimentiamo con una terna simmetrica quella rete, di sicuro non ce ne ritroviamo una simmetrica sul carico e di conseguenza quella potenza non ti permetterebbe di calcolare le tre correnti sul carico (che sarebbero diverse pure come modulo) e nemmeno lo sfasamento in quanto quel 0,6 sarebbe un fattore di potenza medio convenzionale :mrgreen:

Come vi continuiamo a ripetere, postate l'O-RI-GI-NA-LE ! del problema ! :?

hai parlato di sito ... qual è questo indirizzo ? ... sarei proprio curioso di leggerlo personalmente questo testo ... non riceverlo per "tradizione orale"! ...come si chiama il tuo Prof ? ... Omero ? :D
"Il circuito ha sempre ragione" (Luigi Malesani)
Avatar utente
Foto UtenteRenzoDF
55,9k 8 12 13
G.Master EY
G.Master EY
 
Messaggi: 13189
Iscritto il: 4 ott 2008, 9:55

Prossimo

Torna a Elettrotecnica generale

Chi c’è in linea

Visitano il forum: Google [Bot] e 67 ospiti