luce emergenza gewiss
Moderatori:
g.schgor,
IsidoroKZ
20 messaggi
• Pagina 1 di 2 • 1, 2
0
voti
Saluti e auguri.Cerco un aiuto per risolvere un problema su una luce di emergenza Gewiss , quelle che si inseriscono nelle scatole da frutto 503.In breve non si accende più il led verde di funzionamento regolare e di quello rosso che indica la ricarica in corso.A disposizione per allegare eventuale schema e foto.Grazie Maurizio
-

mauri211256
0 2 - Messaggi: 16
- Iscritto il: 27 dic 2010, 13:26
0
voti
mauri211256 ha scritto:A disposizione per allegare eventuale schema e foto
Direi che è fondamentale, allega allega!
Ricordati di ridimensionare l'immagine in modo che sia larga circa 800px e inseriscila in linea col testo.
saluti
in /dev/null no one can hear you scream
0
voti
Salve Angus,intanto grazie dell'attenzione e chiedo gentilmente indicazioni per allegare le foto ed il circuito.Grazie
-

mauri211256
0 2 - Messaggi: 16
- Iscritto il: 27 dic 2010, 13:26
0
voti
Grazie deicomplimenti per il tavolo : un bel riccardo 3° di montelibretti,Ma per quanto riguarda il lato piste ci sono le batterie e un condensatore che coprono il tutto.Comunque lo schema allegato è fedele ,bisogna vederlo solo sottoposto ai componenti.Ne ho realizzato un altro più preciso che allego :
-

mauri211256
0 2 - Messaggi: 16
- Iscritto il: 27 dic 2010, 13:26
1
voti
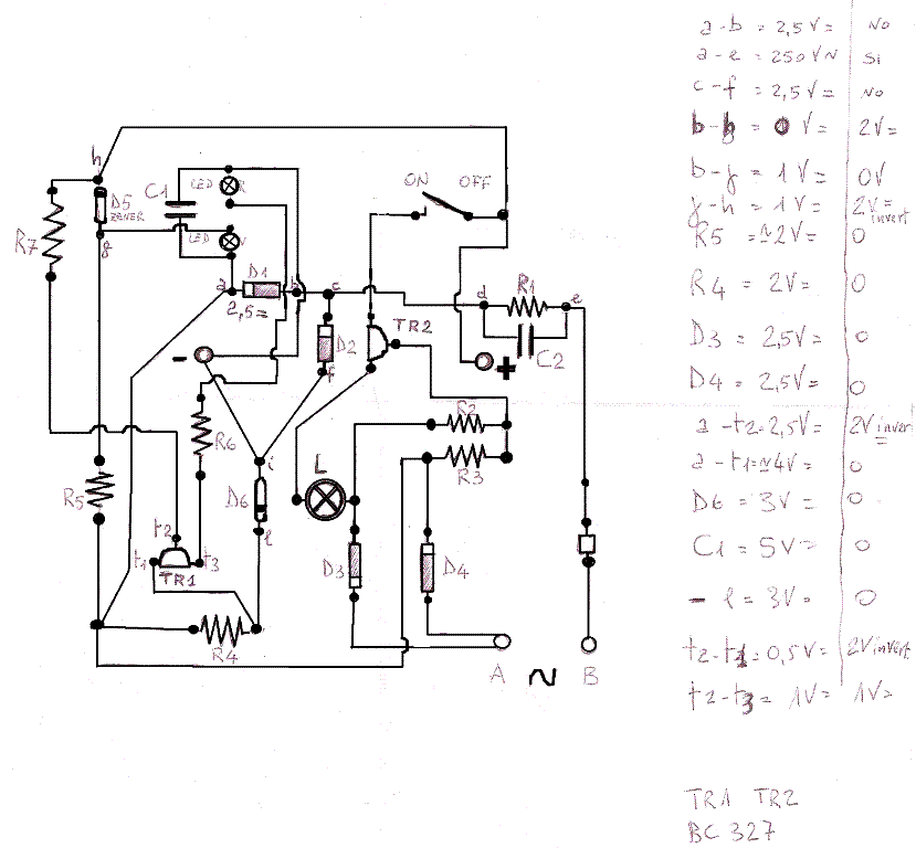
...visto il tuo eroico sforzo nel produrre quei disegni... ho "strigato" lo schema per renderlo comprensibile (appena posso lo posto) però avrei due domande due anzi tre...
1)sembrerebbe mancare un collegamento per rendere sensato lo schema, è possibile ci sia una pista che hai dimenitcato tra i punti (anodo D3, unione R2 e lampada) e (anodo D2, - C1, -batteria, anodo zener, catodo LED rosso) ???
2)sei sicuro del funzionamento originale dei LED, a me verrebbe VERDE=(rete on, in carica) e ROSSO=(batteria scarica/guasta)
3)sei sicuro delle bande colorate di R5, come le hai messe verrebbe 210 ohm ma non è un valore standard...
1)sembrerebbe mancare un collegamento per rendere sensato lo schema, è possibile ci sia una pista che hai dimenitcato tra i punti (anodo D3, unione R2 e lampada) e (anodo D2, - C1, -batteria, anodo zener, catodo LED rosso) ???
2)sei sicuro del funzionamento originale dei LED, a me verrebbe VERDE=(rete on, in carica) e ROSSO=(batteria scarica/guasta)
3)sei sicuro delle bande colorate di R5, come le hai messe verrebbe 210 ohm ma non è un valore standard...
Se ti serve il valore di beta: hai sbagliato il progetto!
1
voti
..direi che se effettivamente hai "saltato" il collegamento di [8].1 lo schema dovrebbe essere questo...altrimenti secondo me non può funzionare???
Disegnato così è un po' più chiaro...
nel primo schema avevi messo anche delle misure, ma non mi sono molto chiare, potresti postare le tensioni nei punti principali rispetto a -BATT nei due casi con 220 V e senza...
comunque se su Vcc hai sui 5V, sulla batteria 2.5/2.8V e il LED verde non si accende il primo sospettato è proprio il LED...
P.S. OCCHIO ALLA PELLE!!! TUTTO IL CIRCUITO E' AL POTENZIALE DI RETE!!
Disegnato così è un po' più chiaro...
nel primo schema avevi messo anche delle misure, ma non mi sono molto chiare, potresti postare le tensioni nei punti principali rispetto a -BATT nei due casi con 220 V e senza...
comunque se su Vcc hai sui 5V, sulla batteria 2.5/2.8V e il LED verde non si accende il primo sospettato è proprio il LED...
P.S. OCCHIO ALLA PELLE!!! TUTTO IL CIRCUITO E' AL POTENZIALE DI RETE!!
Se ti serve il valore di beta: hai sbagliato il progetto!
20 messaggi
• Pagina 1 di 2 • 1, 2
Torna a Elettrotecnica generale
Chi c’è in linea
Visitano il forum: Nessuno e 117 ospiti

Elettrotecnica e non solo (admin)
Un gatto tra gli elettroni (IsidoroKZ)
Esperienza e simulazioni (g.schgor)
Moleskine di un idraulico (RenzoDF)
Il Blog di ElectroYou (webmaster)
Idee microcontrollate (TardoFreak)
PICcoli grandi PICMicro (Paolino)
Il blog elettrico di carloc (carloc)
DirtEYblooog (dirtydeeds)
Di tutto... un po' (jordan20)
AK47 (lillo)
Esperienze elettroniche (marco438)
Telecomunicazioni musicali (clavicordo)
Automazione ed Elettronica (gustavo)
Direttive per la sicurezza (ErnestoCappelletti)
EYnfo dall'Alaska (mir)
Apriamo il quadro! (attilio)
H7-25 (asdf)
Passione Elettrica (massimob)
Elettroni a spasso (guidob)
Bloguerra (guerra)



