Trasformatore Ideale e circuito equivalente.

Circuiti, campi elettromagnetici e teoria delle linee di trasmissione e distribuzione dell’energia elettrica

Moderatori: Foto Utenteg.schgor, Foto UtenteIsidoroKZ

Avatar utente
Foto Utentealessandrovw
0 3
Messaggi: 43
Iscritto il: 9 apr 2010, 20:31
0
voti

[1] Trasformatore Ideale e circuito equivalente.

Messaggioda Foto Utentealessandrovw » 21 feb 2011, 18:49

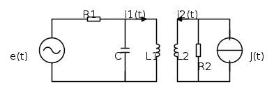
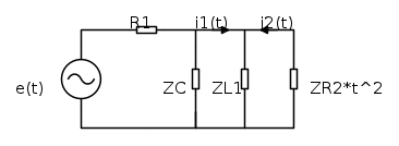
Buon pomeriggio a tutti, vi posto quest altro problema inerente ad un trasformatore questa volta:
Con rif al seguente circuito in regime sinusoidale calcolare le correnti i1(t)e i2(t):


DATI:
R=10OHM
R2=1OHM
C=62micRoF
L1=16mH, L2=4mH
j(t)=2cos(1000t) A
e(t)=100sin(1000t) V

Tra poco posterò anche la mia soluzione, però quello che non riesco a risolvere io di questo problema è i2(t).
Cioè una volta fatto il circuito equivalente (io ho portato dal 2°al 1°) trovo la i1(t) che sarebbe la corrente passante in L1 ma poi da quel circuito come faccio a sapere qual è i2(t) che sarebbe la corrente passante in L2?

Avatar utente
Foto Utenteadmin
196,7k 9 12 17
Manager
Manager
Messaggi: 11958
Iscritto il: 6 ago 2004, 13:14
Contatta:
0
voti

[2] Re: Trasformatore Ideale e circuito equivalente.

Messaggioda Foto Utenteadmin » 21 feb 2011, 18:57

alessandrovw ha scritto:[..]ma poi da quel circuito come faccio a sapere qual è i2(t) che sarebbe la corrente passante in L2?

Con il rapporto di trasformazione

Avatar utente
Foto Utentealessandrovw
0 3
Messaggi: 43
Iscritto il: 9 apr 2010, 20:31
0
voti

[3] Re: Trasformatore Ideale e circuito equivalente.

Messaggioda Foto Utentealessandrovw » 21 feb 2011, 19:47

Admin Grazie per la risp.
Io pure volevo risolverlo così però essendo questa una traccia di esame di 2 sett. fa circa dei miei compagni di corso che sono andati a fare la prova hanno poi assistito alla "correzione" di questo esercizio e il prof ha detto che non si faceva con la formula perché la i1(t) che sta nella formula è diversa dalla i1(t) che sta disegnata nel circuito analogamente per i2(t)...ora non so nemmeno io perché abbia detto questo mi sembra strano però me l'ha detto più di una persona che ha detto così.
Io comunque l'ho svolto in questo modo:


L1*L2=M^2 ACC.PERFETTO

\frac{L1}{M}=n=t=\frac{16}{8}=2



APPLICO SOVRAPP. DEGLI EFFETTI: SPENGO J



ZM=\frac{ZR*t^2*ZL1}{ZRt^"2+ZL1}



ZN=\frac{ZM*ZC}{ZM+ZC}



Zeq=ZM+ZN

ie' =\frac{E}{Zeq}

i1' =IM*\frac{ZRt^2}{ZRt^2+ZL1}

Tra poco posterò anche la parte con e(t) spento finora il mio ragionamento è corretto?
dove dice 39 io ho messo l'apice cioè: ie' ed i1'.

Avatar utente
Foto Utenteadmin
196,7k 9 12 17
Manager
Manager
Messaggi: 11958
Iscritto il: 6 ago 2004, 13:14
Contatta:
0
voti

[4] Re: Trasformatore Ideale e circuito equivalente.

Messaggioda Foto Utenteadmin » 21 feb 2011, 22:07

Il prof. ha ragione.


quindi la corrente da considerare è


Avatar utente
Foto UtenteRenzoDF
55,9k 8 12 13
G.Master EY
G.Master EY
Messaggi: 13189
Iscritto il: 4 ott 2008, 9:55
0
voti

[5] Re: Trasformatore Ideale e circuito equivalente.

Messaggioda Foto UtenteRenzoDF » 21 feb 2011, 22:16

alessandrovw ha scritto:Buon pomeriggio a tutti, vi posto quest altro problema inerente ad un trasformatore questa volta:


Sembra quasi uguale a questo

viewtopic.php?f=2&t=23878&st=0&sk=t&sd=a

Sei sicuro che siano 62 microfarad e non invece 62,5 ?

conosci caniblastoise ?
"Il circuito ha sempre ragione" (Luigi Malesani)

Avatar utente
Foto Utentealessandrovw
0 3
Messaggi: 43
Iscritto il: 9 apr 2010, 20:31
0
voti

[6] Re: Trasformatore Ideale e circuito equivalente.

Messaggioda Foto Utentealessandrovw » 22 feb 2011, 16:12

Si Renzo è uguale sono 62.5microF ho riportato male il dato, però non credo di conoscerlo devo vedere il suo profilo; comunque l'abbiamo svolto con due metodi diversi!
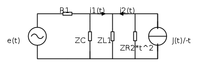
Ritornando al mio problema allora alla fine la corrente i2(t) che admin ha segnato con i(t) in rosso sarebbe la corrente che passa in R2*t^2 giusto?
Anche se comunque questa cosa mi trae in inganno perché prima di fare il circuito equiv. la i2(t) era quella che passava in L2. Tra l'altro il libro non si prolunga più di tanto e non fa esempi per capire.
Attendo vostre risposte buona giornata

Avatar utente
Foto UtenteRenzoDF
55,9k 8 12 13
G.Master EY
G.Master EY
Messaggi: 13189
Iscritto il: 4 ott 2008, 9:55
0
voti

[7] Re: Trasformatore Ideale e circuito equivalente.

Messaggioda Foto UtenteRenzoDF » 22 feb 2011, 16:23

...senza che debba riscrivere tutto da capo, hai letto quello che e' stato risposto al post linkato ?
"Il circuito ha sempre ragione" (Luigi Malesani)

Avatar utente
Foto Utentealessandrovw
0 3
Messaggi: 43
Iscritto il: 9 apr 2010, 20:31
0
voti

[8] Re: Trasformatore Ideale e circuito equivalente.

Messaggioda Foto Utentealessandrovw » 22 feb 2011, 16:50

Ok Renzo ho letto tutto adesso, tu allora vuoi dire che:
se io applico la sovrapp. degli eff. quella corrente che tu hai scritto in quel link che è uguale a quella fatta da admin (solo che è in verso opposto) fatta in questo post.
Cioè Non è altro che l'altro contributo di corrente che si ottiene da questo partitore:

i'1=iM\frac{ZRt^2}{ZRT^2+ZL1} i'1=i39;1 i'2=i39;2

i'2=iM\frac{ZL1}{ZRT^2+ZL1}

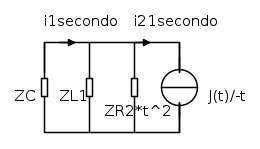
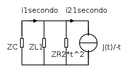
Per capire meglio posto ques altro schema:




Avatar utente
Foto UtenteRenzoDF
55,9k 8 12 13
G.Master EY
G.Master EY
Messaggi: 13189
Iscritto il: 4 ott 2008, 9:55
0
voti

[9] Re: Trasformatore Ideale e circuito equivalente.

Messaggioda Foto UtenteRenzoDF » 22 feb 2011, 17:12

Io invece non avendo capito molto di quello che hai scritto finora ti faccio un piccolo riassunto

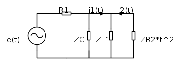
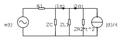
Dato che sembri convinto che la rete equivalente riportando tutto sul lato sinistro del trasformatore sia la seguente

e visto che le richieste del testo sono le due correnti i1(t) e i2(t), l'unica cosa da fare e'
a) trovare i fasori I1 e I21, usando un metodo "a piacere"
b) trasformarli nel dominio del tempo, ricordando che per I21, e solo per lei, dovrai riportarla "a casa", ovvero a destra del trasformatore, usando il rapporto di trasformazione.

BTW per gli apici in codice Tex usa \prime e su FidoCadJ non usarli per nulla o al limite usa ` ;-)
"Il circuito ha sempre ragione" (Luigi Malesani)

Avatar utente
Foto Utentealessandrovw
0 3
Messaggi: 43
Iscritto il: 9 apr 2010, 20:31
0
voti

[10] Re: Trasformatore Ideale e circuito equivalente.

Messaggioda Foto Utentealessandrovw » 22 feb 2011, 17:38

allora il punto a è chiaro ci siamo intesi, il punto b invece l'ho capito ma non so come fare( è proprio questo il problema), cioè essendo questa la relazione :

\frac{i1}{i2}=-\frac{1}{t}

io conosco solo i1 e i21 devo sostituire al posto di i2 i21? Altrimenti come procedo?

nel post precedente volevo dire che:

Ottenevo i1' e i21' facendo il partitore a questo circuito con j spento:



Mentre ottenevo i1'' e i21'' con e spento in questo modo:



Non so perché il secondo disegno sia venuto così zoomato comunque i21''=-j/t
P.S. ho provato ad usare gli apici in fidocad ma escono sempre quei dannati 39 e non so perché...


Torna a “Elettrotecnica generale”