
Circuito con solo resistori e generatori
Moderatori:
g.schgor,
IsidoroKZ
23 messaggi
• Pagina 1 di 3 • 1, 2, 3
0
voti
scusate mi è capitato tra le mani questo esercizio in allegato.. come posso procedere nel risolvere? sono al punto di partenza proprio


0
voti
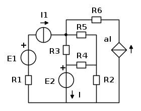
a) Serve schema FidoCadJ
b) cosa devi calcolare ?
c) mancano i valori numerici, NON vorrai risolverlo per via simbolica vero?
d) la prima ipotesi risolutiva "tocca" a te
b) cosa devi calcolare ?
c) mancano i valori numerici, NON vorrai risolverlo per via simbolica vero?
d) la prima ipotesi risolutiva "tocca" a te
"Il circuito ha sempre ragione" (Luigi Malesani)
0
voti
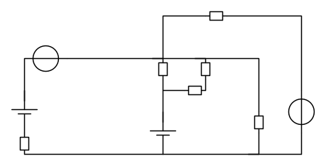
a) l'avevo scannerizzato appositamente xD perché così era più chiaro xD
b) le potenze dei generatori... ma pure se mi dai un input su come partire non c'è bisogno di tutto l'esercizio che poi cerco di farlo a mano io..
c) non li avevo messi per il motivo precedente... comunque
E1=E2=5V
I=5A
R1=1 OHM
R2=3 OHM
R3=R4=R5=6 OHM
R6=12 OHM
b) le potenze dei generatori... ma pure se mi dai un input su come partire non c'è bisogno di tutto l'esercizio che poi cerco di farlo a mano io..
c) non li avevo messi per il motivo precedente... comunque
E1=E2=5V
I=5A
R1=1 OHM
R2=3 OHM
R3=R4=R5=6 OHM
R6=12 OHM
0
voti
Kiqa ha scritto:... l'avevo scannerizzato appositamente xD perché così era più chiaro xD
1) non e' piu' chiaro
2) non posso editarlo
3) manca
... comunque, aspettando lo schema con FidoCadJ, supponendo il morsetto sinistro di R5 collegato a R3 (se non ci metti un punto non lo sarebbero) un paio di consigli:
a) una potenza gia' la conosci
b) trasforma R3, R4 e R5
c) sempifica i rami con generatori di corrente
d) scrivi un'equazione risolutiva nella sola I
e) calcoli le potenze mancanti
f) The End
"Il circuito ha sempre ragione" (Luigi Malesani)
0
voti
non sapevo come fare il generatore controllato ed ho mess un generatore classico d corrente...
0
voti
Kiqa ha scritto:... non sapevo come fare il generatore controllato ed ho mess un generatore classico d corrente...
Quelli che hai messo sono due "classici" generatori di tensione, non di corrente comunque Bravo per l'impegno
Per il generatore comandato bastano cinque linee, io poi non userei quel simbolo per il generatore di tensione ma quello "classico" circolare, e ricorda che nelle intersezioni ci va il punto di connessione altrimenti due fili che si intersecano non sono collegati ... in breve io lo disegnerei cosi'
... non vedo pero' gli sviluppi risolutivi che ti avevo consigliato ... why?
Usa il mio schema, copiandolo come codice ed editandolo, per ottenere le semplificazioni circuitali che ti ho suggerito.
"Il circuito ha sempre ragione" (Luigi Malesani)
0
voti
effettuando la trasformazione triangolo stella diventa così il circuito.. sbaglio?
0
voti
Mi correggo, cosi' non va !
se correggi poi andiamo avanti ...
a) quale potenza e' gia' ?
b) quali sono le successive semplificazioni possibili?
c) sto ancora aspettando alfa
se correggi poi andiamo avanti ...
a) quale potenza e' gia' ?
b) quali sono le successive semplificazioni possibili?
c) sto ancora aspettando alfa
"Il circuito ha sempre ragione" (Luigi Malesani)
0
voti
posso calcolare la potenza del generatore e1 visto che c'è il generatore di corrente in serie..
ma volendo si potrebbe applicare millman sul ramo dove c'è r3 spezzando il circuito in 2 e sostituendo diciamo la parte sinistra del circuito con quella calcolata mediante l'equivalente circuito di millman e poi la rimanente...
ps bisognerebbe studiare il circuito proprio al variare del parametro alfa non è dato... ma quello poco importa visto che sono solo una seccatura in più al livello di calcoli ma poco importa...
ma volendo si potrebbe applicare millman sul ramo dove c'è r3 spezzando il circuito in 2 e sostituendo diciamo la parte sinistra del circuito con quella calcolata mediante l'equivalente circuito di millman e poi la rimanente...
ps bisognerebbe studiare il circuito proprio al variare del parametro alfa non è dato... ma quello poco importa visto che sono solo una seccatura in più al livello di calcoli ma poco importa...
23 messaggi
• Pagina 1 di 3 • 1, 2, 3
Torna a Elettrotecnica generale
Chi c’è in linea
Visitano il forum: Nessuno e 34 ospiti

Elettrotecnica e non solo (admin)
Un gatto tra gli elettroni (IsidoroKZ)
Esperienza e simulazioni (g.schgor)
Moleskine di un idraulico (RenzoDF)
Il Blog di ElectroYou (webmaster)
Idee microcontrollate (TardoFreak)
PICcoli grandi PICMicro (Paolino)
Il blog elettrico di carloc (carloc)
DirtEYblooog (dirtydeeds)
Di tutto... un po' (jordan20)
AK47 (lillo)
Esperienze elettroniche (marco438)
Telecomunicazioni musicali (clavicordo)
Automazione ed Elettronica (gustavo)
Direttive per la sicurezza (ErnestoCappelletti)
EYnfo dall'Alaska (mir)
Apriamo il quadro! (attilio)
H7-25 (asdf)
Passione Elettrica (massimob)
Elettroni a spasso (guidob)
Bloguerra (guerra)




