Cos'è ElectroYou | Login Iscriviti

ElectroYou - la comunità dei professionisti del mondo elettrico

Trasformazioni T-S e calcolo tensione.

Circuiti, campi elettromagnetici e teoria delle linee di trasmissione e distribuzione dell’energia elettrica

Moderatori: Foto Utenteg.schgor, Foto UtenteIsidoroKZ

1
voti

[1] Trasformazioni T-S e calcolo tensione.

Messaggioda Foto Utentemasomaso90 » 29 lug 2011, 16:41

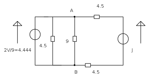
Di nuovo buongiorno a tutti, vi riporto di seguito i dati di un altro esercizio, nel quale bisogna ricavare la tensione tra 2 punti A e B del seguente circuito.

Dati:
R1= 4.5 ohm
R2=R3=R4= 3 ohm
R5=R6= 9 ohm
J= 5 A
V= 30 V




In figura sono riportati i le trasformazioni eseguite, da stella a triangolo, tra i resistori 2 - 3 - 4.
avendo tutti la stessa resistenza, ho moltiplicato per 3.
Successivamente ho calcolato la resistenza equivalente per i 2 gruppi di resistori in parallelo che si sono venuti a formare.
Da cui ho ricavato il circuito riportato in figura, in basso a destra.

Adesso ho un dubbio su come continuare, perche potrei considerare di trasformare il generatore di tensione e il resistore R1,cosi da avere il seguente circuito:



Poi ho pensato che potrei scollegare, ad uno ad uno, i generatori di corrente.
Quindi calcolare le tensioni, e farne la differenza...
Questo "metodo" mi porta ad una tensione di 20V, mentre quella prevista era 21.25 V...
So che il margine d'errore è basso, ma questi esercizi, di solito, sono fatti per dare risultati combacianti..
Ergo sto sbagliando qualcosa..
Sapete darmi qualche spunto?
Grazie :D
Avatar utente
Foto Utentemasomaso90
109 4 7
Frequentatore
Frequentatore
 
Messaggi: 294
Iscritto il: 10 dic 2010, 21:52

0
voti

[2] Re: Trasformazioni T-S e calcolo tensione.

Messaggioda Foto Utenteasdf » 29 lug 2011, 16:45

Foto Utentemasomaso90 ciao, come ti ho detto nell'altro topic da te inserito anche io ho il libro "Circuiti" di Miano-De magistris.
Anche io pochi giorni fa ho postato lo stesso esercizio:

http://www.electroyou.it/phpBB2/viewtopic.php?f=2&t=27617
leggi questo topic ;-)
Avatar utente
Foto Utenteasdf
25,3k 8 11 13
Master EY
Master EY
 
Messaggi: 4762
Iscritto il: 11 apr 2010, 9:19

0
voti

[3] Re: Trasformazioni T-S e calcolo tensione.

Messaggioda Foto Utentemasomaso90 » 29 lug 2011, 16:47

Ok! grazie mille! :D
Non avrei mai creduto di trovare lo stesso esercizio :D

Potete archiviare se volete.
Avatar utente
Foto Utentemasomaso90
109 4 7
Frequentatore
Frequentatore
 
Messaggi: 294
Iscritto il: 10 dic 2010, 21:52

0
voti

[4] Re: Trasformazioni T-S e calcolo tensione.

Messaggioda Foto Utenteasdf » 29 lug 2011, 16:49

nel post [3] del topic che ti ho linkato, devi naturalmente intendere che la Vab richiesta è somma di Vab1 e Vab2 (non l'avevo scritto)
Avatar utente
Foto Utenteasdf
25,3k 8 11 13
Master EY
Master EY
 
Messaggi: 4762
Iscritto il: 11 apr 2010, 9:19

0
voti

[5] Re: Trasformazioni T-S e calcolo tensione.

Messaggioda Foto UtenteIsidoroKZ » 30 lug 2011, 3:43

Quando ho visto il titolo di questo post ho pensato a trasformazione temperatura-entropia :)

Con una struttura a ponte la trasformazione triangolo stella e` la soluzione generale.
MA visto che gli estensori degli esercizi talvolta sono buoni, costa 3 ms netti guardare se per caso il rapporto delle resistenze sui due rami non fosse uguale, vale a dire \frac{R_2}{R_3}=\frac{R_5}{R_6}, e in quel caso il ponte e` bilanciato, la resistenza di mezzo la si puo` buttare via o sostituire con un cortocircuito e non cambia nulla, tranne i conti che diventano molto piu` semplici.
Per usare proficuamente un simulatore, bisogna sapere molta più elettronica di lui
Plug it in - it works better!
Il 555 sta all'elettronica come Arduino all'informatica! (entrambi loro malgrado)
Se volete risposte rispondete a tutte le mie domande
Avatar utente
Foto UtenteIsidoroKZ
121,2k 1 3 8
G.Master EY
G.Master EY
 
Messaggi: 21059
Iscritto il: 17 ott 2009, 0:00

0
voti

[6] Re: Trasformazioni T-S e calcolo tensione.

Messaggioda Foto Utentemasomaso90 » 30 lug 2011, 12:25

Grazie per il suggerimento, lo appunto per il futuro :D
Avatar utente
Foto Utentemasomaso90
109 4 7
Frequentatore
Frequentatore
 
Messaggi: 294
Iscritto il: 10 dic 2010, 21:52

0
voti

[7] Re: Trasformazioni T-S e calcolo tensione.

Messaggioda Foto Utenteadmin » 30 lug 2011, 12:57

masomaso90 ha scritto:Ergo sto sbagliando qualcosa..

Si
1) il simbolo di generatore di corrente
2) il passaggio dal secondo al terzo schema
3)il tuo risultato
4)quello del testo, se è quello che dici
Avatar utente
Foto Utenteadmin
196,7k 9 12 17
Manager
Manager
 
Messaggi: 11953
Iscritto il: 6 ago 2004, 13:14

0
voti

[8] Re: Trasformazioni T-S e calcolo tensione.

Messaggioda Foto Utentemasomaso90 » 30 lug 2011, 13:36

Si ho visto, il generatore doveva avere il tratto al centro otogonale a quello che ho messo.
Per i 2 resistori, ho dimenticato di aggiungere un tratto di circuito, mentre dovevano essere collegati in serie, come ho potuto vedere anche dal link postatomi da asdf.
Ovviamente da questo segue l'errore nel risultato.
Il risultato del testo invece, come non era difficile aspettarsi, è giusto... ho verificato il circuito correto e i conti combaciano.
:D
Avatar utente
Foto Utentemasomaso90
109 4 7
Frequentatore
Frequentatore
 
Messaggi: 294
Iscritto il: 10 dic 2010, 21:52

0
voti

[9] Re: Trasformazioni T-S e calcolo tensione.

Messaggioda Foto Utenteadmin » 30 lug 2011, 13:52

Mi fai vedere questi risultati?
Avatar utente
Foto Utenteadmin
196,7k 9 12 17
Manager
Manager
 
Messaggi: 11953
Iscritto il: 6 ago 2004, 13:14

0
voti

[10] Re: Trasformazioni T-S e calcolo tensione.

Messaggioda Foto Utentemasomaso90 » 30 lug 2011, 14:39

Subito, i passaggi e gli schemi sono quelli mostrati dal collega, la tensione la calcolo con la sovrapposizione degli effetti:

Se scollego il generatore di tensione, trovo una R_{eq}=9/4
Da cui ricavo che V_1=JR_{eq}=11.25 V (Noto che J=5 A)

Se ora scollego il generatore di corrente e applico il partitore di tensione:

V_2=V \frac{R_1}{R_1+R_{eq}} (Noto V=20 V)
R_1=4.5 ohm , R_{eq}=4.5 ohm quindi V_2 = 10 V

La tensione totale sarà la somma di V_1 e V_2 ovvero 11.25+10=21.25
Avatar utente
Foto Utentemasomaso90
109 4 7
Frequentatore
Frequentatore
 
Messaggi: 294
Iscritto il: 10 dic 2010, 21:52

Prossimo

Torna a Elettrotecnica generale

Chi c’è in linea

Visitano il forum: Nessuno e 32 ospiti