nel svolgere i miei esercizi di elettrotecnica sono capitata molte volte in questo forum tanto che ora vi vvorrei chiedere un dubbio... non mi è ben chiaro a me la questione del verso della tensione della corrente eecc ecc
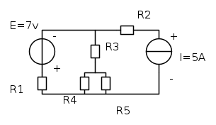
tipo ho un esercizio simile:
e devo calcolare la potenza del resistore R3 e quella del generatore E.
io utilizzo millman e mi calcolo la caduta di tensione sul ramo centrale diciamo(quello solo di resistenze)...che per precisione esce 5,63V... ma mi chiedo in quale verso? con la freccia verso il basso o l'alto? da cosa lo capisco?
scusate la domande banali

Elettrotecnica e non solo (admin)
Un gatto tra gli elettroni (IsidoroKZ)
Esperienza e simulazioni (g.schgor)
Moleskine di un idraulico (RenzoDF)
Il Blog di ElectroYou (webmaster)
Idee microcontrollate (TardoFreak)
PICcoli grandi PICMicro (Paolino)
Il blog elettrico di carloc (carloc)
DirtEYblooog (dirtydeeds)
Di tutto... un po' (jordan20)
AK47 (lillo)
Esperienze elettroniche (marco438)
Telecomunicazioni musicali (clavicordo)
Automazione ed Elettronica (gustavo)
Direttive per la sicurezza (ErnestoCappelletti)
EYnfo dall'Alaska (mir)
Apriamo il quadro! (attilio)
H7-25 (asdf)
Passione Elettrica (massimob)
Elettroni a spasso (guidob)
Bloguerra (guerra)







