Partenza esercizi elettrotecnica
Moderatori:
g.schgor,
IsidoroKZ
17 messaggi
• Pagina 1 di 2 • 1, 2
0
voti
Salve a tutti,
volevo chiedervi qualche dritta per poter impostare il ragionamento iniziale durante lo svolgimento di un esercizio di elettrotecnica.
Ovvero capire o meglio intuire il metodo più adatto per poter partire.
volevo chiedervi qualche dritta per poter impostare il ragionamento iniziale durante lo svolgimento di un esercizio di elettrotecnica.
Ovvero capire o meglio intuire il metodo più adatto per poter partire.
0
voti
Leggere con attenzione il testo del problema, è il primo passo comune a tutti i tipi di problemi. Poi ovviamente dipende dal problema.
"Le domande non sono mai indiscrete. Le risposte lo sono a volte"
Per qualche dollaro in più
Per qualche dollaro in più
0
voti
Ti porto un esempio
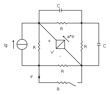
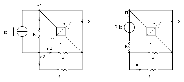
ho la reguente rete, in cui l'interruttore si chiude all'istante t=0 e prima di tale istante il circuito è a regime.
Devo calcolare v' per t >0.
Ho studiato il circuito per t<0 e li nessun problema.
Poi essendo
per studiarlo per t>0, dalla topologia mi sembrato conveniente applicare millman.
ho la reguente rete, in cui l'interruttore si chiude all'istante t=0 e prima di tale istante il circuito è a regime.
Devo calcolare v' per t >0.
Ho studiato il circuito per t<0 e li nessun problema.
Poi essendo
per studiarlo per t>0, dalla topologia mi sembrato conveniente applicare millman.Ultima modifica di
RenzoDF il 2 lug 2012, 20:14, modificato 2 volte in totale.
Motivazione: Per apice usa \prime ;)
Motivazione: Per apice usa \prime ;)
2
voti
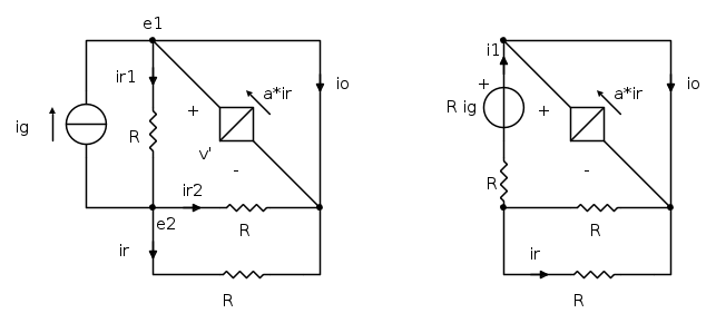
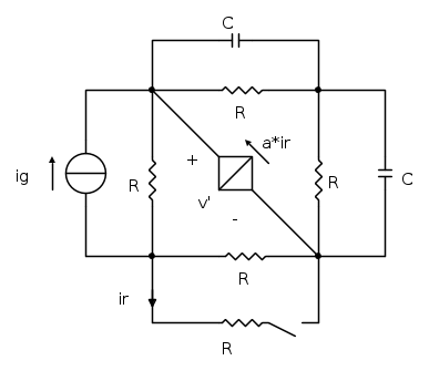
...o magari un bel Thevenin
e se poi le resistenze R sono davvero tutte uguali così come i C si vede a destra un partitore di tensione perfettamente compensato
...
In generale credo che il metodo per trovare la via semplice sia
1) conoscere bene tutti i metodi e trucchetti..
2) fare tanti esercizi
3) vedi 2
4) vedi 3
.
.
.
n) vedi n-1
e se poi le resistenze R sono davvero tutte uguali così come i C si vede a destra un partitore di tensione perfettamente compensato
In generale credo che il metodo per trovare la via semplice sia
1) conoscere bene tutti i metodi e trucchetti..
2) fare tanti esercizi
3) vedi 2
4) vedi 3
.
.
.
n) vedi n-1
Se ti serve il valore di beta: hai sbagliato il progetto!
0
voti
A dire la verità avevo pensato pure io al lato thèvenin, ma non so perché mi era sembrato più immediato millman.
Per trovare il lato equivalente thèvenin, calcolo prima la tensione equivalente, ovvero
scrivo le equazioni ai nodi 1 e 2 e utilizzo i potenziali nodali
nodo 1:

nodo 2:

risolvendo il sistema, considerando
, ottengo 
Per trovare il lato equivalente thèvenin, calcolo prima la tensione equivalente, ovvero
scrivo le equazioni ai nodi 1 e 2 e utilizzo i potenziali nodali
nodo 1:


nodo 2:


risolvendo il sistema, considerando
, ottengo 
0
voti
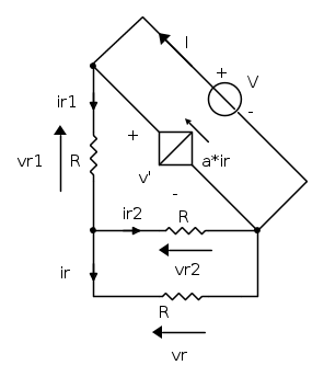
per quanto riguarda la resistenza equivalente, ho spento il generatore di corrente e alimentato la rete con un generatore di tensione ai morsetti interessati

tenendo conto che
trovo
e quindi 
il che mi fa pensare che ho commesso qualche errore (o orrore!)

tenendo conto che

trovo
e quindi 
il che mi fa pensare che ho commesso qualche errore (o orrore!)
2
voti
....io farei così
per la tensione a vuoto, se vedi il nodo "0" qui sotto e applichi KCL
vedi che
ma se due resistenze sono uguali, e sottoposte alla stessa tensione (in parallelo) la corrente che ci passa deve essere la stessa, cioè
e allora hai

se a=2 si ha uno dei problemi sempre possibili con i generatori controllati, una forma indeterminata, qualsiasi corrente soddisferebbe l'equazione sopra, si dovrebbe trovare un'altra via....
comunque negli altri casi non si ha corrente e quindi caduta sulle due R in basso, anche il generatore controllato è allora off e quello che rimane è
e quindi semplicemente
, per la verifica numerica dovresti postare i dati del problema...
ma in effetti anche il sistema che hai impostato tu dà gli stessi risultati
Poi invece della resistenza di Thevenin avrei calcolato la corrente di cortocircuito -tanto è praticamente la stessa cosa-
e dopo aver trasformato il GIC si scrive al volo

ma altrettanto al volo si vede che
e che 
e sostituendo

e allora

dove si vede che -di nuovo cosa possibilissima con i generatori controllati- a secondo del valore di a c'è la possibilità di ottenere resistenze negative, o se vuoi circuiti instabili, ma qui ti seguo poco nei conti che hai fatto...
certo se a=7/2 allora Rth=-2R
per la tensione a vuoto, se vedi il nodo "0" qui sotto e applichi KCL
vedi che
ma se due resistenze sono uguali, e sottoposte alla stessa tensione (in parallelo) la corrente che ci passa deve essere la stessa, cioè
e allora hai
se a=2 si ha uno dei problemi sempre possibili con i generatori controllati, una forma indeterminata, qualsiasi corrente soddisferebbe l'equazione sopra, si dovrebbe trovare un'altra via....
comunque negli altri casi non si ha corrente e quindi caduta sulle due R in basso, anche il generatore controllato è allora off e quello che rimane è
e quindi semplicemente
, per la verifica numerica dovresti postare i dati del problema...ma in effetti anche il sistema che hai impostato tu dà gli stessi risultati
Poi invece della resistenza di Thevenin avrei calcolato la corrente di cortocircuito -tanto è praticamente la stessa cosa-
e dopo aver trasformato il GIC si scrive al volo

ma altrettanto al volo si vede che
e che 
e sostituendo

e allora

dove si vede che -di nuovo cosa possibilissima con i generatori controllati- a secondo del valore di a c'è la possibilità di ottenere resistenze negative, o se vuoi circuiti instabili, ma qui ti seguo poco nei conti che hai fatto...
certo se a=7/2 allora Rth=-2R
Se ti serve il valore di beta: hai sbagliato il progetto!
0
voti
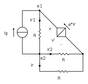
intanto ecco i dati del problema, li avevo dimenticati!

e dunque la resistenza equivalente viene negativa.
Per procedere al calcolo di
come devo fare avendo la resistenza negativa?

e dunque la resistenza equivalente viene negativa.
Per procedere al calcolo di
come devo fare avendo la resistenza negativa?Ultima modifica di
RenzoDF il 4 lug 2012, 15:56, modificato 1 volta in totale.
Motivazione: \prime devi usarlo come esponente, magari associandolo ad un piccolo spazio \,
Motivazione: \prime devi usarlo come esponente, magari associandolo ad un piccolo spazio \,
5
voti
Io, partendo da zero, dopo aver ridisegnando la rete nel seguente modo equivalente,
avrei scritto una KCL ed una KVL

dalle quali, passando direttamente alla versione numerica, avrei ottenuto la seguente eq. differenziale

avrei quindi cercato una soluzione del tipo

che, usando le condizioni: iniziale ed asintotica

avrebbe portato a scrivere

Sempre con la riserva dei miei soliti errori da stress surfistico.
avrei scritto una KCL ed una KVL

dalle quali, passando direttamente alla versione numerica, avrei ottenuto la seguente eq. differenziale

avrei quindi cercato una soluzione del tipo

che, usando le condizioni: iniziale ed asintotica

avrebbe portato a scrivere

Sempre con la riserva dei miei soliti errori da stress surfistico.
"Il circuito ha sempre ragione" (Luigi Malesani)
0
voti
manipolazione interessante! Ma ad essere sincero non ci sarei mai arrivato!!
17 messaggi
• Pagina 1 di 2 • 1, 2
Torna a Elettrotecnica generale
Chi c’è in linea
Visitano il forum: Nessuno e 100 ospiti

Elettrotecnica e non solo (admin)
Un gatto tra gli elettroni (IsidoroKZ)
Esperienza e simulazioni (g.schgor)
Moleskine di un idraulico (RenzoDF)
Il Blog di ElectroYou (webmaster)
Idee microcontrollate (TardoFreak)
PICcoli grandi PICMicro (Paolino)
Il blog elettrico di carloc (carloc)
DirtEYblooog (dirtydeeds)
Di tutto... un po' (jordan20)
AK47 (lillo)
Esperienze elettroniche (marco438)
Telecomunicazioni musicali (clavicordo)
Automazione ed Elettronica (gustavo)
Direttive per la sicurezza (ErnestoCappelletti)
EYnfo dall'Alaska (mir)
Apriamo il quadro! (attilio)
H7-25 (asdf)
Passione Elettrica (massimob)
Elettroni a spasso (guidob)
Bloguerra (guerra)












