Cos'è ElectroYou | Login Iscriviti

ElectroYou - la comunità dei professionisti del mondo elettrico

potenza circuito con terna simmetrica inversa

Circuiti, campi elettromagnetici e teoria delle linee di trasmissione e distribuzione dell’energia elettrica

Moderatori: Foto Utenteg.schgor, Foto UtenteIsidoroKZ

1
voti

[1] potenza circuito con terna simmetrica inversa

Messaggioda Foto Utenterock85 » 16 lug 2012, 18:24

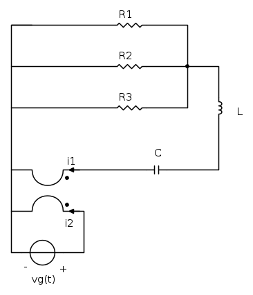
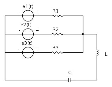
Salve ragazzi, sono alle prese col seguente esercizio



Determinare la potenza complessa erogata dai generatori , tenendo presente che e_{1}(t), e_{2}(t), e_{3}(t) formano una terna simmetrica inversa.

R_{1}=R_{2}=R_{3}=3 \omega, C=0.5 F, L=2 H, a=\frac {n_{1}} {n_{2}}=1, e_{1}=v_{g}=\cos (t) V, i_{g}=\sen (t) A

per la potenza dei generatori simmetrici la formula è P=\frac{3}{2} e(t) i (t)\cos \varphi

dove \varphi è lo sfasamento prodotto dal carico, ma quale carico devo considerare?
solo le resistenze o anche condensatore e induttore?

l'altro dubbio riguarda la corrente, dovrebbe essere i(t)=\frac {e(t)} {R} + \frac {i_{g}} {3}, è esatto?
Avatar utente
Foto Utenterock85
35 5
New entry
New entry
 
Messaggi: 94
Iscritto il: 23 giu 2012, 10:29

0
voti

[2] Re: potenza circuito con terna simmetrica inversa

Messaggioda Foto UtenteRenzoDF » 16 lug 2012, 21:22

Quando fai riferimento a delle grandezze della rete, devi controllare la coerenza dei riferimenti, ovvero: esiste una i(t)? ... è indicata nella rete? ... e parimenti, esiste una e(t)? ... andò stà? ... quali potenze complesse devo calcolare? ... relative a quali generatori? ... può una potenza complessa essere funzione del tempo? ...le resistenze dipendono dalla pulsazione? ... ecc. ecc.

Mi chiedo, non sarebbe per voi conveniente, al fine di ricevere un rapido aiuto, rileggere subito e controllare quanto scritto? :roll:
"Il circuito ha sempre ragione" (Luigi Malesani)
Avatar utente
Foto UtenteRenzoDF
55,9k 8 12 13
G.Master EY
G.Master EY
 
Messaggi: 13189
Iscritto il: 4 ott 2008, 9:55

0
voti

[3] Re: potenza circuito con terna simmetrica inversa

Messaggioda Foto Utenterock85 » 16 lug 2012, 21:39

Ma guarda sinceramente l'unico errore è relativo alla formula della potenza di un sistema trifase che ho scritto,
infatti non è
P=\frac {3} {2} e(t) i(t) \cos \varphi
bensì
P=\frac {3} {2} e_{max} i_{max} \cos \varphi

per il resto se scrivo la formula della potenza di un sistema trifase mi pare che le grandezze in gioco siano abbastanza chiare, cioè

e_{max}=e_{max1}=e_{max2}=e_{max3}

essendo il sistema simmetrico

e la corrente è quella relativa ad ogni ramo del trifase.

Infine se la richiesta è "la potenza complessa erogata dai generatori", secondo te di quali si tratta?
Mi pare ovvio che sia di tutti!

in ogni caso chiedo scusa se sono stato poco chiaro.

EDIT: la resistenza non è funzione della pulsazione, ho sbagliato a scrivere la omega, doveva essere maiuscola
Avatar utente
Foto Utenterock85
35 5
New entry
New entry
 
Messaggi: 94
Iscritto il: 23 giu 2012, 10:29

1
voti

[4] Re: potenza circuito con terna simmetrica inversa

Messaggioda Foto UtenteRenzoDF » 17 lug 2012, 9:13

rock85 ha scritto:Infine se la richiesta è "la potenza complessa erogata dai generatori", secondo te di quali si tratta? ... Mi pare ovvio che sia di tutti!

Direi proprio di si, di tutti e 5, ma forse basta calcolarla per 3. ;-)
Dal punto di vista risolutivo, io "sovraporrei" la rete con i soli tre generatori superiori a quella con i soli due inferiori ... ma su quel ig/3 non sarei d'accordo; occhio poi alle potenze complesse che sono sempre nella forma S=P+jQ.

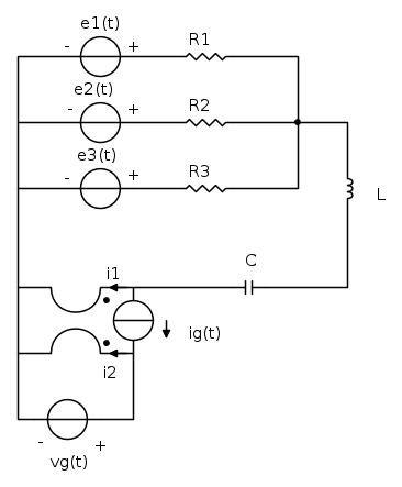
BTW complimenti per lo schema, è proprio ben fatto! :ok:

... riguardando ho un altro dubbio sulla ig=(t) , che ci manca?
"Il circuito ha sempre ragione" (Luigi Malesani)
Avatar utente
Foto UtenteRenzoDF
55,9k 8 12 13
G.Master EY
G.Master EY
 
Messaggi: 13189
Iscritto il: 4 ott 2008, 9:55

0
voti

[5] Re: potenza circuito con terna simmetrica inversa

Messaggioda Foto Utenterock85 » 17 lug 2012, 9:45

Allora se ho ben capito dovrei calcolare le potenze in modo separato, cioè quella del sistema trifase e quella del circuito composto dagli altri due generatori, è esatto?
Avatar utente
Foto Utenterock85
35 5
New entry
New entry
 
Messaggi: 94
Iscritto il: 23 giu 2012, 10:29

0
voti

[6] Re: potenza circuito con terna simmetrica inversa

Messaggioda Foto UtenteRenzoDF » 17 lug 2012, 9:52

rock85 ha scritto:Allora se ho ben capito dovrei calcolare le potenze in modo separato, cioè quella del sistema trifase e quella del circuito composto dagli altri due generatori, è esatto?

No, direi che si intenda la S=P+jQ di ogni singolo generatore.
La sovrapposizione te la consigliavo per risolvere, al fine di semplificare la rete in due sole sottoreti più semplici; occhio però ad usare la sovrapposizione solo per correnti e tensioni, non si possono "sovrapporre" le potenze.

... e io sto ancora aspettando la ig(t) :roll:
"Il circuito ha sempre ragione" (Luigi Malesani)
Avatar utente
Foto UtenteRenzoDF
55,9k 8 12 13
G.Master EY
G.Master EY
 
Messaggi: 13189
Iscritto il: 4 ott 2008, 9:55

0
voti

[7] Re: potenza circuito con terna simmetrica inversa

Messaggioda Foto Utenterock85 » 17 lug 2012, 9:55

ah già, non me n'ero accorto! #-o

i_{g}(t)= sin(t) A
Avatar utente
Foto Utenterock85
35 5
New entry
New entry
 
Messaggi: 94
Iscritto il: 23 giu 2012, 10:29

0
voti

[8] Re: potenza circuito con terna simmetrica inversa

Messaggioda Foto Utenterock85 » 17 lug 2012, 11:14

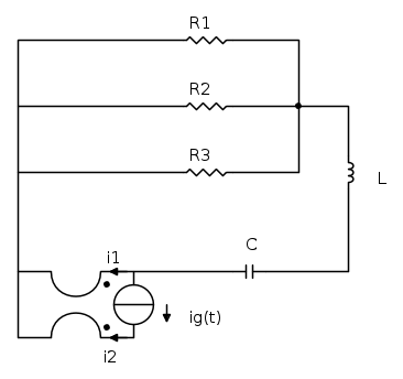
utilizzo la sovrapposizione degli effetti e azzero i generatori v_{g} e i_{g}



da qui ricavo la corrente su condensatore e induttore, ma essendo la terna simmetrica la corrente su C e L è nulla.

Azzero poi i 3 generatori e_{i} e i_{g}



si ha che essendo a=1, v_{1}=v_{2}=v_{g}= cos \varphi

si ottiene dunque un circuito RLC, col parallelo delle resistenze pari a R

la corrente che scorre in tale circuito la ricavo utilizzando i fasori, cioè

i_{RLC}=\frac{V_{g}}{Z_{R}+Z_{L}+Z_{C}}=\frac{1}{3}

infine azzerando i 3 generatori e_{i} e v_{g}, si ottiene



e poiché i_{1}=-i_{2}

vi scorre una corrente pari a -i_{g}

A questo punto passo al calcolo della potenza complessa, ma dai valori di L e C, si può notare che il circuito è perfettamente rifasato, per cui si avrà solo potenza attiva derivante dal sistema trifase, cioè

P_{a}=\frac {3} {2} e_{max} i_{max} \cos \varphi

in particolare i_{max} risulta:

i_{max}=\frac{E_{max1}}{R}-\frac{I_{RLC}}{3}-\frac{I_{g}}{3}

dove le variabili in gioco sono tutti fasori.

numericamente dovrebbe risultare

i_{max}=\frac{1}{3}-\frac{1}{9}-\frac{1}{3}=-\frac{1}{9}

e dunque la potenza

P_{a}=-\frac {3} {2} \frac {1} {9}= -\frac {1} {6}

ma questo segno - mi lascia un po' perplesso...
Avatar utente
Foto Utenterock85
35 5
New entry
New entry
 
Messaggi: 94
Iscritto il: 23 giu 2012, 10:29

0
voti

[9] Re: potenza circuito con terna simmetrica inversa

Messaggioda Foto Utenterock85 » 17 lug 2012, 11:25

Forse ho travoto l'errore

nell'ultimo circuito proprio perché

i_{1}+i_{2}=0

non dovrebbe circolare corrente...

Può essere?
Avatar utente
Foto Utenterock85
35 5
New entry
New entry
 
Messaggi: 94
Iscritto il: 23 giu 2012, 10:29

0
voti

[10] Re: potenza circuito con terna simmetrica inversa

Messaggioda Foto UtenteRenzoDF » 17 lug 2012, 13:52

Non ho controllato quanto da te scritto, ma salta subito all'occhio un errore nel terzo schema (con solo ig). ;-)
"Il circuito ha sempre ragione" (Luigi Malesani)
Avatar utente
Foto UtenteRenzoDF
55,9k 8 12 13
G.Master EY
G.Master EY
 
Messaggi: 13189
Iscritto il: 4 ott 2008, 9:55

Prossimo

Torna a Elettrotecnica generale

Chi c’è in linea

Visitano il forum: Google [Bot] e 20 ospiti