Ciao ragazzi per quanto riguarda i sistemi trifase in questo caso ho questo esercizio che chiede
il valore della Z di Theverin affinchè risulti massima la potenza reale su di essa trasferita.
Che metodo devo usare io pensavo di applicare il teorema di Theverin ma come devo fare nel caso del trifase???
consigli sulla risoluzione Sistemi Trifase
Moderatori:
g.schgor,
IsidoroKZ
14 messaggi
• Pagina 1 di 2 • 1, 2
0
voti
Ultima modifica di
admin il 9 ott 2012, 23:41, modificato 1 volta in totale.
Motivazione: inserite immagini in linea con il testo per evitare sconfinamenti a destra. Inoltre: Thevenin non Theverin!
Motivazione: inserite immagini in linea con il testo per evitare sconfinamenti a destra. Inoltre: Thevenin non Theverin!
-

theverin90
1 4 - New entry

- Messaggi: 73
- Iscritto il: 9 ott 2012, 16:28
2
voti
theverin90 ha scritto:io pensavo di applicare il teorema di Theverin ma come devo fare nel caso del trifase
Il trifase è una rete come tutte le altre.
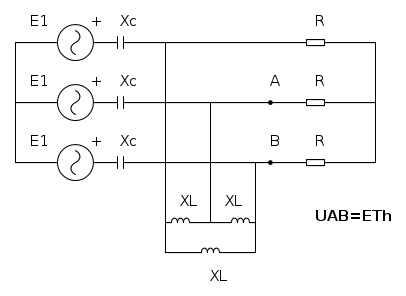
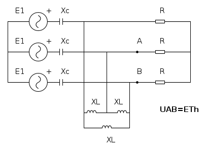
1)
Innnanzitutto devi disegnare lo schema in FidoCadJ, come è d'obbligo per tutti gli studenti che chiedono di essere aiutati su ElectroYou
2)
Tolta l'impedenza
calcoli la tensione tra i punti A e B che è la forza elettromotrice del generatore equivalente o di Thevenin (non Theverin!)3)
Cortocircuiti i generatori di tensione e calcoli l'impedenza vista da AB: è l'impedenza del generatore equivalente.
0
voti
AH ok Bene , quindi
in questo caso essendo i generatori una terna simmetrica diretta e i carichi equilibrati posso
utilizzare il metodo del monofase equivalente per il calcolo della VTH esatto?
Tolta l'impedenza calcoli la tensione tra i punti A e B che è la forza elettromotrice del generatore equivalente o di Thevenin (non Theverin!)
in questo caso essendo i generatori una terna simmetrica diretta e i carichi equilibrati posso
utilizzare il metodo del monofase equivalente per il calcolo della VTH esatto?
-

theverin90
1 4 - New entry

- Messaggi: 73
- Iscritto il: 9 ott 2012, 16:28
1
voti
perché non di Zorro?theverin90 ha scritto:il valore della Z di Theverin
Mi chiedo sempre come sia possibile che uno studente non sappia scrivere correttamente il nome di persone che "lo stanno aiutando" (anche a distanza di molti molti anni) e che lui studente sta studiando!

"Le domande non sono mai indiscrete. Le risposte lo sono a volte"
Per qualche dollaro in più
Per qualche dollaro in più
0
voti
bene invece a questo punto
per calcolare l 'impedenza del generatore equivalente devo mettere al posto della Z che ho staccato un generatore di prova di corrente o di tensione ???
3)
Cortocircuiti i generatori di tensione e calcoli l'impedenza vista da AB: è l'impedenza del generatore equivalente.
per calcolare l 'impedenza del generatore equivalente devo mettere al posto della Z che ho staccato un generatore di prova di corrente o di tensione ???
-

theverin90
1 4 - New entry

- Messaggi: 73
- Iscritto il: 9 ott 2012, 16:28
0
voti
theverin90 ha scritto:...per calcolare l 'impedenza del generatore equivalente devo mettere al posto della Z che ho staccato un generatore di prova di corrente o di tensione ???
E' lo stesso, basta che alla fine valuti il rapporto V/I = Req
Emanuele Lorina
- Chi lotta contro i mostri deve fare attenzione a non diventare lui stesso un mostro. E se tu riguarderai a lungo in un abisso, anche l'abisso vorrà guardare dentro di te (F. Nietzsche)
- Tavole della legge by admin
- Chi lotta contro i mostri deve fare attenzione a non diventare lui stesso un mostro. E se tu riguarderai a lungo in un abisso, anche l'abisso vorrà guardare dentro di te (F. Nietzsche)
- Tavole della legge by admin
-

Lele_u_biddrazzu
8.154 3 8 13 - Master EY

- Messaggi: 1288
- Iscritto il: 23 gen 2007, 16:13
- Località: Modena
0
voti
il teorema del massimo trasferimento di energia
dice che la potenza max è uguale ad
| VTH | ^ 2 / (4* Re{ZTH})
perché a me risulta se al posto di 4 metto 8 la formula è corretta???
dice che la potenza max è uguale ad
| VTH | ^ 2 / (4* Re{ZTH})
perché a me risulta se al posto di 4 metto 8 la formula è corretta???
-

theverin90
1 4 - New entry

- Messaggi: 73
- Iscritto il: 9 ott 2012, 16:28
0
voti
credo di aver capito siccome a me interessa la potenza max solo Sulla Z una volta che ho trovato la potenza massima devo ulteriormente dividere per 2 per trovare solo quella sulla Z
perché metà potenza va sulla ZTH e l altra va sulla Z che per il teorema del massimo trasferimento deve essere uguale al coniugato della ZTH chiedo conferme grazie :)
perché metà potenza va sulla ZTH e l altra va sulla Z che per il teorema del massimo trasferimento deve essere uguale al coniugato della ZTH chiedo conferme grazie :)
-

theverin90
1 4 - New entry

- Messaggi: 73
- Iscritto il: 9 ott 2012, 16:28
0
voti
theverin90 ha scritto:...perché a me risulta se al posto di 4 metto 8 la formula è corretta???
Forse perché dovresti considerare la tensione efficace pari a
Emanuele Lorina
- Chi lotta contro i mostri deve fare attenzione a non diventare lui stesso un mostro. E se tu riguarderai a lungo in un abisso, anche l'abisso vorrà guardare dentro di te (F. Nietzsche)
- Tavole della legge by admin
- Chi lotta contro i mostri deve fare attenzione a non diventare lui stesso un mostro. E se tu riguarderai a lungo in un abisso, anche l'abisso vorrà guardare dentro di te (F. Nietzsche)
- Tavole della legge by admin
-

Lele_u_biddrazzu
8.154 3 8 13 - Master EY

- Messaggi: 1288
- Iscritto il: 23 gen 2007, 16:13
- Località: Modena
14 messaggi
• Pagina 1 di 2 • 1, 2
Torna a Elettrotecnica generale
Chi c’è in linea
Visitano il forum: Nessuno e 100 ospiti

Elettrotecnica e non solo (admin)
Un gatto tra gli elettroni (IsidoroKZ)
Esperienza e simulazioni (g.schgor)
Moleskine di un idraulico (RenzoDF)
Il Blog di ElectroYou (webmaster)
Idee microcontrollate (TardoFreak)
PICcoli grandi PICMicro (Paolino)
Il blog elettrico di carloc (carloc)
DirtEYblooog (dirtydeeds)
Di tutto... un po' (jordan20)
AK47 (lillo)
Esperienze elettroniche (marco438)
Telecomunicazioni musicali (clavicordo)
Automazione ed Elettronica (gustavo)
Direttive per la sicurezza (ErnestoCappelletti)
EYnfo dall'Alaska (mir)
Apriamo il quadro! (attilio)
H7-25 (asdf)
Passione Elettrica (massimob)
Elettroni a spasso (guidob)
Bloguerra (guerra)




