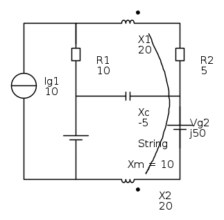
Calcolare il fasore della corrente nel capacitore applicando il teorema di Thevenin.
DATI
R1=10 Ω, R2=5 Ω, X1=20 Ω, X2=20 Ω, Xm=10 Ω, XC=-5 Ω,
Ig = 10∠0° A, Vg1= 100 ∠90° V, Vg2= 50 ∠90° V
I risultati da ottenere sono i seguenti :


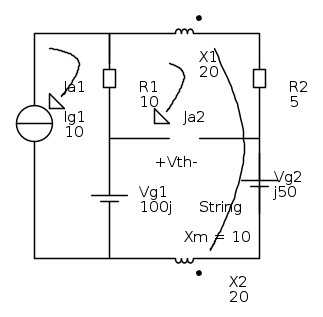
bene adesso posto il calcolo della Vth e della Zth che però mi da valori diversi:

Elettrotecnica e non solo (admin)
Un gatto tra gli elettroni (IsidoroKZ)
Esperienza e simulazioni (g.schgor)
Moleskine di un idraulico (RenzoDF)
Il Blog di ElectroYou (webmaster)
Idee microcontrollate (TardoFreak)
PICcoli grandi PICMicro (Paolino)
Il blog elettrico di carloc (carloc)
DirtEYblooog (dirtydeeds)
Di tutto... un po' (jordan20)
AK47 (lillo)
Esperienze elettroniche (marco438)
Telecomunicazioni musicali (clavicordo)
Automazione ed Elettronica (gustavo)
Direttive per la sicurezza (ErnestoCappelletti)
EYnfo dall'Alaska (mir)
Apriamo il quadro! (attilio)
H7-25 (asdf)
Passione Elettrica (massimob)
Elettroni a spasso (guidob)
Bloguerra (guerra)











