Cos'è ElectroYou | Login Iscriviti

ElectroYou - la comunità dei professionisti del mondo elettrico

Biporta in parallelo

Circuiti, campi elettromagnetici e teoria delle linee di trasmissione e distribuzione dell’energia elettrica

Moderatori: Foto Utenteg.schgor, Foto UtenteIsidoroKZ

0
voti

[1] Biporta in parallelo

Messaggioda Foto Utenteatipico » 15 feb 2013, 19:03

buonasera amici,
ho un dubbio sul seguente quesito:
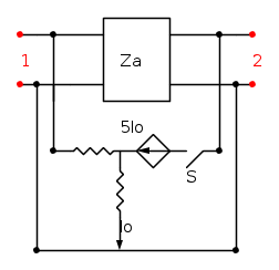
nel circuito sotto riportato, i 2 Biporta sono in parallelo e viene chiesto di calcolare la matrice Z ai morsetti 1 e 2 segnati in rosso.
Dunque vuole la Z data dalla somma delle z individuali dei 2 Biporta.
Il tutto però quando l'interruttore S risulta aperto.
Allora mi chiedo, se in casi normali la matrice [Z]=[Z_a]+[Z_b] ora che l'interruttore è aperto, la Zequivalente ai morsetti 1 e 2 è data solo dal Biporta a ?
Avatar utente
Foto Utenteatipico
-21 6
New entry
New entry
 
Messaggi: 72
Iscritto il: 23 nov 2012, 19:42

0
voti

[2] Re: Biporta in parallelo

Messaggioda Foto Utentejordan20 » 18 feb 2013, 12:07

Se però non metti la grandezza di controllo del generatore di corrente non si può dire niente a priori :!:
"Lo scienziato descrive ciò che esiste, l'ingegnere crea ciò che non era mai stato."
(T. von Kármán)
Avatar utente
Foto Utentejordan20
13,0k 5 11 13
G.Master EY
G.Master EY
 
Messaggi: 1550
Iscritto il: 13 lug 2011, 12:55
Località: Palermo

0
voti

[3] Re: Biporta in parallelo

Messaggioda Foto Utenteatipico » 18 feb 2013, 13:23

riflettendo sul messaggo precedente:


Ma in generale anche se non ci fosse stato un generatore dipendente,
Qualcuno sa se dovevo comunque considerare i parametri caratteristici di ciascun Biporta avendo cura di impostare soloI_2_b=0 oppure se avessi dovuto solo considerare il Biporta a?
Avatar utente
Foto Utenteatipico
-21 6
New entry
New entry
 
Messaggi: 72
Iscritto il: 23 nov 2012, 19:42

0
voti

[4] Re: Biporta in parallelo

Messaggioda Foto Utentejordan20 » 18 feb 2013, 13:26

atipico ha scritto:riflettendo

ogni tanto una cosa sensata... :mrgreen:

jordan20 ha scritto:Qualcuno sa

Io :mrgreen: Ma non ti rispondo, così impari l'educazione la prossima volta nel rispondere in un certo modo (e sai a cosa mi riferisco :ok: ).
"Lo scienziato descrive ciò che esiste, l'ingegnere crea ciò che non era mai stato."
(T. von Kármán)
Avatar utente
Foto Utentejordan20
13,0k 5 11 13
G.Master EY
G.Master EY
 
Messaggi: 1550
Iscritto il: 13 lug 2011, 12:55
Località: Palermo


Torna a Elettrotecnica generale

Chi c’è in linea

Visitano il forum: Nessuno e 17 ospiti