Questo è il testo dell'esercizio:
ù
Calcolo delle condizioni iniziali.
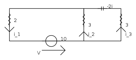
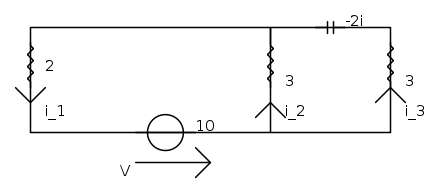
Si consideri il circuito:
Banalmente si ha
![\[i_L(0)=0 A\] \[i_L(0)=0 A\]](/forum/latexrender/pictures/3016b807dca07ab880731ba677f84894.png)
Per calcolare la tensione sul condensatore di applichi il metodo delle correnti di maglia:
Le LKT ai due anelli sono:
![\[V-3i_2-2i_1=0, -3i_2-2i*i_3+3i_3=0\] \[V-3i_2-2i_1=0, -3i_2-2i*i_3+3i_3=0\]](/forum/latexrender/pictures/29e23908a046a925b3acad4bef9a122e.png)
Osservando che:
(avendo cura di scegliere J1 nell'anello di sinistra in senso antiorario e J2 nell'anello di destra in senso orario)si trova:
![\[V=30+3J_2+20, -30-3J_2+2iJ_2-3J_2=0\] \[V=30+3J_2+20, -30-3J_2+2iJ_2-3J_2=0\]](/forum/latexrender/pictures/94ee7c96b9d2932647f10dcd30d6e0cb.png)
e, risolvendo:
![\[J_2=-3(3+i)/2\] \[J_2=-3(3+i)/2\]](/forum/latexrender/pictures/ed8e73fb040c3f4931c3c4c94854957d.png)
da cui:
e ![\[V_c=3-9i\] \[V_c=3-9i\]](/forum/latexrender/pictures/16258e2fef8c02f88033a4ded2de535e.png)
Tornando nel dominio del tempo si trova che
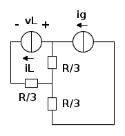
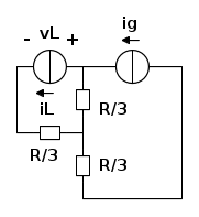
.Studio il circuito per t>0.
Applico il metodo delle equazioni di stato.
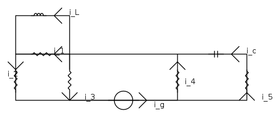
Si consideri il circuito:
Dallo studio del grafo del circuito (insiemi di taglio fondamentali, maglie fondamentali ecc ecc..), si trovano le relazioni:
e ![\[V_L+V_2-V_3=0\] \[V_L+V_2-V_3=0\]](/forum/latexrender/pictures/b214a3e6d77d3732b5d1c07c206a498b.png)
Si osservi che:
- dal sistema di equazioni:
si trova:![\[i_5=-V_c/6+i_g/2\] \[i_5=-V_c/6+i_g/2\]](/forum/latexrender/pictures/4220dc18d8689ae062c3ecabae9ed446.png)
![\[i_4=V_c/6+i_g/2\] \[i_4=V_c/6+i_g/2\]](/forum/latexrender/pictures/5c09373df03e1b655fb2def30235cbee.png)
- essendo:
e ![\[i_L+i_1+i_3-i_c-V_c/6-i_g/2=0\] \[i_L+i_1+i_3-i_c-V_c/6-i_g/2=0\]](/forum/latexrender/pictures/e27647e262149acdea7020f663a18461.png)
si trova:
![\[i_3=i_c+V_c/6+i_g/2-V_L/3-i_L\] \[i_3=i_c+V_c/6+i_g/2-V_L/3-i_L\]](/forum/latexrender/pictures/75a563470baafc6e9e6d964e3c42ff09.png)
-essendo:
si trova infine:![\[i_2=-i_c-V_c/6+i_g/2+V_L/3+i_L\] \[i_2=-i_c-V_c/6+i_g/2+V_L/3+i_L\]](/forum/latexrender/pictures/afbd17955fc21e3129c716bf3db48486.png)
Sostituendo nelle equazioni precedenti e operando le opportune sostituzioni si trovano le due equazioni di stato:
![\[\frac{\mathrm{d} }{\mathrm{d} t}i_L=-2i_L+i_g\] \[\frac{\mathrm{d} }{\mathrm{d} t}i_L=-2i_L+i_g\]](/forum/latexrender/pictures/8930c3dbae446572f9332b43918d20af.png)
Si devono quindi risolvere due equazioni differenziali del primo ordine.
L'equazione in Vc ha per soluzione:
![\[V_c(t)=3cos(2t)+9sin(2t)\] \[V_c(t)=3cos(2t)+9sin(2t)\]](/forum/latexrender/pictures/0a52a48138ff58b6f961d37a564d1066.png)
La corrente ic vale:
![\[i_c(t)=(1/4)*\frac{\mathrm{d} }{\mathrm{d} t}V_c=9cos(2t)/2-3sin(2t)/2\] \[i_c(t)=(1/4)*\frac{\mathrm{d} }{\mathrm{d} t}V_c=9cos(2t)/2-3sin(2t)/2\]](/forum/latexrender/pictures/4c4bc61dfe82de3d909ec1ca0df88022.png)
La tensione V4 vale:
![\[V_4=V_c+3i_c=33cos(2t)/2+9sin(2t)/2\] \[V_4=V_c+3i_c=33cos(2t)/2+9sin(2t)/2\]](/forum/latexrender/pictures/53fff25eb5293638dc9d99dfb6d88782.png)
L'equazione in iL ha per soluzione:
![\[i_L(t)=(5/2)(-e^{-2t}+sin(2t)+cos(2t))\] \[i_L(t)=(5/2)(-e^{-2t}+sin(2t)+cos(2t))\]](/forum/latexrender/pictures/40598779627eab5978a87c19a2a24457.png)
VL vale:
![\[V_L(t)=5(e^{-2t}-sin(2t)+cos(2t))\] \[V_L(t)=5(e^{-2t}-sin(2t)+cos(2t))\]](/forum/latexrender/pictures/9f353db72b8c31e03a648d41f7295bfb.png)
i1 vale:
![\[i_1(t)=(5/3)(e^{-2t}-sin(2t)+cos(2t))\] \[i_1(t)=(5/3)(e^{-2t}-sin(2t)+cos(2t))\]](/forum/latexrender/pictures/014e54960bd027e99c87b2b97f04b9c1.png)
V3 vale:
![\[V_3=-3(i_L+i_1)=(5/2)(e^{-2t}-sin(2t)-5cos(2t))\] \[V_3=-3(i_L+i_1)=(5/2)(e^{-2t}-sin(2t)-5cos(2t))\]](/forum/latexrender/pictures/ef7e759f848f3534d2971ab1344733e2.png)
Da cui, finalmente:
![\[V'(t)=V_3+V_4=(5/2)e^{-2t}+2sin(2t)+4cos(2t) V\] \[V'(t)=V_3+V_4=(5/2)e^{-2t}+2sin(2t)+4cos(2t) V\]](/forum/latexrender/pictures/11882fcd0dc8e9325ef404cb33d0d4a1.png)
Ho ricontrollato i calcoli mille volte e non riesco a capire il perché non mi risultino i coefficienti (in particolare quello del coseno, quello del seno dovrebbe essere corretto, se approssimato...).


Elettrotecnica e non solo (admin)
Un gatto tra gli elettroni (IsidoroKZ)
Esperienza e simulazioni (g.schgor)
Moleskine di un idraulico (RenzoDF)
Il Blog di ElectroYou (webmaster)
Idee microcontrollate (TardoFreak)
PICcoli grandi PICMicro (Paolino)
Il blog elettrico di carloc (carloc)
DirtEYblooog (dirtydeeds)
Di tutto... un po' (jordan20)
AK47 (lillo)
Esperienze elettroniche (marco438)
Telecomunicazioni musicali (clavicordo)
Automazione ed Elettronica (gustavo)
Direttive per la sicurezza (ErnestoCappelletti)
EYnfo dall'Alaska (mir)
Apriamo il quadro! (attilio)
H7-25 (asdf)
Passione Elettrica (massimob)
Elettroni a spasso (guidob)
Bloguerra (guerra)














