Cos'è ElectroYou | Login Iscriviti

ElectroYou - la comunità dei professionisti del mondo elettrico

Esercizio rifasamento

Circuiti, campi elettromagnetici e teoria delle linee di trasmissione e distribuzione dell’energia elettrica

Moderatori: Foto Utenteg.schgor, Foto UtenteIsidoroKZ

0
voti

[1] Esercizio rifasamento

Messaggioda Foto UtenteFreezix » 25 apr 2014, 20:57

Buonasera a tutti.
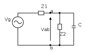
In questo esercizio mi viene chiesto di trovare la potenza complessa fornita dal generatore di tensione sinusoidale e in seguito di trovare il valore del condensatore (da mettere tra i morsetti a-b) affinchè tensione e corrente siano in fase.

R_1=1Ohm
R_2=5Ohm
L_1=L_2=0.005 H
v_g(t)=300 cos(1000t+pi/3)
Questo è il mio ragionamento:la potenza complessa si ottiene moltiplicando la tensione per il coniugato della corrente.Per la corrente ho pensato di considerare le impedenze z_1=R_2+jX_2 e z_2=R_1+jX_1 e di considerare Thevenin per trovare V_2.Dopo aver trovato la tensione l'ho divisa per l'impedenza z_1 e ho trovato la corrente presente nel circuito.Ho moltiplicato il coniugato della corrente per la tensione del generatore (valore efficace per (coseno+jseno)) e ho ottenuto la potenza complessa.
Per trovare la capacità del condensatore affinchè tensione e corrente siano in fase ho considerato il parallelo tra z_1 e l'impedenza capacitiva e in seguito ho posto la reattanza uguale a zero cosi da ottenere un'equazione omogenea dalla quale mi sono ricavato C.
Il mio procedimento è giusto?
Riguardo l'ultimo passaggio con cui mi sono trovato la C vi è un altro metodo in cui si considerano le potenze reattive Q_c+Q=Q' dove la prima è la potenza reattiva del condensatore,la seconda è quella dell'utilizzatore e la terza è la potenza reattiva del complesso utilizzatore-condensatore.Siccome devo consideare I e V in fase allora Q'=0 e quindi mi ritrovo che C=Q/(omega)V^{2}.Giusto fin qui?
Grazie a tutti in anticipo
Avatar utente
Foto UtenteFreezix
25 3
 
Messaggi: 41
Iscritto il: 4 apr 2014, 17:55

1
voti

[2] Re: Esercizio rifasamento

Messaggioda Foto Utenteg.schgor » 26 apr 2014, 8:29

Ma non bastava considerare che la parte immaginaria
dell'impedenza fra a e b (con l'aggiunta di C) deve risultare
uguale e di segno opposto a quella dell'impedenza in serie?
Avatar utente
Foto Utenteg.schgor
57,8k 9 12 13
G.Master EY
G.Master EY
 
Messaggi: 16971
Iscritto il: 25 ott 2005, 9:58
Località: MILANO

0
voti

[3] Re: Esercizio rifasamento

Messaggioda Foto Utentenunziato » 26 apr 2014, 10:52

Freezix ha scritto:di considerare Thevenin per trovare V_2

Scusa, ma calcolare la tensione su Z_2 usando il partitore di tensione?
Freezix ha scritto:Dopo aver trovato la tensione l'ho divisa per l'impedenza z_1 e ho trovato la corrente presente nel circuito

Se non ho capito male hai calcolato la corrente circolante dividendo la tensione con questa relazione: I=\frac{V_2}{Z_1} ? :?
Freezix ha scritto:mi viene chiesto di trovare la potenza complessa fornita dal generatore

Fare la serie di Z_1 e Z_2, applicare la legge di Ohm per calcolare la corrente circolante e poi effettuare il calcolo della potenza complessa considerando la tensione del generatore?

Per quanto riguarda il rifasamento, non ho capito se devono essere in fase la tensione su Z_2 e la corrente circolante (cosa che mi pare più probabile), oppure la tensione del generatore e la corrente circolante.
Nel primo caso la potenza reattiva del condensatore deve essere uguale a quella dell'induttanzaL_2 sapendo che la tensione sul condensatore è la V_ {ab}.
Nel secondo caso la potenza reattiva complessiva dovrà essere nulla e da qui l'unica incognita sarà il volre di C.
Avatar utente
Foto Utentenunziato
4.291 3 9 12
Master EY
Master EY
 
Messaggi: 531
Iscritto il: 14 dic 2012, 23:14
Località: Acri (CS) - Polistena (RC)

0
voti

[4] Re: Esercizio rifasamento

Messaggioda Foto UtenteFreezix » 26 apr 2014, 16:53

g.schgor ha scritto:Ma non bastava considerare che la parte immaginaria
dell'impedenza fra a e b (con l'aggiunta di C) deve risultare
uguale e di segno opposto a quella dell'impedenza in serie?

-(j)/(omega C)=-j omega L
Giusto?
nunziato ha scritto:Scusa, ma calcolare la tensione su Z_2 usando il partitore di tensione?

Si hai ragione.Ho sbagliato a scrivere ma ho considerato il partitore di tensione.
Quindi per trovare la corrente nel circuito considero la serie z_1+z_2 ed essendo la tensione uguale a quella del generatore divido quest'ultima con la serie delle impedenze.Giusto?
nunziato ha scritto:
Per quanto riguarda il rifasamento, non ho capito se devono essere in fase la tensione su Z_2 e la corrente circolante (cosa che mi pare più probabile), oppure la tensione del generatore e la corrente circolante.


Il secondo caso.
nunziato ha scritto:Nel secondo caso la potenza reattiva complessiva dovrà essere nulla e da qui l'unica incognita sarà il volre di C.

Ciò che ho detto io?
Avatar utente
Foto UtenteFreezix
25 3
 
Messaggi: 41
Iscritto il: 4 apr 2014, 17:55

0
voti

[5] Re: Esercizio rifasamento

Messaggioda Foto Utentenunziato » 27 apr 2014, 9:53

Freezix ha scritto:Quindi per trovare la corrente nel circuito

Si: I=\frac{V}{Z_1+Z_2}
Per quanto riguarda il rifasamento deve risultare Q_1+Q_2-Q_c=0
Dove ovviamente Q_1 e Q_2 sono le potenze reattive delle due impedenzeZ_1 e Z_2 e Q_c quella del condensatore. Ricorda però che quest'ultimo è collegato fra i punti a e b per cui nel calcolo di C devi tener conto che il condensatore è sottoposto alla tensione fra questi due punti.
Avatar utente
Foto Utentenunziato
4.291 3 9 12
Master EY
Master EY
 
Messaggi: 531
Iscritto il: 14 dic 2012, 23:14
Località: Acri (CS) - Polistena (RC)

1
voti

[6] Re: Esercizio rifasamento

Messaggioda Foto Utenteg.schgor » 27 apr 2014, 15:55

Freezix ha scritto:Giusto?

Sì, risulta C=200uF
Avatar utente
Foto Utenteg.schgor
57,8k 9 12 13
G.Master EY
G.Master EY
 
Messaggi: 16971
Iscritto il: 25 ott 2005, 9:58
Località: MILANO

0
voti

[7] Re: Esercizio rifasamento

Messaggioda Foto UtenteFreezix » 28 apr 2014, 13:45

nunziato ha scritto:Ricorda però che quest'ultimo è collegato fra i punti a e b per cui nel calcolo di C devi tener conto che il condensatore è sottoposto alla tensione fra questi due punti.

La tensione tra a e b è uguale a quella che ho trovato con il partitore di tensione,dell'impedenza z_1 ?
Avatar utente
Foto UtenteFreezix
25 3
 
Messaggi: 41
Iscritto il: 4 apr 2014, 17:55

0
voti

[8] Re: Esercizio rifasamento

Messaggioda Foto Utentenunziato » 28 apr 2014, 19:02

Freezix ha scritto:La tensione tra a e b è uguale a quella che ho trovato con il partitore di tensione,dell'impedenza z_1 ?

No. E' la tensione ai capi dell'impedenza Z_2, de resto se ho ben capito il condensatore deve essere inserito fra i punti a e b, secondo il circuito da te riportato.
Avatar utente
Foto Utentenunziato
4.291 3 9 12
Master EY
Master EY
 
Messaggi: 531
Iscritto il: 14 dic 2012, 23:14
Località: Acri (CS) - Polistena (RC)

0
voti

[9] Re: Esercizio rifasamento

Messaggioda Foto UtenteFreezix » 28 apr 2014, 19:22

Per trovare Vab posso considerare il partitore di tensione,dell'intero circuito, per trovare la tensione di z_2?
Avatar utente
Foto UtenteFreezix
25 3
 
Messaggi: 41
Iscritto il: 4 apr 2014, 17:55

0
voti

[10] Re: Esercizio rifasamento

Messaggioda Foto Utentenunziato » 28 apr 2014, 20:17

Si.
In pratica hai questa situazione quando inserisci il condensatore.
Avatar utente
Foto Utentenunziato
4.291 3 9 12
Master EY
Master EY
 
Messaggi: 531
Iscritto il: 14 dic 2012, 23:14
Località: Acri (CS) - Polistena (RC)


Torna a Elettrotecnica generale

Chi c’è in linea

Visitano il forum: Nessuno e 15 ospiti