[Elettrotecnica] Risoluzione circuito trifase
Moderatori:
g.schgor,
IsidoroKZ
2 messaggi
• Pagina 1 di 1
0
voti
Questo problema mi richiede di trovare le correnti I1,I2,I3,I4,I5. Per le correnti I4,I5 ci sono, ma per le altre 3 mi viene difficile trovarle perché non sarebbero correnti all'interno di un nodo? Cerco di spiegarmi meglio: la corrente I1 scorre in quel tratto di circuito che è un nodo che invece di pensare come un segmento posso pensare come un punto. Quindi concettualmente mi viene difficile da capire. Grazie per la disponibilità.
0
voti
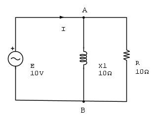
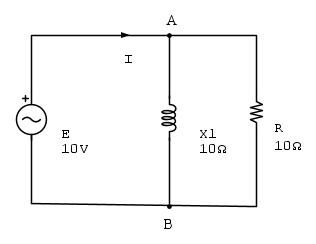
E qui come faresti a calcolare I?
2 messaggi
• Pagina 1 di 1
Torna a Elettrotecnica generale
Chi c’è in linea
Visitano il forum: Nessuno e 71 ospiti

Elettrotecnica e non solo (admin)
Un gatto tra gli elettroni (IsidoroKZ)
Esperienza e simulazioni (g.schgor)
Moleskine di un idraulico (RenzoDF)
Il Blog di ElectroYou (webmaster)
Idee microcontrollate (TardoFreak)
PICcoli grandi PICMicro (Paolino)
Il blog elettrico di carloc (carloc)
DirtEYblooog (dirtydeeds)
Di tutto... un po' (jordan20)
AK47 (lillo)
Esperienze elettroniche (marco438)
Telecomunicazioni musicali (clavicordo)
Automazione ed Elettronica (gustavo)
Direttive per la sicurezza (ErnestoCappelletti)
EYnfo dall'Alaska (mir)
Apriamo il quadro! (attilio)
H7-25 (asdf)
Passione Elettrica (massimob)
Elettroni a spasso (guidob)
Bloguerra (guerra)


