Cos'è ElectroYou | Login Iscriviti

ElectroYou - la comunità dei professionisti del mondo elettrico

Rete dinamica in regime costante

Circuiti, campi elettromagnetici e teoria delle linee di trasmissione e distribuzione dell’energia elettrica

Moderatori: Foto Utenteg.schgor, Foto UtenteIsidoroKZ

0
voti

[1] Rete dinamica in regime costante

Messaggioda Foto UtenteGiuls91 » 20 set 2015, 10:49

Buongiorno a tutti! O_/
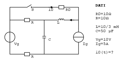
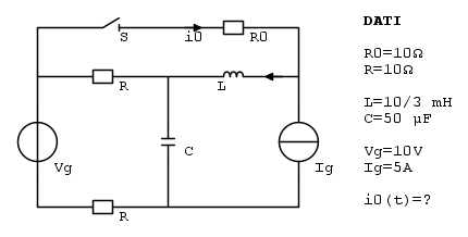
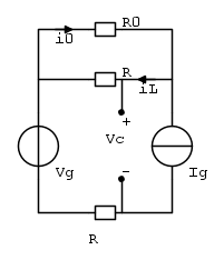
Stamattina ho a che fare con questo esercizio a regime costante

di cui devo trovare la corrente i_0(t).

L'interruttore S chiude all'istante t=0.
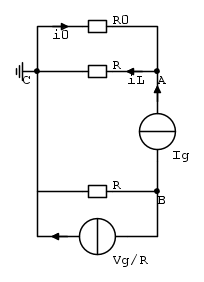
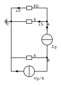
Per trovare le condizioni iniziali, visto che siamo in regime costante, approssimo l'induttore ad un corto circuito e il condensatore ad un circuito aperto. Ottengo, quindi, questa rete così fatta da studiare:



A questo punto, ho pensato di trasformare il lato alla Thevenin in lato alla Norton, con il generatore di corrente in parallelo ad R, di valore pari a \frac{V_g}{R}. In questo modo, i_L sarà data dal rapporto tra il potenziale del nodo corrispondente e il valore della resistenza presente nel lato dell'induttore. In questo modo:



in cui e_C=0 perché nodo di riferimento.
Quindi i_L=\frac{e_A}{R}.
Utilizzando il metodo dei potenziali nodali e sostituendo i valori numerici, ottengo che i_L(0^-)=\frac{e_A}{R}=\frac{5}{2}.
Il mio problema adesso è: come trovo la tensione V_c(0^-)?
Help meeee :?:
Avatar utente
Foto UtenteGiuls91
20 1 5
 
Messaggi: 41
Iscritto il: 22 feb 2015, 11:44

4
voti

[2] Re: Rete dinamica in regime costante

Messaggioda Foto UtenteRenzoDF » 20 set 2015, 15:10

Per t=0- l'interruttore è aperto (non chiuso) e di conseguenza i_L(0-)=I_g=5 A, essendo uguale a quella impressa dal GIC, mentre v_C(0-)=2RI_g+Vg=110 V grazie ad una semplice KVL all'anello sinistro.
"Il circuito ha sempre ragione" (Luigi Malesani)
Avatar utente
Foto UtenteRenzoDF
55,9k 8 12 13
G.Master EY
G.Master EY
 
Messaggi: 13189
Iscritto il: 4 ott 2008, 9:55

0
voti

[3] Re: Rete dinamica in regime costante

Messaggioda Foto UtenteGiuls91 » 20 set 2015, 16:02

Quindi non ho bisogno di applicare metodi vari? Che sciocca :oops: che tra l'altro non mi hanno portata neanche ad un risultato corretto #-o
E per calcolare la tensione del condensatore quindi considero come se vi fosse una maglia a sè stante e scrivo la LKT. Giusto, non sapevo come comportarmi in questo caso. Fino ad ora ho trovato reti composte in modo diverso, ma mai così :?:
Poi, invece, per t>0, quando l'interruttore chiude, posso procedere utilizzando il mio amato Laplace, no?
Appena risolvo la seconda parte, posto il tutto così viene un esercizio completo :-)
Grazie RenzoDF ;-)

-----> mi sono accorta che non avevo aperto l'interruttore. Che sbadata che sono! #-o #-o
Avatar utente
Foto UtenteGiuls91
20 1 5
 
Messaggi: 41
Iscritto il: 22 feb 2015, 11:44


Torna a Elettrotecnica generale

Chi c’è in linea

Visitano il forum: Nessuno e 20 ospiti