Cos'è ElectroYou | Login Iscriviti

ElectroYou - la comunità dei professionisti del mondo elettrico

Applicazione Teorema di Norton circuito del terzo ordine

Circuiti, campi elettromagnetici e teoria delle linee di trasmissione e distribuzione dell’energia elettrica

Moderatori: Foto Utenteg.schgor, Foto UtenteIsidoroKZ

1
voti

[1] Applicazione Teorema di Norton circuito del terzo ordine

Messaggioda Foto Utentelollone69 » 26 set 2015, 22:58

Salve,


ho un dubbio sul calcolo della corrente {{\dot I}_{C}} mediante l'applicazione del teorema di Norton. Il testo è:

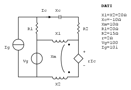
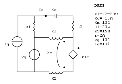
Calcolare la corrente {{\dot I}_{C}} nel capacitore della rete in regime sinusoidale applicando il
teorema di Norton


Il circuito con i dati:



Il dubbio principale riguarda il calcolo della corrente di Norton ({{\dot I}_{NO}}): poiché devo calcolare {{\dot I}_{NO}} come la corrente del cortocircuito (senza condensatore), come devo considerare il generatore di tensione pilotato {r{\dot I}_{C}} ? Quale sarà il suo valore?

Mentre nel calcolo della Z_{eq} devo procedere sostituendo al GIT un cortocircuito e al GIC un circuito aperto, mentre al posto del condensatore metto un GIT. E' corretto?

Le soluzioni del problema sono:

{{\dot I}_{NO} = 3,16 + i4,24 A}
{{\dot Z}_{eq} = 36 + i15 A}
{{\dot I}_{C} = 2,12 + i5,26 A}

Grazie in anticipo.
Avatar utente
Foto Utentelollone69
5 3
 
Messaggi: 6
Iscritto il: 4 ago 2015, 19:25

0
voti

[2] Re: Applicazione Teorema di Norton circuito del terzo ordine

Messaggioda Foto UtenteIsidoroKZ » 26 set 2015, 23:42

Direi di considerarlo attivo, con la corrente che passa nel cortocircuito che sostituisce il condensatore.
Per usare proficuamente un simulatore, bisogna sapere molta più elettronica di lui
Plug it in - it works better!
Il 555 sta all'elettronica come Arduino all'informatica! (entrambi loro malgrado)
Se volete risposte rispondete a tutte le mie domande
Avatar utente
Foto UtenteIsidoroKZ
121,2k 1 3 8
G.Master EY
G.Master EY
 
Messaggi: 21059
Iscritto il: 17 ott 2009, 0:00

0
voti

[3] Re: Applicazione Teorema di Norton circuito del terzo ordine

Messaggioda Foto UtenteRenzoDF » 27 set 2015, 9:12

Io invece direi che non si può proprio usare Norton, in quanto a causa del legame fra corrente pilota, funzione del bipolo esterno, e resto della rete, non può esistere un circuito equivalente del "resto della rete" e quindi, a mio parere, anche senza fare nessun conto, quei risultati non possono essere corretti.
"Il circuito ha sempre ragione" (Luigi Malesani)
Avatar utente
Foto UtenteRenzoDF
55,9k 8 12 13
G.Master EY
G.Master EY
 
Messaggi: 13189
Iscritto il: 4 ott 2008, 9:55

0
voti

[4] Re: Applicazione Teorema di Norton circuito del terzo ordine

Messaggioda Foto UtenteGiuls91 » 27 set 2015, 9:58

RenzoDF ha scritto:Io invece direi che non si può proprio usare Norton, in quanto a causa del legame fra corrente pilota, funzione del bipolo esterno, e resto della rete, non può esistere un circuito equivalente del "resto della rete" e quindi, a mio parere, anche senza fare nessun conto, quei risultati non possono essere corretti.


E' un esercizio tratto da un compito d'esame. Non penso proprio che il prof. lo metta ad un esame e addirittura dopo qualche giorno dia questa soluzione, se è sbagliata. In ogni caso, mi trovo in questo topic perché anche io stavo affrontando questo esercizio O_/
Avatar utente
Foto UtenteGiuls91
20 1 5
 
Messaggi: 41
Iscritto il: 22 feb 2015, 11:44

0
voti

[5] Re: Applicazione Teorema di Norton circuito del terzo ordine

Messaggioda Foto UtenteRenzoDF » 27 set 2015, 10:05

Giuls91 ha scritto:... E' un esercizio tratto da un compito d'esame. Non penso proprio che il prof. lo metta ad un esame e addirittura dopo qualche giorno dia questa soluzione, se è sbagliata.

Io, ti consiglierei di provare con un altro metodo; solo se otterrai lo stesso risultato il tuo professore non avrà sbagliato.
"Il circuito ha sempre ragione" (Luigi Malesani)
Avatar utente
Foto UtenteRenzoDF
55,9k 8 12 13
G.Master EY
G.Master EY
 
Messaggi: 13189
Iscritto il: 4 ott 2008, 9:55

0
voti

[6] Re: Applicazione Teorema di Norton circuito del terzo ordine

Messaggioda Foto UtenteDirtyDeeds » 27 set 2015, 10:10

RenzoDF ha scritto:Io invece direi che non si può proprio usare Norton, in quanto a causa del legame fra corrente pilota, funzione del bipolo esterno,


Si può usare, basta considerare rI_c come generatore indipendente, ottenendo così una corrente di cortocircuito funzione di I_c.
It's a sin to write sin instead of \sin (Anonimo).
...'cos you know that cos ain't \cos, right?
You won't get a sexy tan if you write tan in lieu of \tan.
Take a log for a fireplace, but don't take log for \logarithm.
Avatar utente
Foto UtenteDirtyDeeds
55,9k 7 11 13
G.Master EY
G.Master EY
 
Messaggi: 7012
Iscritto il: 13 apr 2010, 16:13
Località: Somewhere in nowhere

0
voti

[7] Re: Applicazione Teorema di Norton circuito del terzo ordine

Messaggioda Foto UtenteRenzoDF » 27 set 2015, 10:16

Norton va a determinare un circuito equivalente del "resto della rete" ovvero una blackbox che si comporta in modo equivalente fra i due morsetti, e che non dipende dal bipolo esterno.

E in ogni caso la corrente indicata nella soluzione per il GIC equivalente, così come la corrente nel condensatore, forniti dalla soluzione, non possono essere corretti, ovvero quel circuito equivalente è valido solo per un bipolo cortocircuito , non per un generico bipolo, di generica impedenza Z, collegato ai morsetti.
"Il circuito ha sempre ragione" (Luigi Malesani)
Avatar utente
Foto UtenteRenzoDF
55,9k 8 12 13
G.Master EY
G.Master EY
 
Messaggi: 13189
Iscritto il: 4 ott 2008, 9:55

0
voti

[8] Re: Applicazione Teorema di Norton circuito del terzo ordine

Messaggioda Foto UtenteDirtyDeeds » 27 set 2015, 10:29

Non ha veramente importanza l'indipendenza dal bipolo esterno. Il teorema di Norton deriva dalla linearità della rete con l'ipotesi di unicità della soluzione. Usare il teorema di Norton come ho indicato è equivalente a utilizzare la sovrapposizione degli effetti con generatori pilotati.
It's a sin to write sin instead of \sin (Anonimo).
...'cos you know that cos ain't \cos, right?
You won't get a sexy tan if you write tan in lieu of \tan.
Take a log for a fireplace, but don't take log for \logarithm.
Avatar utente
Foto UtenteDirtyDeeds
55,9k 7 11 13
G.Master EY
G.Master EY
 
Messaggi: 7012
Iscritto il: 13 apr 2010, 16:13
Località: Somewhere in nowhere

0
voti

[9] Re: Applicazione Teorema di Norton circuito del terzo ordine

Messaggioda Foto UtenteRenzoDF » 27 set 2015, 10:33

Mah, io vedo Norton in forma più classica ovvero "ristretta", ad ogni modo ti chiedo, quei risultati possono essere corretti?
E ancora, quale errore ha fatto chi li ha determinati?
"Il circuito ha sempre ragione" (Luigi Malesani)
Avatar utente
Foto UtenteRenzoDF
55,9k 8 12 13
G.Master EY
G.Master EY
 
Messaggi: 13189
Iscritto il: 4 ott 2008, 9:55

0
voti

[10] Re: Applicazione Teorema di Norton circuito del terzo ordine

Messaggioda Foto UtenteIsidoroKZ » 27 set 2015, 10:37

Ho provato a risolvere l'esercizio originale con le correnti di maglia. Ci sono solo due incognite perche' la maglia contenente Ig non introduce una incognita, al piu` solo la tensione ai capi del generatore di corrente che non interessa.

Per fare le cose piu` flessibili ho scritto il sistema lasciando Xc (ma direi che in un esame non sia da fare, richiede troppo tempo). Poi trovato il risultato ho fatto tendere Xc a zero e ho trovato la corrente di cortocircuito, che mi viene solo quasi come i tuoi risultati, INO=(2.92+j4.24)A. Poi con Xc che tende a infinto e qualche altro passaggio ho trovato la tensione a vuoto ai capi del condensatore, e dal loro rapporto l'impedenza.

Questo perche' sono a casa in pigiama e tranquillo :)

Per fare i conti piu` in fretta direi di cortocircuitare Xc e trovare la corrente di cortocircuito con due maglie. Per l'impedenza spegni i generatori indipendenti e metti un generatore di prova al posto di C, in questo modo


Dato che il generatore pilotato e` comandato da una corrente costante (Iprova) diventa un generatore indipendente e puoi usare la sovrapposizione degli effetti. La Z mi viene Z=(35.7+j16.7)Ω
Per usare proficuamente un simulatore, bisogna sapere molta più elettronica di lui
Plug it in - it works better!
Il 555 sta all'elettronica come Arduino all'informatica! (entrambi loro malgrado)
Se volete risposte rispondete a tutte le mie domande
Avatar utente
Foto UtenteIsidoroKZ
121,2k 1 3 8
G.Master EY
G.Master EY
 
Messaggi: 21059
Iscritto il: 17 ott 2009, 0:00

Prossimo

Torna a Elettrotecnica generale

Chi c’è in linea

Visitano il forum: Nessuno e 20 ospiti