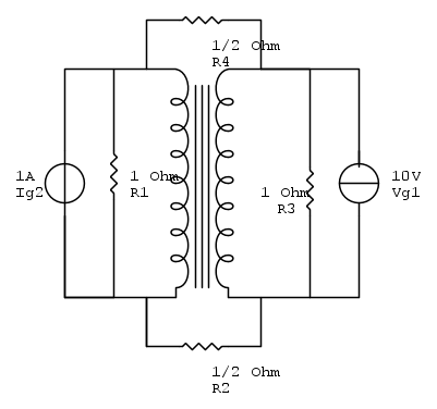
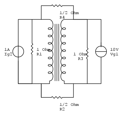
Ciao a tutti devo calcolare la potenza dissipata nei resistori ma non riesco a trovare una strategia per procedere nel risolvere il circuito. Il trasformatore è un trasformatore ideale con a=10. Non sapevo come mettere il verso del generatore di corrente a sinistra, comunque è verso l'alto. Accetto dei suggerimenti per procedere nella risoluzione dell'esercizio grazie in anticipo.
Esercizio trasformatore ideale
Moderatori:
g.schgor,
IsidoroKZ
4 messaggi
• Pagina 1 di 1
0
voti
Scusate il professore ci ha dato il consiglio che su R2 e R4 non passa corrente ma perché?
-

NicholasASR
13 6 - Frequentatore

- Messaggi: 108
- Iscritto il: 7 nov 2015, 12:09
0
voti
Visto che hai fatto lo schema fidocadj, rifallo con i simboli giusti dei generatori. Hai messo un generatore di corrente con una tensione come valore e un generatore di tensione con una corrente! Inoltre metti sullo schema anche il rapporto di trasformazione. A me piace vederlo scritto 1:10 oppure 10:1 in modo che si veda da che parte e` a e da che parte e` "1".
Credo di poterti spiegare facilmente perche' non passa corrente nelle due resistenze, ma prima fai lo schema giusto
Credo di poterti spiegare facilmente perche' non passa corrente nelle due resistenze, ma prima fai lo schema giusto
Per usare proficuamente un simulatore, bisogna sapere molta più elettronica di lui
Plug it in - it works better!
Il 555 sta all'elettronica come Arduino all'informatica! (entrambi loro malgrado)
Se volete risposte rispondete a tutte le mie domande
Plug it in - it works better!
Il 555 sta all'elettronica come Arduino all'informatica! (entrambi loro malgrado)
Se volete risposte rispondete a tutte le mie domande
0
voti
Comunque senza che rifaccio lo schema penso di aver risolto... La tensione su R3 è la stessa del generatore di tensione a destra quindi trovo subito la i su R3 e di conseguenza la potenza dissipata da R3. Dalla tensione su R3 trovo la tensione su R1 tramite la formula V1=a*V2 così allo stesso modo trovo la i su R1 e la potenza dissipata da R1. Su R2 e R4 non passa corrente in quanto se applico la LKC ai nodi tra trasformatore e i rami delle R la corrente nel trasformatore è la stessa quella che entra e quella che esce quindi su R2 e R4 non passa corrente. E' tutto giusto?
-

NicholasASR
13 6 - Frequentatore

- Messaggi: 108
- Iscritto il: 7 nov 2015, 12:09
4 messaggi
• Pagina 1 di 1
Torna a Elettrotecnica generale
Chi c’è in linea
Visitano il forum: Nessuno e 43 ospiti

Elettrotecnica e non solo (admin)
Un gatto tra gli elettroni (IsidoroKZ)
Esperienza e simulazioni (g.schgor)
Moleskine di un idraulico (RenzoDF)
Il Blog di ElectroYou (webmaster)
Idee microcontrollate (TardoFreak)
PICcoli grandi PICMicro (Paolino)
Il blog elettrico di carloc (carloc)
DirtEYblooog (dirtydeeds)
Di tutto... un po' (jordan20)
AK47 (lillo)
Esperienze elettroniche (marco438)
Telecomunicazioni musicali (clavicordo)
Automazione ed Elettronica (gustavo)
Direttive per la sicurezza (ErnestoCappelletti)
EYnfo dall'Alaska (mir)
Apriamo il quadro! (attilio)
H7-25 (asdf)
Passione Elettrica (massimob)
Elettroni a spasso (guidob)
Bloguerra (guerra)

