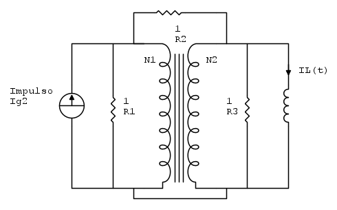
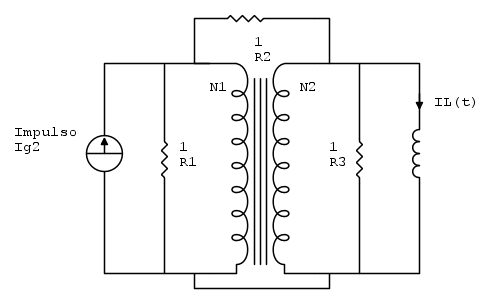
Calcolare la risposta all’impulso relativa alla corrente iL(t). R1 =1Ω,R2 =1Ω,R3 =1Ω, a= n1/n2 = 10, Ig2 = δ(t)A
Allora ho cercato prima di tutto le condizioni iniziali del problema di Cauchy studiando il circuito a t=0 e quindi ho sostituito l'induttore con un C.A. e il generatore di corrente impulsiva con un C.C. e di conseguenza ho iL(0)=0.
Ora ho applicato Norton ai capi di L e non capisco se la R eq sia R3 o devo trovarla con il generatore di prova messo al posto di L così facendo trovo 1/182. Ora invece non so come trovare la In potete dirmi se ho sbagliato qualcosa e come procedere?
Circuito RL primo ordine
Moderatori:
g.schgor,
IsidoroKZ
8 messaggi
• Pagina 1 di 1
0
voti
A quanto pare le consegne lasciano L e C parametrici non danno valori.. comunque se devo trovare la risposta all'impulso non mi serve calcolare la i di Norton perché quello sarebbe per iL >0, ma volendo comunque trovarla come si fa?
-

NicholasASR
13 6 - Frequentatore

- Messaggi: 108
- Iscritto il: 7 nov 2015, 12:09
1
voti
Credo che per proseguire occorra definire il modello
da adottare per trasformatore.
Il comportamento impulsivo presuppone di conoscere
le induttanze del primario e del secondario, oltre
il rapporto spire.
Hai qualche esempio da seguire nei tuoi libri di testo?
da adottare per trasformatore.
Il comportamento impulsivo presuppone di conoscere
le induttanze del primario e del secondario, oltre
il rapporto spire.
Hai qualche esempio da seguire nei tuoi libri di testo?
0
voti
E' un trasformatore ideale del tipo i1=-ai1 e V1=aV2 con a =n1/n2
-

NicholasASR
13 6 - Frequentatore

- Messaggi: 108
- Iscritto il: 7 nov 2015, 12:09
1
voti
NicholasASR ha scritto:E' un trasformatore ideale del tipo i1=-ai1 e V1=aV2 con a =n1/n2
Volevi dire i1=-i2/a ?
Credo che Norton non sia aplicanbile (un corto al secondario
darebbe
)1
voti
Per cominciare consiglierei di sostituire il trasformatore (ideale)
con l'equivalente modello a generatori dipendenti:
dove
(vedi qui)
con l'equivalente modello a generatori dipendenti:
dove
(vedi qui)
8 messaggi
• Pagina 1 di 1
Torna a Elettrotecnica generale
Chi c’è in linea
Visitano il forum: Nessuno e 92 ospiti

Elettrotecnica e non solo (admin)
Un gatto tra gli elettroni (IsidoroKZ)
Esperienza e simulazioni (g.schgor)
Moleskine di un idraulico (RenzoDF)
Il Blog di ElectroYou (webmaster)
Idee microcontrollate (TardoFreak)
PICcoli grandi PICMicro (Paolino)
Il blog elettrico di carloc (carloc)
DirtEYblooog (dirtydeeds)
Di tutto... un po' (jordan20)
AK47 (lillo)
Esperienze elettroniche (marco438)
Telecomunicazioni musicali (clavicordo)
Automazione ed Elettronica (gustavo)
Direttive per la sicurezza (ErnestoCappelletti)
EYnfo dall'Alaska (mir)
Apriamo il quadro! (attilio)
H7-25 (asdf)
Passione Elettrica (massimob)
Elettroni a spasso (guidob)
Bloguerra (guerra)


