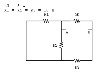
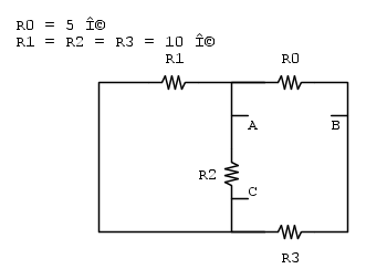
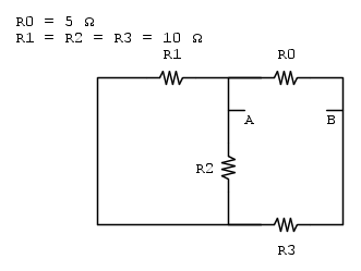
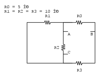
Devo calcolare la resistenza ai morsetti A e B, qualcuno mi può aiutare io ho fatto un mio ragionamento ma non voglio condizionarvi, l'ho preso da un libro ma non mi viene il valore giusto
Grazie in anticipo!!
Resistenza ai morsetti A e B
Moderatori:
g.schgor,
IsidoroKZ
13 messaggi
• Pagina 1 di 2 • 1, 2
0
voti
0
voti
pollopilo ha scritto:io ho fatto un mio ragionamento ma non voglio condizionarvi
Anche io!
Come ti è già stato detto posta la tua soluzione, se è sbagliata ti possiamo dire perché. Tranquillo che qui nessuno ti mette voti o ti rimanda a settembre...
-

nunziato
4.291 3 9 12 - Master EY

- Messaggi: 531
- Iscritto il: 14 dic 2012, 23:14
- Località: Acri (CS) - Polistena (RC)
1
voti
pollopilo ha scritto:Devo calcolare la resistenza ai morsetti A e B, qualcuno mi può aiutare io ho fatto un mio ragionamento ma non voglio condizionarvi, l'ho preso da un libro ma non mi viene il valore giusto
E' la stessa resistenza ai morsetti A e C !?
0
voti
due resistenze se poste in serie bisogna sommare i valori delle resistenze,
se in parallelo si divide il prodotto dei valori per la somma ((R1*R2)/(R1+R2))
se in parallelo si divide il prodotto dei valori per la somma ((R1*R2)/(R1+R2))
-

francicoma
60 1 6 - Frequentatore

- Messaggi: 151
- Iscritto il: 5 lug 2013, 1:23
13 messaggi
• Pagina 1 di 2 • 1, 2
Torna a Elettrotecnica generale
Chi c’è in linea
Visitano il forum: Nessuno e 78 ospiti

Elettrotecnica e non solo (admin)
Un gatto tra gli elettroni (IsidoroKZ)
Esperienza e simulazioni (g.schgor)
Moleskine di un idraulico (RenzoDF)
Il Blog di ElectroYou (webmaster)
Idee microcontrollate (TardoFreak)
PICcoli grandi PICMicro (Paolino)
Il blog elettrico di carloc (carloc)
DirtEYblooog (dirtydeeds)
Di tutto... un po' (jordan20)
AK47 (lillo)
Esperienze elettroniche (marco438)
Telecomunicazioni musicali (clavicordo)
Automazione ed Elettronica (gustavo)
Direttive per la sicurezza (ErnestoCappelletti)
EYnfo dall'Alaska (mir)
Apriamo il quadro! (attilio)
H7-25 (asdf)
Passione Elettrica (massimob)
Elettroni a spasso (guidob)
Bloguerra (guerra)

Ser.Tom





