Ciao sto avendo problemi con la risoluzione di questo circuito, avevo pensato al metodo dei potenziali di nodo pero non riesco a capire se è il modo giusto..
dovrei fissare un super nodo giusto?
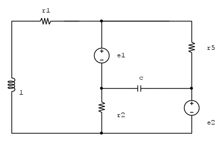
i dati sono questi..
R1 = 0.6kΩ, R2 = 1.4kΩ, R3 = 1kΩ, L = 2H, C = 1μF,
e1(t) = 200 sin(800t)V, e2(t) = 140 cos(800t)V.
come posso risolverlo?
Risoluzione di un circuito in regime sinusoidale
Moderatori:
g.schgor,
IsidoroKZ
11 messaggi
• Pagina 1 di 2 • 1, 2
1
voti
Lo puoi risolvere col metodo dei nodi, in particolare calcolando il potenziale
in figura
si può analizzare tutta la rete (in particolare come le correnti su ciascun ramo). Ho messo in evidenza anche la corrente del generatore
, che non andrà calcolata.
devi scrivere un sistema di due equazioni del tipo

Risolvendo il sistema si ottiene che

Prodotti tensioni-ammettenze: check dimensionale verificato!
quindi

Purtroppo devo andare quindi non posso al momento sostituire i valori nella formula.
Puoi risolverlo anche con lo sdoppiamento del generatore di tensione
(un generatore in serie alla capacità un altro in serie a
, elettricamente separati) e modificando il disegno della rete in modo tale da calcolare
con Millman. Otterrai lo stesso risultato (se ho fatto bene i conti)
.
in figurasi può analizzare tutta la rete (in particolare come le correnti su ciascun ramo). Ho messo in evidenza anche la corrente del generatore
, che non andrà calcolata.devi scrivere un sistema di due equazioni del tipo

Risolvendo il sistema si ottiene che

Prodotti tensioni-ammettenze: check dimensionale verificato!
quindi

Purtroppo devo andare quindi non posso al momento sostituire i valori nella formula.
Puoi risolverlo anche con lo sdoppiamento del generatore di tensione
(un generatore in serie alla capacità un altro in serie a
, elettricamente separati) e modificando il disegno della rete in modo tale da calcolare
con Millman. Otterrai lo stesso risultato (se ho fatto bene i conti) Ultima modifica di
gac il 23 mag 2017, 21:32, modificato 1 volta in totale.
0
voti
Delle volte cerco di evitare Thevenin perché spesso commetto errori, comunque quando si usano i potenziali ai nodi con i fasori, potrebbe essere più conveniente calcolare le ammettenze, anziché le impedenze ?
1
voti
jayeffe ha scritto:quando si usano i potenziali ai nodi con i fasori, potrebbe essere più conveniente calcolare le ammettenze, anziché le impedenze ?
Certamente, ma io sono abituato a calcolare le impedenze, a quel punto mi basta pigiare il tasto reciproco sulla calcolatrice (se lavora con i numeri complessi)
1
voti
Puoi ridisegnare il circuito così:
e poi applicare Millman.
Ciao,
Pietro.
e poi applicare Millman.
Ciao,
Pietro.
-

PietroBaima
90,7k 7 12 13 - G.Master EY

- Messaggi: 12206
- Iscritto il: 12 ago 2012, 1:20
- Località: Londra
0
voti
gac ha scritto:Lo puoi risolvere col metodo dei nodi, in particolare calcolando il potenzialein figura
si può analizzare tutta la rete (in particolare come le correnti su ciascun ramo). Ho messo in evidenza anche la corrente del generatore, che non andrà calcolata.
devi scrivere un sistema di due equazioni del tipo
Risolvendo il sistema si ottiene che
Prodotti tensioni-ammettenze: check dimensionale verificato!
quindi
Purtroppo devo andare quindi non posso al momento sostituire i valori nella formula.
Puoi risolverlo anche con lo sdoppiamento del generatore di tensione(un generatore in serie alla capacità un altro in serie a
, elettricamente separati) e modificando il disegno della rete in modo tale da calcolare
con Millman. Otterrai lo stesso risultato (se ho fatto bene i conti)
.
Per fare l'esercizio ho interpretato il Renzo Perfetti che mi spiega l'esercizio guidato quando vi è il supernodo. Io ho fissato il riferimento al nodo C
fissando al nodo c (spero di aver capito bene la teoria) il nodo d viene escluso perché connesso al generatore tramite riferimento.
ora ho definito il supernodo impostando l'equazione

da qui l'esercizio guida di Perfetti che ho imitato dice di scrivere 1 equazione per il nodo a e b
e metterla a sistema con la relazione

le correnti le ho scelte io con la convenzione sul nodo b e ho fatto

ora VD=E1
E dall equazione VB-VA=E2 ricavo il resto..
ho Interpretato bene il metodo di perfetti?
1
voti
Calma, non è proprio così. Ho tracciato il supernodo e le correnti ad esso associate nel seguente schema e per esso ho definito una legge di Kirchhoff per le correnti, indicata dalle frecce in rosso.
Per semplicità, supponiamo che
, che ne dici?
la KCL risulta

con
incognita,
e
.
La KCL del supernodo associato al generatore di tensione
è nient'altro che la combinazione delle KCL associate ai suoi nodi, accomunati dalla corrente
, che nel mio svolgimento ho dimostrato essere inutile nel calcolo del risultato finale. In conclusione, si riottiene la stessa equazione per il calcolo del potenziale del nodo di interesse.
Non mi ricordavo a dire il vero questo metodo,ti ringrazio.
Per semplicità, supponiamo che
, che ne dici? la KCL risulta

con
incognita,
e
.La KCL del supernodo associato al generatore di tensione
è nient'altro che la combinazione delle KCL associate ai suoi nodi, accomunati dalla corrente
, che nel mio svolgimento ho dimostrato essere inutile nel calcolo del risultato finale. In conclusione, si riottiene la stessa equazione per il calcolo del potenziale del nodo di interesse.Non mi ricordavo a dire il vero questo metodo,ti ringrazio.
0
voti
quindi per la potenza attiva devo usare la formula

e invece per la potenza complessa devo usare solo
Ovviamente ho solo V...posso usare la legge di kirkhoff per la corrente al nodo a e ricavo I del generatore, giusto?

e invece per la potenza complessa devo usare solo

Ovviamente ho solo V...posso usare la legge di kirkhoff per la corrente al nodo a e ricavo I del generatore, giusto?
0
voti
Noto il potenziale al nodo c sono noti i potenziali a tutti i nodi del circuito, quindi puoi calcolare tutte le differenze di potenziale e conseguentemente le correnti su ciascun ramo. Come al solito, si ha che la potenza complessa vale

mentre la potenza attiva è la sua parte reale. Credo che sia molto megio calcolare la potenza attiva (lo stesso vale per la reattiva) in questo modo, per evitare calcoli con funzioni seno e coseno.

mentre la potenza attiva è la sua parte reale. Credo che sia molto megio calcolare la potenza attiva (lo stesso vale per la reattiva) in questo modo, per evitare calcoli con funzioni seno e coseno.
0
voti
Quindi da
avro un P+jQ dove la parte reale è la potenza attiva..
Senza andare a stuzzicare le funzioni seno e coseno giusto?
avro un P+jQ dove la parte reale è la potenza attiva.. Senza andare a stuzzicare le funzioni seno e coseno giusto?
Ultima modifica di
admin il 25 mag 2017, 23:27, modificato 1 volta in totale.
Motivazione: eliminata citazione inutile integrale del messaggio che precede. C'è per tali risposte il tasto rispondi
Motivazione: eliminata citazione inutile integrale del messaggio che precede. C'è per tali risposte il tasto rispondi
11 messaggi
• Pagina 1 di 2 • 1, 2
Torna a Elettrotecnica generale
Chi c’è in linea
Visitano il forum: Nessuno e 14 ospiti

Elettrotecnica e non solo (admin)
Un gatto tra gli elettroni (IsidoroKZ)
Esperienza e simulazioni (g.schgor)
Moleskine di un idraulico (RenzoDF)
Il Blog di ElectroYou (webmaster)
Idee microcontrollate (TardoFreak)
PICcoli grandi PICMicro (Paolino)
Il blog elettrico di carloc (carloc)
DirtEYblooog (dirtydeeds)
Di tutto... un po' (jordan20)
AK47 (lillo)
Esperienze elettroniche (marco438)
Telecomunicazioni musicali (clavicordo)
Automazione ed Elettronica (gustavo)
Direttive per la sicurezza (ErnestoCappelletti)
EYnfo dall'Alaska (mir)
Apriamo il quadro! (attilio)
H7-25 (asdf)
Passione Elettrica (massimob)
Elettroni a spasso (guidob)
Bloguerra (guerra)





pigreco]=π

