ciao a tutti, ieri mi è capitato un esercizio all'esame che non sono riuscito proprio a fare..
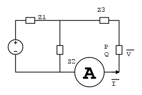
La rete è in regime sinusoidale e devo trovare il valore efficace del generatore sapendo che l'amperometro indica 10 A
i dati erano questi
P=1kW Q1KVar
Z1=20ohm
Z2=-j20 ohm
Z3=10 ohm
Il suggerimento era di assumere come riferimento di fase uno tra i fasori V oppure I .
Non avendo mai svolto un esercizio di questo tipo non sono proprio riuscito a capire come fare .
Circuito in regime sinusoidale valore efficace generatore
Moderatori:
g.schgor,
IsidoroKZ
10 messaggi
• Pagina 1 di 1
0
voti
Il valore efficace del generatore? Mai sentito.
Il valore efficace della tensione e della corrente, forse sì.
Il valore efficace della tensione e della corrente, forse sì.
Il Conte di Montecristo
Se non studio un giorno, me ne accorgo io. Se non studio due giorni, se ne accorge il pubblico.
Io devo studiare sodo e preparare me stesso perché prima o poi verrà il mio momento.
Abraham Lincoln
Se non studio un giorno, me ne accorgo io. Se non studio due giorni, se ne accorge il pubblico.
Io devo studiare sodo e preparare me stesso perché prima o poi verrà il mio momento.
Abraham Lincoln
-

EdmondDantes
11,9k 8 11 13 - Disattivato su sua richiesta
- Messaggi: 3619
- Iscritto il: 25 lug 2009, 22:18
- Località: Marsiglia
0
voti
Se l'esercizio chiede il calcolo del valore efficace della tensione ai capi del generatore, puoi posizionare il fasore I sull'asse reale. Calcola z4 a partire dai valori di potenza P e Q. Calcola la tensione ai capi di z3 e z4. Poi dovresti essere in grado di valutare la c.d.t. ai capi di z1 e quindi valutare la E del generatore. Ovviamente tutto in termini di valori complessi.
Dovresti avere un po' di segni meno visto che il verso della corrente I non rispetta i riferimenti del genaratore.
Dovresti avere un po' di segni meno visto che il verso della corrente I non rispetta i riferimenti del genaratore.
Il Conte di Montecristo
Se non studio un giorno, me ne accorgo io. Se non studio due giorni, se ne accorge il pubblico.
Io devo studiare sodo e preparare me stesso perché prima o poi verrà il mio momento.
Abraham Lincoln
Se non studio un giorno, me ne accorgo io. Se non studio due giorni, se ne accorge il pubblico.
Io devo studiare sodo e preparare me stesso perché prima o poi verrà il mio momento.
Abraham Lincoln
-

EdmondDantes
11,9k 8 11 13 - Disattivato su sua richiesta
- Messaggi: 3619
- Iscritto il: 25 lug 2009, 22:18
- Località: Marsiglia
0
voti
Prima di tutto, sei sicuro che quello è il verso della corrente? Il fasore era riferito alla tensione di picco o a quella efficace? Nel secondo caso per calcolare la potenza devi dividere per 2, nel primo no.
Propongo una possibile soluzione ma non garantisco né sulla correttezza del procedimento né sulla correttezza dei calcoli.
Bisogna calcolare
come già fatto,
e calcolare la tensione del generatore invertendo l'equazione che consente di calcolare
partendo dal generatore con un doppio partitore di tensione
![V = V_G \cdot \frac{Z_2 \parallel (Z_3 + Z)}{[Z_2 \parallel (Z_3 + Z) ] + Z_1} \cdot \frac{Z}{Z_3 + Z} V = V_G \cdot \frac{Z_2 \parallel (Z_3 + Z)}{[Z_2 \parallel (Z_3 + Z) ] + Z_1} \cdot \frac{Z}{Z_3 + Z}](/forum/latexrender/pictures/3dd922825a23d40b7737f1f11e8e1928.png)
Supponendo che il fasore sia rispetto al picco
come già scritto, si ottiene
e
, quindi la tensione efficace sarebbe

Nel caso in cui il fasore fosse riferito ad un valore efficace di tensione
,
e 
Propongo una possibile soluzione ma non garantisco né sulla correttezza del procedimento né sulla correttezza dei calcoli.
Bisogna calcolare
come già fatto,
e calcolare la tensione del generatore invertendo l'equazione che consente di calcolare
partendo dal generatore con un doppio partitore di tensione![V = V_G \cdot \frac{Z_2 \parallel (Z_3 + Z)}{[Z_2 \parallel (Z_3 + Z) ] + Z_1} \cdot \frac{Z}{Z_3 + Z} V = V_G \cdot \frac{Z_2 \parallel (Z_3 + Z)}{[Z_2 \parallel (Z_3 + Z) ] + Z_1} \cdot \frac{Z}{Z_3 + Z}](/forum/latexrender/pictures/3dd922825a23d40b7737f1f11e8e1928.png)
Supponendo che il fasore sia rispetto al picco
come già scritto, si ottiene
e
, quindi la tensione efficace sarebbe
Nel caso in cui il fasore fosse riferito ad un valore efficace di tensione
,
e 
1
voti
Non so quando la consuetudine elettrotecnica sia cambiata, ma, ai miei tempi, se in un testo c'era scritto che un amperometro in c.a. misurava 10 A, quello era il valore efficace senza bisogno di ulteriori specificazioni.
Purtroppo ormai sembra aver preso piede anche, ahimé, la famigerata formula
dove si usano i simboli riservati, da che mondo elettrotecnico è mondo elettrotecnico, ai valori efficaci, mentre quell'orrendo
richiede i valori massimi. L'ambiguità si sta estendendo a macchia d'olio trasferendosi alle indicazioni strumentali a quanto pare.
Purtroppo ormai sembra aver preso piede anche, ahimé, la famigerata formula
dove si usano i simboli riservati, da che mondo elettrotecnico è mondo elettrotecnico, ai valori efficaci, mentre quell'orrendo
richiede i valori massimi. L'ambiguità si sta estendendo a macchia d'olio trasferendosi alle indicazioni strumentali a quanto pare.0
voti
Il libro di elettrotecnica su cui ho studiato, il Perfetti, usa la formula con
in quanto il fasore è associato sempre al valore di picco.
Riflettendoci un attimo, anche a me è stato insegnato e ho sempre osservato concretamente che gli strumenti in modalità AC misurano valori efficaci, quindi fa strano che si faccia una misura di picco. Mi sa che ho sbagliato a trattare entrambi i casi.
in quanto il fasore è associato sempre al valore di picco.Riflettendoci un attimo, anche a me è stato insegnato e ho sempre osservato concretamente che gli strumenti in modalità AC misurano valori efficaci, quindi fa strano che si faccia una misura di picco. Mi sa che ho sbagliato a trattare entrambi i casi.
2
voti
Gli avi fecero di tutto per non portarsi dietro coefficienti inutili e noi li rimettiano in circolo.
Io mai usati.
viewtopic.php?f=2&t=15531&start=10
Io mai usati.
viewtopic.php?f=2&t=15531&start=10
Il Conte di Montecristo
Se non studio un giorno, me ne accorgo io. Se non studio due giorni, se ne accorge il pubblico.
Io devo studiare sodo e preparare me stesso perché prima o poi verrà il mio momento.
Abraham Lincoln
Se non studio un giorno, me ne accorgo io. Se non studio due giorni, se ne accorge il pubblico.
Io devo studiare sodo e preparare me stesso perché prima o poi verrà il mio momento.
Abraham Lincoln
-

EdmondDantes
11,9k 8 11 13 - Disattivato su sua richiesta
- Messaggi: 3619
- Iscritto il: 25 lug 2009, 22:18
- Località: Marsiglia
10 messaggi
• Pagina 1 di 1
Torna a Elettrotecnica generale
Chi c’è in linea
Visitano il forum: Nessuno e 87 ospiti

Elettrotecnica e non solo (admin)
Un gatto tra gli elettroni (IsidoroKZ)
Esperienza e simulazioni (g.schgor)
Moleskine di un idraulico (RenzoDF)
Il Blog di ElectroYou (webmaster)
Idee microcontrollate (TardoFreak)
PICcoli grandi PICMicro (Paolino)
Il blog elettrico di carloc (carloc)
DirtEYblooog (dirtydeeds)
Di tutto... un po' (jordan20)
AK47 (lillo)
Esperienze elettroniche (marco438)
Telecomunicazioni musicali (clavicordo)
Automazione ed Elettronica (gustavo)
Direttive per la sicurezza (ErnestoCappelletti)
EYnfo dall'Alaska (mir)
Apriamo il quadro! (attilio)
H7-25 (asdf)
Passione Elettrica (massimob)
Elettroni a spasso (guidob)
Bloguerra (guerra)



= 



