Cos'è ElectroYou | Login Iscriviti

ElectroYou - la comunità dei professionisti del mondo elettrico

Esercizio con principio di sovrapposizione

Circuiti, campi elettromagnetici e teoria delle linee di trasmissione e distribuzione dell’energia elettrica

Moderatori: Foto Utenteg.schgor, Foto UtenteIsidoroKZ

1
voti

[1] Esercizio con principio di sovrapposizione

Messaggioda Foto Utentevito998 » 12 ago 2018, 11:31

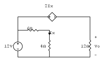
L'esercizio chiede di ricavare la tensione Vo applicando il principio di sovrapposizione.



Spegnendo il generatore di corrente sostituendolo con un circuito aperto, ottengo questo circuito



Da cui ricavo che Ix = 12/10 = 1,2 A
Quindi il generatore controllato equivale a 2Ix = 2,4 V
12 - 2,4 = Vo quindi Vo = 9,6V

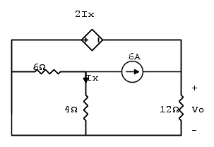
Adesso spengo il generatore di tensione sostituendolo con un circuito chiuso ottengo



Arrivato qui mi trovo in difficoltà sulla risoluzione di questo circuito
Avatar utente
Foto Utentevito998
5 4
 
Messaggi: 34
Iscritto il: 21 mag 2013, 18:45

2
voti

[2] Re: Esercizio con principio di sovrapposizione

Messaggioda Foto UtentePietroBaima » 12 ago 2018, 12:02

vito998 ha scritto:L'esercizio chiede di ricavare la tensione Vo applicando il principio di sovrapposizione


Negli schemi è veramente brutto inserire dei numeri quando questi hanno delle dimensioni.
Il generatore di tensione pilotato in corrente vale 2Ix, ma quel 2 è una transimpedenza.
Andrebbe scritto RmIx specificando che Rm vale 2\Omega.

vito998 ha scritto:Spegnendo il generatore di corrente sostituendolo con un circuito aperto, ottengo questo circuito

Quando spegni il generatore di corrente non hai bisogno di sostituirlo con nulla, annullando la sua corrente diventa un circuito aperto di suo.


vito998 ha scritto:Da cui ricavo che Ix = 12/10 = 1,2 A

12/10 cosa? \frac{12 V}{10 \Omega}=1.2 A

vito998 ha scritto:Quindi il generatore controllato equivale a 2Ix = 2,4 V
12 - 2,4 = Vo quindi Vo = 9,6V

Come sopra, impara ad indicare le dimensioni dei numeri che utilizzi.

vito998 ha scritto:Adesso spengo il generatore di tensione sostituendolo con un circuito chiuso ottengo

Stesso discorso fatto per il GIC: se spegni un generatore di tensione ne annulli la tensione, quindi diventa un corto circuito (non un circuito chiuso, tutti i circuiti sono chiusi, tranne quelli in cui non scorre corrente che sono circuiti aperti).

vito998 ha scritto:Arrivato qui mi trovo in difficoltà sulla risoluzione di questo circuito

La tensione sulla resistenza da 4\Omega vale 4\Omega \cdot I_x, quindi conosci anche la corrente sulla resistenza da 6\Omega e la loro somma deve fare 6A (attento ai segni).
Generatore codice per articoli:
nomi
Sul forum:
[pigreco]=π
[ohm]=Ω
[quadrato]=²
[cubo]=³
Avatar utente
Foto UtentePietroBaima
90,7k 7 12 13
G.Master EY
G.Master EY
 
Messaggi: 12206
Iscritto il: 12 ago 2012, 1:20
Località: Londra

0
voti

[3] Re: Esercizio con principio di sovrapposizione

Messaggioda Foto Utentevito998 » 12 ago 2018, 16:25

Si, hai perfettamente ragione.

PietroBaima ha scritto:La tensione sulla resistenza da 4\Omega vale 4\Omega \cdot I_x, quindi conosci anche la corrente sulla resistenza da 6\Omega e la loro somma deve fare 6A (attento ai segni).


Non riesco a capire come individuare la corrente sulla resistenza da 6\Omega
Avatar utente
Foto Utentevito998
5 4
 
Messaggi: 34
Iscritto il: 21 mag 2013, 18:45

1
voti

[4] Re: Esercizio con principio di sovrapposizione

Messaggioda Foto UtentePietroBaima » 12 ago 2018, 16:28

sono in parallelo... :?
Generatore codice per articoli:
nomi
Sul forum:
[pigreco]=π
[ohm]=Ω
[quadrato]=²
[cubo]=³
Avatar utente
Foto UtentePietroBaima
90,7k 7 12 13
G.Master EY
G.Master EY
 
Messaggi: 12206
Iscritto il: 12 ago 2012, 1:20
Località: Londra

0
voti

[5] Re: Esercizio con principio di sovrapposizione

Messaggioda Foto Utentevito998 » 12 ago 2018, 17:32

Perdona la mia ignoranza ma continuo a non capire..
Avatar utente
Foto Utentevito998
5 4
 
Messaggi: 34
Iscritto il: 21 mag 2013, 18:45

0
voti

[6] Re: Esercizio con principio di sovrapposizione

Messaggioda Foto UtentePietroBaima » 12 ago 2018, 17:36

La resistenza da 4\Omega e la resistenza da 6\Omega sono in parallelo.
Generatore codice per articoli:
nomi
Sul forum:
[pigreco]=π
[ohm]=Ω
[quadrato]=²
[cubo]=³
Avatar utente
Foto UtentePietroBaima
90,7k 7 12 13
G.Master EY
G.Master EY
 
Messaggi: 12206
Iscritto il: 12 ago 2012, 1:20
Località: Londra

0
voti

[7] Re: Esercizio con principio di sovrapposizione

Messaggioda Foto Utentevito998 » 12 ago 2018, 20:12

Posso applicare la formula del partitore di corrente?
In tal caso la corrente che passa per la resistenza da 6\Omega è \frac{-6V * 4\Omega}{10\Omega} = -2,4A

Giusto?
Avatar utente
Foto Utentevito998
5 4
 
Messaggi: 34
Iscritto il: 21 mag 2013, 18:45

1
voti

[8] Re: Esercizio con principio di sovrapposizione

Messaggioda Foto UtentePietroBaima » 12 ago 2018, 20:33

ma cazzarola...

Se le due resistenze sono in parallelo e la tensione sul parallelo vale 4\Omega \cdot I_x, la corrente sull’altra resistenza varrà 4\Omega \cdot I_x /6\Omega, no?
Generatore codice per articoli:
nomi
Sul forum:
[pigreco]=π
[ohm]=Ω
[quadrato]=²
[cubo]=³
Avatar utente
Foto UtentePietroBaima
90,7k 7 12 13
G.Master EY
G.Master EY
 
Messaggi: 12206
Iscritto il: 12 ago 2012, 1:20
Località: Londra

2
voti

[9] Re: Esercizio con principio di sovrapposizione

Messaggioda Foto UtenteEdmondDantes » 12 ago 2018, 20:45

A prescindere dalla formula, ma come fai ad ottenere un numero in ampere dalla relazione che hai scritto in [7]?
Un minimo di critica e ragionamento vogliamo metterli in questi esercizi?
Altrimenti installa un software, implementa il circuito, f5, e copi i risultati.
Il Conte di Montecristo

Se non studio un giorno, me ne accorgo io. Se non studio due giorni, se ne accorge il pubblico.

Io devo studiare sodo e preparare me stesso perché prima o poi verrà il mio momento.
Abraham Lincoln
Avatar utente
Foto UtenteEdmondDantes
11,9k 8 11 13
Disattivato su sua richiesta
 
Messaggi: 3619
Iscritto il: 25 lug 2009, 22:18
Località: Marsiglia

0
voti

[10] Re: Esercizio con principio di sovrapposizione

Messaggioda Foto Utentevito998 » 13 ago 2018, 17:49

PietroBaima ha scritto:ma cazzarola...

Se le due resistenze sono in parallelo e la tensione sul parallelo vale 4\Omega \cdot I_x, la corrente sull’altra resistenza varrà 4\Omega \cdot I_x /6\Omega, no?

Scusatemi ma uno che scrive in un forum ha evidentemente bisogno di aiuto, non mi sembra la miglior cosa alterarsi perché non riesco ad arrivare alla soluzione. Sono alle prime armi e alcune cose che possono sembrare banali a me possono sfuggire. Comunque ho capito il perché ma ti assicuro che non ci avevo pensato.
EdmondDantes ha scritto:A prescindere dalla formula, ma come fai ad ottenere un numero in ampere dalla relazione che hai scritto in [7]?

E' stato un errore di distrazione, ho scritto V(volt) al posto di A(ampere).

Comunque per terminare l'esercizio...
Applico la LKC 4\Omega \cdot I_x /6\Omega + I_x + 6A = 0 quindi I_x = -3,6A
V_o sarà -2\Omega\cdot I_x = 7,2 V
Quindi sommando i risultati ottenuti di V_o nei 2 circuiti si ha che V_o = 9,6V + 7,2V = 16,8V
Avatar utente
Foto Utentevito998
5 4
 
Messaggi: 34
Iscritto il: 21 mag 2013, 18:45

Prossimo

Torna a Elettrotecnica generale

Chi c’è in linea

Visitano il forum: Nessuno e 17 ospiti